Fluorine lined plug valve
Nominal diameter: NPS1/24 "~14"
Pressure range: Class150~600Lb
Working temperature: -29~180 ℃
Main material: WCB, WC6, WC9, C5, C12, CF8, CF8M, CF3, CF3M, CN7M, LCB, LCC
Drive mode: manual, worm gear
Design standards: API 6D, API 599
Structural length: ASME B16.10
Connection standard: ASME B16.5
Pressure test: API 598
Pressure temperature rating: ASME B16.34
Product Overview
The inverted oil seal pressure balance plug valve is suitable for cutting or connecting pipeline media on pipelines with a nominal pressure of Class150-CLASS600 and a working temperature of -29-180 ℃ in various working conditions such as petroleum, chemical, pharmaceutical, fertilizer, and power industries. There is an oil groove between the valve body and sealing surface of the inverted oil seal plug valve, which can inject sealing grease into the valve seat at any time through the oil nozzle, increasing sealing performance. The material and flange size of the components of the inverted oil seal plug valve can be reasonably selected according to actual working conditions or user requirements, to meet various engineering needs.
Product Features
1. The product has a reasonable structure, reliable sealing, excellent performance, and beautiful appearance;
2. The inverted pressure balanced structure of the American standard oil sealed plug valve ensures light switching action;
3. There is an oil groove between the valve body and the sealing surface, which can inject sealing grease into the valve seat at any time through the oil nozzle to increase sealing performance;
4. The material and flange size of the parts can be reasonably selected according to actual working conditions or user requirements to meet various engineering needs.

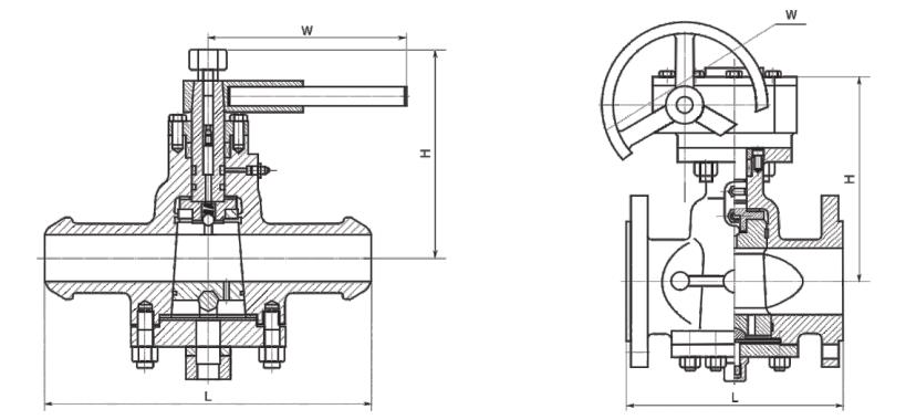
Product Outline Structure Dimensions
| Model | X347W/F-150LB | |||||||||||||||
| Pressure rating | 150LB | |||||||||||||||
| Size | mm | 15 | 20 | 25 | 32 | 40 | 50 | 65 | 80 | 100 | 125 | 150 | 200 | 250 | 300 | 350 |
| in | 1/2 | 3/4 | 1 | 1-1/4 | 1-1/2 | 2 | 2-1/2 | 3 | 4 | 5 | 6 | 8 | 10 | 12 | 14 | |
| L | 108 | 117 | 127 | 140 | 165 | 178 | 190 | 203 | 229 | 254 | 267 | 292 | 330 | 356 | 381 | |
| H | 180 | 180 | 185 | 200 | 210 | 215 | 250 | 270 | 300 | 340 | 365 | 400 | 450 | 510 | 590 | |
| W | 400 | 400 | 500 | 500 | 600 | 600 | 820 | 820 | 300 | 300 | 320 | 320 | 350 | 380 | 380 | |
| weight(kg) | 10 | 12 | 14 | 17 | 19 | 21 | 29 | 33 | 48 | 75 | 98 | 125 | 171 | 230 | 370 | |
| Model | X347W/F-300LB | |||||||||||||||
| Pressure rating | 300LB | |||||||||||||||
| Size | mm | 15 | 20 | 25 | 32 | 40 | 50 | 65 | 80 | 100 | 125 | 150 | 200 | 250 | 300 | 350 |
| in | 1/2 | 3/4 | 1 | 1-1/4 | 1-1/2 | 2 | 2-1/2 | 3 | 4 | 5 | 6 | 8 | 10 | 12 | 14 | |
| L | 140 | 152 | 165 | 178 | 190 | 216 | 241 | 283 | 305 | 381 | 403 | 419 | 457 | 502 | 762 | |
| H | 180 | 180 | 185 | 200 | 210 | 215 | 250 | 270 | 300 | 340 | 365 | 400 | 450 | 510 | 590 | |
| W | 400 | 400 | 500 | 600 | 600 | 820 | 1000 | 1000 | 300 | 300 | 320 | 320 | 350 | 380 | 380 | |
| weight(kg) | 12 | 14 | 16 | 19 | 21 | 24 | 31 | 36 | 61 | 86 | 130 | 190 | 255 | 380 | 560 | |
|
Model |
X347W/F-600LB | |||||||||||||||
| Pressure rating | 600LB | |||||||||||||||
| Size | mm | 15 | 20 | 25 | 32 | 40 | 50 | 65 | 80 | 100 | 125 | 150 | 200 | 250 | 300 | 350 |
| in | 1/2 | 3/4 | 1 | 1-1/4 | 1-1/2 | 2 | 2-1/2 | 3 | 4 | 5 | 6 | 8 | 10 | 12 | 14 | |
| L | 165 | 190 | 216 | 229 | 241 | 292 | 330 | 356 | 432 | 508 | 559 | 660 | 787 | 838 | 889 | |
| H | 180 | 180 | 185 | 200 | 210 | 215 | 250 | 270 | 300 | 340 | 365 | 400 | 450 | 510 | 590 | |
| W | 400 | 400 | 500 | 500 | 600 | 600 | 820 | 820 | 300 | 300 | 320 | 320 | 350 | 380 | 380 | |
| weight(kg) | 14 | 16 | 18 | 20 | 24 | 29 | 35 | 47 | 91 | 129 | 210 | 320 | 660 | 920 | 1250 | |

Contact us









+86-021-67895388
shghfmc@163.com
93862333