German standard Y-type filter
Nominal pressure: PN ≤ 1.6Mpa (other working pressures can be designed according to user requirements)
Working temperature: ≤ 90 ℃
Filtering accuracy: 10-480 mesh
Shell material: QT450, 304, 304L, 316, 316L
Sealing materials: polytetrafluoroethylene, nitrile rubber, oil resistant asbestos adhesive
Design standard: DIN 3357 EN 12516-1
Wall thickness standard: ASME B16.34 EN 12516-1
Fire protection standard: API 307 ISO 10497
Structure length: DIN 3202
Flange standard: DIN EN 1092-1
Testing standard: DIN 3230 EN 12266
A new type of filter is an indispensable device on the medium pipeline, usually installed at the inlet end of a pressure reducing valve, relief valve, constant water level valve, or other equipment, to eliminate impurities such as dirt and rust in the medium and protect the normal use of valves and equipment.
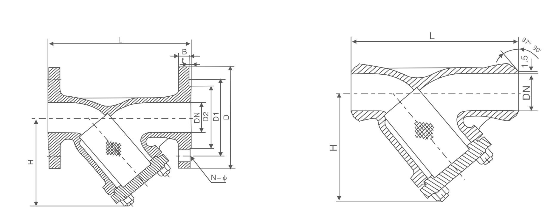
Main connect dimensions
|
DN |
L |
D |
D1 |
D2 |
b |
f |
Z-Φd |
H |
|
15 |
130 |
95 |
65 |
47 |
14 |
3 |
4-Φ14 |
74 |
|
20 |
150 |
105 |
75 |
58 |
16 |
3 |
4-Φ14 |
85 |
|
25 |
160 |
115 |
85 |
68 |
16 |
3 |
4-Φ14 |
95 |
|
32 |
180 |
140 |
100 |
78 |
18 |
3 |
4-Φ18 |
100 |
|
40 |
200 |
150 |
110 |
88 |
18 |
3 |
4-Φ18 |
120 |
|
50 |
230 |
165 |
125 |
102 |
18 |
3 |
4-Φ18 |
135 |
|
65 |
290 |
185 |
145 |
122 |
18 |
3 |
4-Φ18 |
185 |
|
80 |
310 |
200 |
160 |
138 |
22 |
3 |
8-Φ18 |
200 |
|
100 |
350 |
220 |
180 |
158 |
24 |
3 |
8-Φ18 |
235 |
|
125 |
400 |
250 |
210 |
188 |
26 |
3 |
8-Φ18 |
285 |
|
150 |
480 |
285 |
240 |
212 |
26 |
3 |
8-Φ23 |
300 |
|
200 |
600 |
340 |
295 |
268 |
30 |
3 |
12-Φ23 |
385 |
|
250 |
730 |
405 |
355 |
320 |
32 |
3 |
12-Φ27 |
458 |
|
300 |
850 |
460 |
410 |
378 |
32 |
4 |
12-Φ27 |
510 |
|
350 |
980 |
520 |
470 |
438 |
36 |
4 |
16-Φ27 |
650 |
|
400 |
1100 |
580 |
525 |
490 |
38 |
4 |
16-Φ30 |
740 |

Contact us









+86-021-67895388
shghfmc@163.com
93862333