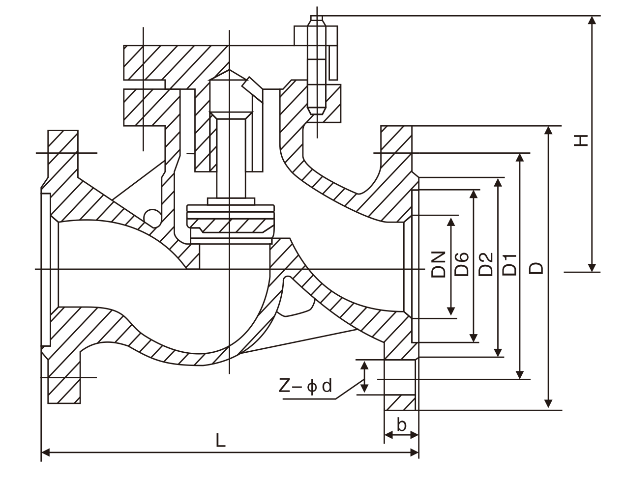
Flange ammonia check valve
Main contour connection dimensions
|
|
H44F-25C H44F-25P |
|||||||||||||
|
DN |
15 |
20 |
25 |
32 |
40 |
50 |
65 |
80 |
100 |
125 |
150 |
200 |
250 |
300 |
|
L |
130 |
150 |
160 |
180 |
200 |
230 |
290 |
310 |
350 |
400 |
480 |
600 |
650 |
750 |
|
H |
90 |
95 |
100 |
105 |
110 |
115 |
140 |
170 |
200 |
230 |
260 |
285 |
290 |
300 |

Contact us









+86-021-67895388
shghfmc@163.com
93862333