Ceramic eccentric half ball valve
Ceramic eccentric half ball valve using eccentric valve body, eccentric ball, seat, stem rotation movement in the common track automatic centering, closing process tighter, fully achieve a good sealing purpose. The ball and seat of the valve are completely separated, eliminating the wear of the seal ring, overcoming the problem that the traditional ball seat and the ball sealing surface are always worn, non-metallic elastic materials are embedded in the metal seat, and the metal surface of the seat is well protected. Especially suitable for steel industry, washing and dressing, power station, ash removal and other industries, mineral slurry, ash slurry and other media.
The valve seat and the sealing surface of the half ball are made of engineering ceramics, with high hardness, erosion resistance and long life. Suitable for solid liquid mixed media containing powdery particles, for opening and closing; The half sphere is a fixed ball type with good rigidity. V-shaped hemisphere, small size, light weight; The spacing between the sealing surface of the valve seat and the hemisphere sealing surface is adjustable, so the spacing of the sealing surface can be adjusted after the valve is used for a certain time to extend the life of the valve; When the valve is fully opened, the valve body channel is completely smooth and the medium flow resistance is small.
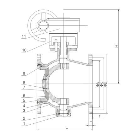
Main shape and connection dimensions
|
PN(Mpa) |
DN(mm) |
H |
L |
D |
D1 |
D2 |
n-d |
C |
F |
|
1.6 |
50 |
230 |
124 |
165 |
125 |
100 |
4-Φ18 |
16 |
3 |
|
65 |
237 |
145 |
185 |
145 |
120 |
4-Φ18 |
18 |
3 |
|
|
80 |
260 |
165 |
200 |
160 |
135 |
8-Φ18 |
20 |
3 |
|
|
100 |
270 |
194 |
220 |
180 |
156 |
8-Φ18 |
20 |
3 |
|
|
125 |
320 |
210 |
250 |
210 |
185 |
8-Φ22 |
22 |
3 |
|
|
150 |
340 |
229 |
285 |
240 |
211 |
8-Φ22 |
26 |
3 |
|
|
200 |
390 |
243 |
340 |
295 |
265 |
8-Φ23 |
26 |
3 |
|
|
250 |
420 |
297 |
405 |
355 |
319 |
8-Φ26 |
30 |
3 |
|
|
300 |
510 |
338 |
460 |
410 |
375 |
8-Φ26 |
30 |
4 |

Contact us











+86-021-67895388
shghfmc@163.com
93862333