Fluorine Lined Flange Butterfly Valve
Nominal diameter: DN50~1200mm
Nominal pressure: PN0.6~1.6MPa
Applicable temperature: NBR: -40℃ ~ 90℃;Fluororubber: -20℃ ~ 200℃
Applicable medium: water, air, natural gas, oil and weak corrosive fluid
Drive mode: worm gear drive, electric, pneumatic, hydraulic
Body material: WCB, QT450-10, HT200, HT250
Manufacturing standard: GB/T 122387-89
Flange standard: GB9113-2000, GB17241.6-1998
Structure length standard: GB12221-89
Inspection standard: GB/T 13927-92
Brief description
D341F46 Fluorine Lined Flange Butterfly Valve produced and sold by Baigang valve group with a spherical sealing surface lined with
fluorine plastic lined butterfly plate, together with the seat base of
the silicone rubber gasket to regulate the sealing performance of the
valve; , Tight sealing performance, long service life; can be used to
quickly cut off or regulate the flow of use. For applications requiring
reliable sealing and good conditioning characteristics. The valve body
adopts the split type, and the sealing of the present end of the valve
shaft is controlled by the fluorinated rubber on the rotating base
surface between the valve disc and the valve seat so as to achieve the
compact product structure, beautiful appearance, reasonable process and
reliable performance. To ensure that the valve shaft is not in contact
with the fluid medium in the cavity, it is very convenient to replace
the valve shaft, and the valve does not need to be detached from the
pipe and can be completed. Products are widely used in various types of
industrial pipes in the liquid and gas (including steam) transport,
especially with severe punishment of corrosive media use occasions such
as sulfuric acid, hydrofluoric acid, phosphorus, acid, LU gas, alkali,
aqua regia Such as a strong corrosive media.
Main technical parameters
| Nominal diameter (mm) | 50 ~ 1200 | 50 ~ 1600 | |
| Nominal pressure (MPa) | 0.6 | 1.0 | 1.6 |
| Seal test (MPa) | 0.66 | 1.1 | 1.76 |
| Strength test (MPa) | 0.9 | 1.5 | 2.4 |
| proper temperature | Nitrile rubber: -40 ℃ ~ 90 ℃; Viton: -20 ℃ ~ 200 ℃ | ||
| Suitable media | Water, air, natural gas, oil and weak corrosive fluids | ||
| Leak rate | In line with GB / T13927-92 standards | ||
| Drive mode | Worm gear, electric, pneumatic, hydraulic | ||
Main components and materials
| Part Name | material |
| Body | WCB, QT450-10, HT200, HT250 |
| Butterfly plate | WCB, QT450-10, HT200, HT250 |
| Valve shaft | 2Cr13 |
| Sealing ring | Nitrile oil-resistant rubber |
| Filler | Flexible graphite |
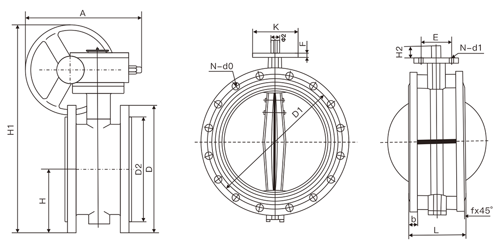
Main dimensions mm

| DN | L | H | H1 | A | B | ФD | ||
| 0.6MPa | 1.0MPa | 1.6MPa | ||||||
| 50 | 43 | 77 | 309 | 180 | 200 | 88 | 99 | 99 |
| 65 | 46 | 85 | 320 | 180 | 200 | 108 | 118 | 118 |
| 80 | 46 | 95 | 340 | 180 | 200 | 124 | 132 | 132 |
| 100 | 52 | 105 | 360 | 180 | 200 | 144 | 156 | 156 |
| 125 | 56 | 129 | 405 | 180 | 200 | 174 | 184 | 184 |
| 150 | 56 | 132 | 450 | 270 | 280 | 199 | 211 | 211 |
| 200 | 60 | 165 | 607 | 270 | 280 | 254 | 266 | 266 |
| 250 | 68 | 197 | 659 | 270 | 280 | 309 | 319 | 319 |
| 300 | 78 | 234 | 742 | 380 | 420 | 363 | 370 | 370 |
| 350 | 78 | 283 | 792 | 380 | 420 | 413 | 429 | 429 |
| 400 | 102 | 325 | 887 | 450 | 470 | 463 | 480 | 480 |
| 450 | 114 | 369 | 935 | 480 | 490 | 518 | 530 | 548 |
| 500 | 127 | 404 | 985 | 480 | 490 | 568 | 582 | 609 |
| 600 | 154 | 470 | 1243 | 480 | 490 | 667 | 682 | 720 |
| 700 | 165 | 503 | 1346 | 640 | 660 | 772 | 794 | 794 |
| 800 | 190 | 571 | 1466 | 640 | 660 | 878 | 901 | 901 |
| 900 | 203 | 621 | 1565 | 750 | 860 | 978 | 1001 | 1001 |
| 1000 | 216 | 702 | 1781 | 850 | 900 | 1078 | 1112 | 1112 |
| 1200 | 254 | 818 | 1965 | 850 | 900 | 1295 | 1328 | 1328 |

Contact us

























+86-021-67895388
shghfmc@163.com
93862333