Fluorine lined straight lift check valve
Product model: H41F46
Nominal diameter: DN15mm-2500mm
Nominal pressure: PN0.6 MPa ~1.6 MPa
Body test: PN×1.5 MPa
Seal detection: PN×1.1 MPa
Test standard: GB/T13927-2008
Lining inspection: EDM inspection
Disc Material: Carbon Steel Fully Coated with Fluoroplastic
Applicable temperature: ≤80℃, ≤100℃, ≤120℃, ≤150℃
The Fluorine lined straight lift check valve is also called a check valve. The internal flow channel seal of the valve body is fully lined with PTFE, which has the characteristics of high strength and good corrosion resistance. It is suitable for various concentrations of aqua regia, sulfuric acid, hydrochloric acid, hydrofluoric acid and various organic acids, strong acids and strong oxidants at temperatures of -50℃~150℃. FEP is also suitable for various concentrations of strong alkali organic solvents and other corrosion products. It is used to prevent the backflow of the medium on the pipeline of the inert gas and liquid medium.
Material of main parts
|
NO |
Part Name |
Grey cast iron |
Cast steel |
Stainless acid-resistant cast steel |
Ultra-low carbon stainless acid-resistant cast steel |
||
|
Z |
C |
P |
R |
PL |
RL |
||
|
1 |
Body/bonnet |
HT250 |
WCB |
CF8 |
CF8M |
CF3 |
CF3M |
|
2 |
Disc/Stem |
35 |
1Cr13 |
1Cr18Ni9 |
1Cr18Ni12Mo2Ti |
00Cr18Ni10 |
00Cr17Ni14Mo2 |
|
3 |
Lining/Seat |
PCTEF(F3),FEP(F46),PFA(SolubleF4),PP,PO |
|||||
|
4 |
Fastening bolts |
WCB |
1Cr17Ni2 |
1Cr18Ni9Ti |
|||
|
5 |
Nut |
PTFE(F4) |
CF8 |
CF8 |
|||
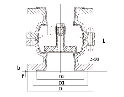
Main external connection dimensions PN0.6MPa
|
Nominal Diameter |
Standard value |
Reference value |
|||||||||
|
DN(mm) |
NPS(inch) |
L |
D |
D1 |
D2 |
f |
b |
Z-Φd |
B |
H |
W(kg) |
|
15 |
1/2 |
130 |
80 |
55 |
40 |
2 |
12 |
4-Φ12 |
105 |
55 |
4 |
|
20 |
3/4 |
150 |
90 |
65 |
50 |
2 |
14 |
4-Φ12 |
115 |
58 |
5 |
|
25 |
1 |
160 |
100 |
75 |
60 |
2 |
14 |
4-Φ12 |
128 |
60 |
6 |
|
32 |
1 1/4 |
180 |
120 |
90 |
70 |
2 |
16 |
4-Φ14 |
145 |
75 |
7 |
|
40 |
1 1/2 |
200 |
130 |
100 |
80 |
3 |
16 |
4-Φ14 |
160 |
82 |
8 |
|
50 |
2 |
230 |
140 |
110 |
90 |
3 |
16 |
4-Φ14 |
178 |
95 |
10 |
|
65 |
2 1/2 |
290 |
160 |
130 |
110 |
3 |
16 |
4-Φ14 |
205 |
105 |
20 |
|
80 |
3 |
310 |
185 |
150 |
125 |
3 |
18 |
4-Φ18 |
230 |
120 |
25 |
|
100 |
4 |
350 |
205 |
170 |
145 |
3 |
18 |
4-Φ18 |
255 |
135 |
30 |
|
125 |
5 |
400 |
235 |
200 |
175 |
3 |
20 |
8-Φ18 |
305 |
158 |
50 |
|
150 |
6 |
480 |
260 |
225 |
200 |
3 |
20 |
8-Φ18 |
345 |
180 |
65 |
|
200 |
8 |
495 |
315 |
280 |
255 |
3 |
22 |
8-Φ18 |
415 |
215 |
137 |
|
250 |
10 |
622 |
370 |
335 |
310 |
3 |
24 |
12-Φ18 |
490 |
240 |
150 |
|
300 |
12 |
698 |
435 |
395 |
362 |
4 |
24 |
12-Φ23 |
540 |
265 |
185 |
|
350 |
14 |
787 |
485 |
445 |
412 |
4 |
26 |
12-Φ23 |
585 |
300 |
215 |
|
400 |
16 |
914 |
535 |
495 |
462 |
4 |
28 |
16-Φ23 |
625 |
360 |
244 |
|
450 |
18 |
978 |
590 |
550 |
518 |
4 |
28 |
16-Φ23 |
680 |
385 |
276 |
|
500 |
20 |
978 |
640 |
600 |
568 |
4 |
30 |
16-Φ23 |
740 |
415 |
315 |

Contact us

























+86-021-67895388
shghfmc@163.com
93862333