Steam solenoid valve
Nominal pressure: PN0.05~1.6MPa
Applicable temperature: ≤180℃
Applicable medium: steam, gas, liquid, oil
ZQDF (Y) steam (liquid) solenoid valve is an actuator for industrial process automation control system, which can automatically open or close the valve after receiving the electronic control signal, and realize the on-off or flow regulation control of the fluid medium in the pipeline, so as to automatically adjust or remotely control the temperature, flow, pressure and other parameters in the system. ZQDF series is mainly used for the control of air, steam, gas and other gaseous media; ZQDF(Y) series is mainly used for tap water, distilled water, frozen brine, electroplating waste liquid and other liquid media, but also for oil with viscosity less than 4°E.
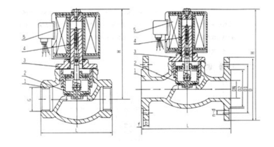
Main Outline Connection Dimensions
|
Nominal diameter DN |
Dimensions |
internal thread |
Dimensions |
flange connection |
|||||||
|
H |
L |
G |
H |
L |
D |
D1 |
D2 |
b |
f |
N-d |
|
|
15 |
148 |
92 |
1/2 |
176 |
130 |
95 |
65 |
46 |
14 |
2 |
4-Φ14 |
|
20 |
148 |
92 |
3/4 |
181 |
150 |
105 |
75 |
56 |
16 |
2 |
4-Φ14 |
|
25 |
148 |
110 |
1 |
210 |
160 |
115 |
85 |
65 |
16 |
3 |
4-Φ14 |
|
32 |
182 |
120 |
11/4 |
221 |
180 |
140 |
100 |
76 |
18 |
3 |
4-Φ18 |
|
40 |
182 |
140 |
11/2 |
230 |
200 |
150 |
110 |
84 |
18 |
3 |
4-Φ18 |
|
50 |
192 |
162 |
2 |
252 |
230 |
165 |
125 |
99 |
20 |
3 |
4-Φ18 |
|
65 |
|
|
|
265 |
290 |
185 |
145 |
118 |
20 |
3 |
4-Φ18 |
|
80 |
|
|
|
276 |
310 |
200 |
160 |
132 |
20 |
3 |
8-Φ18 |
|
100 |
|
|
|
373 |
350 |
220 |
180 |
156 |
22 |
3 |
8-Φ18 |

Contact us









+86-021-67895388
shghfmc@163.com
93862333