Stainless steel zero pressure start diaphragm solenoid valve
Nominal pressure: PN0.5~1.0MPa
Applicable temperature: -20 °C ~ 80 °C
Applicable medium: air, water, oil
It is suitable for controlling liquid, gas, light oil (≤20CST) and other media, adopts direct-acting and step-by-step 2-direct-acting structure, zero-pressure valve opening, large flow and high reliability. The body is made of brass (hot forged), stainless steel SS304 (precision casting), this series is available in a variety of versions, which can be selected according to control needs.
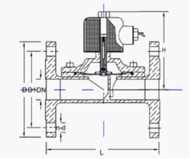
Main external connection dimensions
|
model |
Interface G |
Diameter mm |
Cv value |
L |
H/normally open type/explosion-proof type |
work pressure(bar) |
|
|
Normally closed |
Normally open |
||||||
|
LD512.5 |
1/8 |
2.5 |
0.25 |
40.5 |
75/--/-- |
0~10 |
0~6 |
|
LD512.5 |
1/4 |
2.5 |
0.25 |
40.5 |
75/--/-- |
0~10 |
0~6 |
|
LD5104 |
1/4 |
4 |
0.6 |
54 |
75/--/-- |
0~10 |
0~6 |
|
LD5104 |
3/8 |
4 |
0.6 |
54 |
90/--/-- |
0~10 |
0~6 |
|
LD5110 |
3/8 |
10 |
4.8 |
68 |
117/--/-- |
0-10 |
0~6 |
|
LD5115 |
1/2 |
15 |
4.8 |
68 |
117/135/125 |
0~10 |
0~6 |
|
LD5120 |
3/4 |
20 |
7.6 |
73 |
123/142/135 |
0~10 |
0~6 |
|
LD5125 |
1 |
25 |
12 |
99 |
135/150/150 |
0~10 |
0~6 |
|
LD5132 |
11/4 |
32 |
24 |
110 |
154/190/190 |
0~10 |
0~6 |
|
LD5140 |
11/2 |
40 |
29 |
120 |
162/190/190 |
0~10 |
0~6 |
|
LD5150 |
2 |
50 |
48 |
154 |
185/215/202 |
0-10 |
0~6 |

Contact us









+86-021-67895388
shghfmc@163.com
93862333