Pig valve
Nominal pressure: Class150LB~900LB, PN16~PN250
Main materials: A105, LF2304316 and corresponding castings
Design standard: API 6D
Connection method: flange connection
Operation mode: handle, worm gear box, electric, pneumatic
The pigging valve mainly solves the problem of sedimentation or formation of dirt on the inner wall of pipelines during long-term use. The deposition of these dirt on the pipeline wall will increase the resistance of the fluid during transportation. Lay a new pipeline, clean all residues inside the pipeline before operation, and apply rust and anti-corrosion coating on the inner wall of the pipeline to ensure smooth and unobstructed flow of the pipeline.
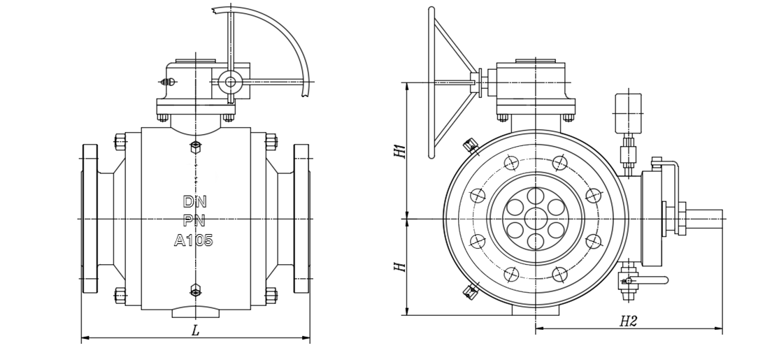
Main connect dimensions
|
SIZE |
CLASS 150 |
CLASS 300 |
CLASS 600 |
CLASS 900 |
||||||||||||
|
NPS |
L |
H |
H1 |
H2 |
L |
H |
H1 |
H3 |
L |
H |
H1 |
H2 |
L |
H |
H1 |
H2 |
|
2 |
310 |
145 |
194 |
180 |
310 |
145 |
194 |
180 |
325 |
145 |
194 |
180 |
348 |
145 |
194 |
180 |
|
3 |
362 |
162 |
213 |
190 |
362 |
162 |
213 |
190 |
375 |
162 |
213 |
190 |
387 |
162 |
162 |
302 |
|
4 |
445 |
186 |
255 |
212 |
445 |
186 |
255 |
212 |
460 |
186 |
255 |
212 |
483 |
186 |
186 |
320 |
|
6 |
520 |
241 |
308 |
277 |
520 |
241 |
308 |
277 |
562 |
241 |
308 |
277 |
590 |
568 |
568 |
583 |
|
8 |
724 |
590 |
831 |
785 |
724 |
594 |
831 |
785 |
818 |
594 |
831 |
785 |
889 |
626 |
847 |
788 |
|
10 |
898 |
663 |
879 |
813 |
898 |
663 |
879 |
813 |
943 |
663 |
879 |
813 |
980 |
663 |
906 |
847 |
|
12 |
1035 |
745 |
990 |
886 |
1035 |
745 |
990 |
886 |
1068 |
745 |
990 |
886 |
1194 |
914 |
990 |
886 |
|
16 |
1372 |
1233 |
1060 |
973 |
1372 |
1232 |
1060 |
973 |
1372 |
1232 |
985 |
973 |
|
|
|
|

Contact us
















+86-021-67895388
shghfmc@163.com
93862333