Pneumatic piston type three-way shut-off valve
Nominal diameter: DN20~200mm
Nominal pressure: PN1.0~6.4MPa
Connection method: flange
Valve body material: cast iron, carbon steel, stainless steel
Applicable media: water, steam, oil, acid and alkali, etc
Applicable temperature: Soft sealing F (tetrafluoroethylene) ≤ 180 ℃, hard sealing ≤ 450 ℃.
Driving method: pneumatic
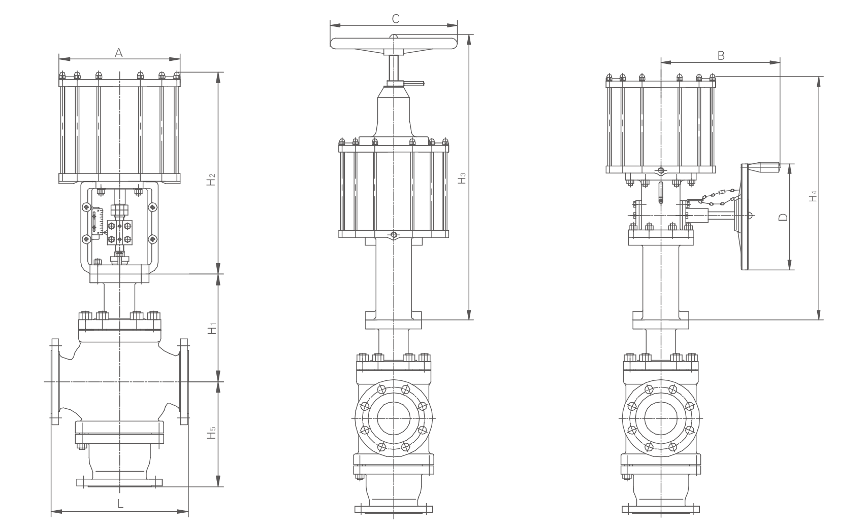
The piston type pneumatic three-way shut-off valve is composed of a ZS type spring piston actuator and shut-off valve. It has a small volume and weight, fast and reliable shut-off, and a large allowable pressure difference. It is an executive component of an automatic control system that receives a two position regulating instrument, a PC program control computer, and an electronic control "ON-OFF" switch signal to cut off, open, or change the flow direction of the medium, achieving two position control of process parameters. It is suitable for places such as emergency cut-off of process pipelines and automatic protection interlocking systems for venting. This series of products comes in two types: film type and piston type. There are three types of valve body structures: single seat, sleeve, and double seat (two position three way), with two sealing forms: packing seal and corrugated pipe seal. It has the advantages of simple structure, large operating force, small size, light weight, small flow resistance, large valve capacity, good sealing performance, and convenient maintenance. Suitable for gas and liquid media without particles or impurities, requiring quick and tight closure and rapid venting in automatic control systems. Widely used in automation control systems in production processes such as petroleum, chemical, metallurgical, electric power, and light textile.
Main external connection dimensions
| DN(mm) | L | A | H | H1 | WT(Kg) | Signal connector internal thread |
| 20 | 150 | 130 | 92 | 310 | 10 | M10×1 |
| 25 | 160 | 130 | 92 | 310 | 12 | |
| 32 | 180 | 130 | 93 | 310 | 15 | |
| 40 | 200 | 150 | 105 | 370 | 18 | |
| 50 | 230 | 150 | 108 | 380 | 25 | |
| 65 | 290 | 210 | 120 | 400 | 30 | |
| 80 | 310 | 210 | 125 | 410 | 40 | |
| 100 | 350 | 210 | 135 | 425 | 60 |

Contact us





















+86-021-67895388
shghfmc@163.com
93862333