Pneumatic butterfly valve in the middle line
Product overview
Structural characteristics
1, small and light, easy to disassemble and repair, and can be installed in any position.
2, simple structure, compact, small operating torque, 90° rotation open quickly.
3, the flow characteristic is straight line, good adjustment performance.
4, the connection between the butterfly plate and the valve stem adopts a pin-free structure to overcome the possible internal leakage point.
5, the outer circle of the butterfly plate adopts spherical shape, which improves the sealing performance and extends the service life of the valve, and maintains zero leakage with pressure opening and closing more than 50,000 times.
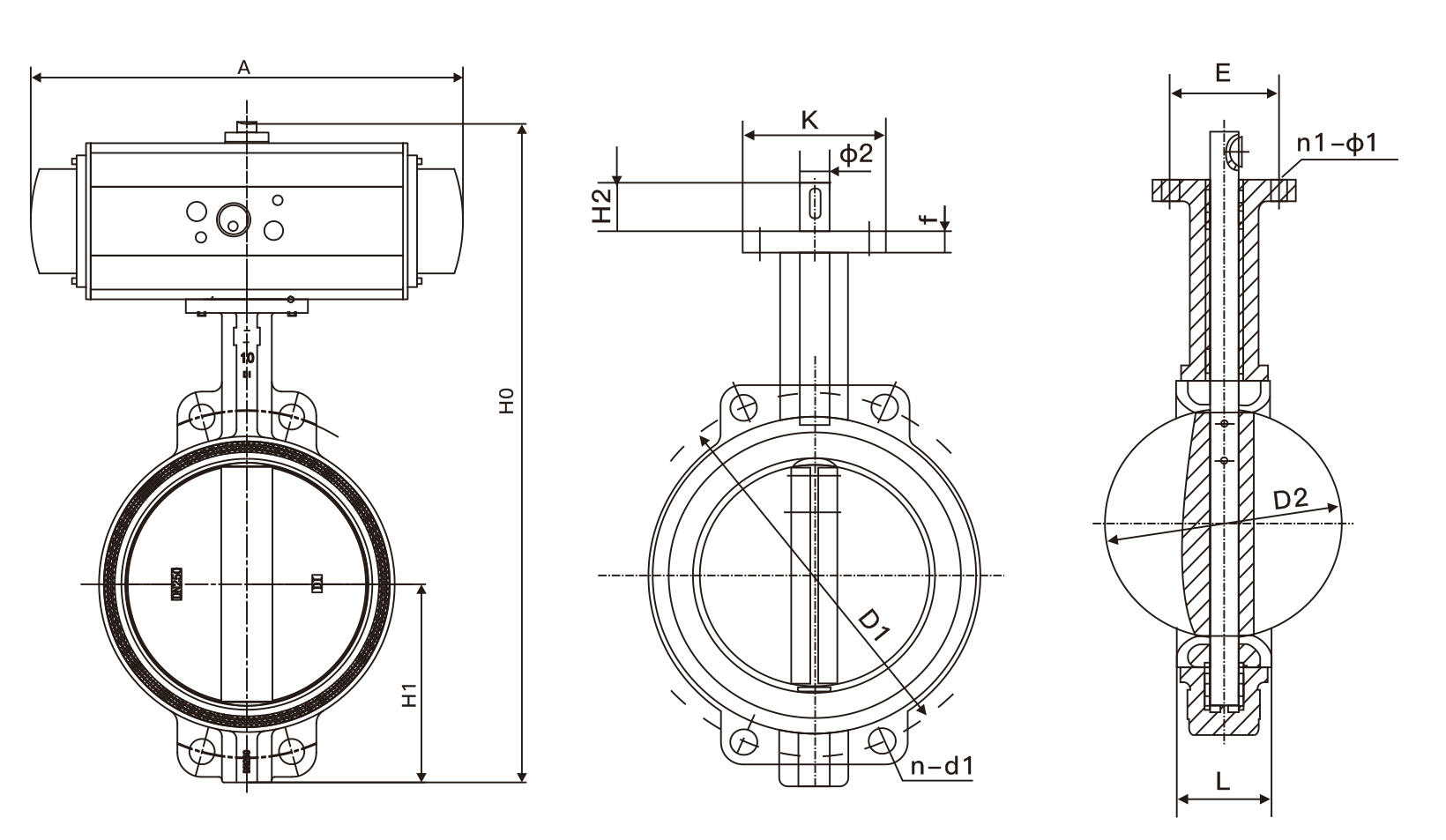
Main contour connection dimensions
|
Structural length |
Overall dimensions (reference value) | Connection size (standard value) | |||||||||
| 0.6MPa | 1.0 MPa | 1.6 MPa | ||||||||||
| mm | inch | L | H | Ho | A | B | D0 | n-d | D0 | n-d | D0 | n-d |
| 50 | 2 | 43 | 63 | 315 | 180 | 65 | 110 | 4-14 | 125 | 4-18 | 125 | 4-18 |
| 65 | 2-1/2 | 46 | 70 | 330 | 180 | 65 | 130 | 4-14 | 146 | 4-18 | 145 | 4-18 |
| 80 | 3 | 46 | 83 | 390 | 245 | 72 | 150 | 4-18 | 160 | 8-18 | 160 | 8-18 |
| 100 | 4 | 52 | 105 | 431 | 240 | 72 | 170 | 4-18 | 180 | 8-18 | 180 | 8-18 |
| 125 | 5 | 56 | 115 | 455 | 240 | 72 | 200 | 8-18 | 210 | 8-18 | 210 | 8-18 |
| 150 | 6 | 56 | 137 | 626 | 350 | 93 | 225 | 8-18 | 240 | 8-22 | 240 | 8-22 |
| 200 | 8 | 60 | 164 | 720 | 350 | 93 | 280 | 8-18 | 295 | 8-22 | 295 | 12-22 |
| 250 | 10 | 68 | 206 | 800 | 550 | 350 | 335 | 12-18 | 350 | 12-22 | 355 | 12-26 |
| 300 | 12 | 78 | 230 | 860 | 600 | 350 | 395 | 12-22 | 400 | 12-22 | 410 | 12-26 |
| 350 | 14 | 78 | 248 | 883 | 600 | 350 | 445 | 12-22 | 460 | 16-22 | 470 | 16-26 |
| 400 | 16 | 102 | 289 | 972 | 600 | 350 | 495 | 16-22 | 515 | 16-26 | 525 | 16-30 |
| 450 | 18 | 114 | 320 | 1043 | 750 | 380 | 550 | 16-22 | 565 | 20-26 | 585 | 20-30 |
| 500 | 20 | 127 | 343 | 1098 | 750 | 380 | 600 | 20-22 | 620 | 20-26 | 650 | 20-33 |
| 600 | 24 | 154 | 413 | 1236 | 750 | 380 | 705 | 20-26 | 725 | 20-30 | 770 | 20-36 |
| 700 | 28 | 165 | 478 | 1431 | 750 | 380 | 810 | 24-26 | 840 | 24-30 | 840 | 24-36 |
| 800 | 32 | 190 | 525 | 1488 | 750 | 380 | 920 | 24-30 | 950 | 24-33 | 950 | 24-39 |
| 900 | 36 | 203 | 620 | 1615 | 1250 | 380 | 1020 | 24-30 | 1050 | 28-33 | 1050 | 28-39 |
| 1000 | 40 | 216 | 725 | 1765 | 1500 | 580 | 1120 | 28-30 | 1160 | 28-36 | 1170 | 28-42 |
| 1200 | 48 | 254 | 780 | 1976 | 1500 | 580 | 1340 | 32-33 | 1380 | 32-39 | 1390 | 32-48 |

Contact us


















+86-021-67895388
shghfmc@163.com
93862333