Air ventilated flanged butterfly valve
Product overview
Pneumatic ventilation flanged butterfly valve is a valve designed for ventilation systems in various industries, mainly composed of pneumatic actuators and ventilation butterfly valves. The material selection of the ventilated butterfly valve is determined according to the high temperature and normal temperature used in the field. The valve is mainly suitable for metallurgy, environmental protection, chemical, power station, glass and other industries in the ventilation system pipeline. Using compressed air as the power to accept industrial signal instructions, drive the valve stem to drive the rotation of the disc to complete the valve switching and adjustment.
Product characteristics
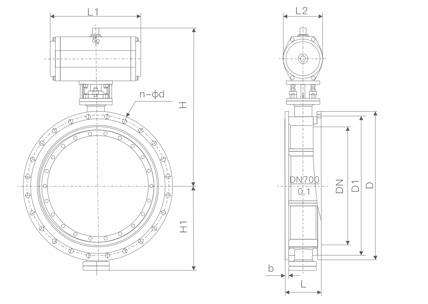
Main connection size
|
structure length | Overall dimensions (reference value) | Connection size (standard value) | weight(kg) | ||||||||
| 0.05MPa和0.25MPa | 0.6MPa | |||||||||||
| mm | inch | L | H | H1 | A | D | D1 | n-d | D | D1 | n-d | |
| 50 | 2 | 108 | 70 | 337 | 180 | 140 | 110 | 4-14 | 140 | 110 | 4-14 | 16 |
| 65 | 2-1/2 | 112 | 80 | 357 | 180 | 160 | 130 | 4-14 | 160 | 130 | 4-14 | 17 |
| 80 | 3 | 114 | 95 | 385 | 180 | 190 | 150 | 4-18 | 190 | 150 | 4-18 | 19 |
| 100 | 4 | 127 | 105 | 405 | 180 | 210 | 170 | 4-18 | 210 | 170 | 4-18 | 22 |
| 125 | 5 | 140 | 120 | 483 | 245 | 240 | 200 | 8-18 | 240 | 200 | 8-18 | 27 |
| 150 | 6 | 140 | 132 | 508 | 245 | 265 | 225 | 8-18 | 265 | 225 | 8-18 | 31 |
| 200 | 8 | 152 | 160 | 566 | 245 | 320 | 280 | 8-18 | 320 | 280 | 8-18 | 47 |
| 250 | 10 | 165 | 187 | 623 | 245 | 375 | 335 | 12-18 | 375 | 335 | 12-18 | 68 |
| 300 | 12 | 178 | 220 | 750 | 355 | 440 | 395 | 12-22 | 440 | 395 | 12-22 | 79 |
| 350 | 14 | 190 | 245 | 803 | 355 | 490 | 445 | 12-22 | 490 | 445 | 12-22 | 130 |
| 400 | 16 | 216 | 270 | 852 | 355 | 540 | 495 | 16-22 | 540 | 495 | 16-22 | 141 |
| 450 | 18 | 222 | 297 | 907 | 355 | 595 | 550 | 16-22 | 595 | 550 | 16-22 | 190 |
| 500 | 20 | 229 | 322 | 960 | 355 | 645 | 600 | 20-22 | 645 | 600 | 20-22 | 225 |
| 600 | 24 | 267 | 377 | 1080 | 550 | 755 | 705 | 20-26 | 755 | 705 | 20-26 | 245 |
| 700 | 28 | 292 | 430 | 1185 | 550 | 860 | 810 | 24-26 | 860 | 810 | 24-26 | 320 |
| 800 | 32 | 318 | 487 | 1300 | 550 | 975 | 920 | 24-30 | 975 | 920 | 24-30 | 405 |
| 900 | 36 | 330 | 537 | 1400 | 550 | 1075 | 1020 | 24-30 | 1075 | 1020 | 24-30 | 500 |
| 1000 | 40 | 410 | 587 | 1500 | 550 | 1175 | 1120 | 28-30 | 1175 | 1120 | 28-30 | 700 |
| 1200 | 48 | 470 | 702 | 1825 | 600 | 1375 | 1320 | 32-30 | 1405 | 1340 | 32-33 | 750 |

Contact us


















+86-021-67895388
shghfmc@163.com
93862333