Electric Triple Offset Flange Butterfly Valve
Product model: D343H/W/Y
Nominal diameter: DN50mm~DN2000mm
Pressure range: PN0.6MPa~6.4MPa
Operating temperature: -40°C~425°C
Applicable medium: heat transfer oil, steam, gas
License standard: JB/T8527
Flange standard: GB/T9113
Length standard: GB/T12221
Inspection standard: GB/T13927
Product Structure Features
The three-eccentric butterfly valve rotates the positive cone angle by one angle to the oblique cone angle, so that the eccentricity of the valve stem and the center of the valve body is reduced, and the opening torque is also reduced. Widely used in metallurgy, electric power, petrochemical, as well as water supply and drainage and municipal construction and other industrial pipelines, for the regulation of flow and load fluid.
Its main structural features are
1. The butterfly plate and the sealing surface open and close without friction, and are forced to seal;
2. Can be installed in any position;
3. Zero leakage structure design;
4. Metal and non-metal, metal and metal sealing methods can be selected;
5. There are one-way valves and two-way valves for customers to choose;
6. Dynamic load type packing can be selected;
7. Low leakage filler can be selected to meet the requirements of ISO 15848;
8. The valve stem can be extended;
9. Cryogenic valves or ultra-cryogenic valves can be designed according to customer requirements.
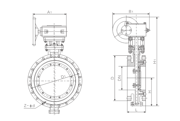
Main external connection dimensions
|
DN |
L |
H |
D343H |
D643H |
0943H |
PN1.6MPa |
PN2.5MPa |
||||||||||||
|
mm |
inch |
short |
long |
H1 |
A1 |
B1 |
H2 |
A2 |
B2 |
H3 |
A3 |
B3 |
D |
D1 |
Z-d |
D |
D1 |
Z-d |
|
|
50 |
2 |
108 |
150 |
112 |
350 |
180 |
200 |
625 |
245 |
72 |
530 |
250 |
255 |
165 |
125 |
4-18 |
165 |
125 |
4-18 |
|
65 |
21/2 |
112 |
170 |
115 |
370 |
180 |
200 |
625 |
245 |
72 |
530 |
250 |
255 |
185 |
145 |
8-18 |
185 |
145 |
8-18 |
|
80 |
3 |
114 |
180 |
120 |
380 |
180 |
200 |
645 |
245 |
72 |
565 |
250 |
255 |
200 |
160 |
8-18 |
200 |
160 |
8-18 |
|
100 |
4 |
127 |
190 |
138 |
420 |
180 |
200 |
675 |
355 |
92 |
600 |
250 |
255 |
220 |
180 |
8-18 |
235 |
190 |
8-22 |
|
125 |
5 |
140 |
200 |
164 |
460 |
180 |
200 |
715 |
355 |
92 |
640 |
250 |
255 |
250 |
210 |
8-18 |
270 |
220 |
8-26 |
|
150 |
6 |
140 |
210 |
175 |
555 |
270 |
280 |
800 |
355 |
92 |
705 |
300 |
315 |
285 |
240 |
8-22 |
300 |
250 |
8-26 |
|
200 |
8 |
152 |
230 |
200 |
760 |
400 |
425 |
850 |
250 |
170 |
775 |
300 |
315 |
340 |
295 |
12-22 |
360 |
310 |
12-26 |
|
250 |
10 |
165 |
250 |
243 |
830 |
400 |
425 |
925 |
250 |
170 |
945 |
300 |
315 |
405 |
355 |
12-26 |
425 |
370 |
12-30 |
|
300 |
12 |
178 |
270 |
250 |
895 |
450 |
560 |
1035 |
450 |
220 |
1070 |
300 |
315 |
460 |
410 |
12-26 |
485 |
430 |
16-30 |
|
350 |
14 |
190 |
290 |
280 |
950 |
450 |
560 |
1070 |
450 |
220 |
1140 |
300 |
315 |
520 |
470 |
16-26 |
555 |
490 |
16-33 |
|
400 |
16 |
216 |
310 |
305 |
1190 |
535 |
580 |
1190 |
450 |
220 |
1210 |
300 |
315 |
580 |
525 |
16-30 |
620 |
550 |
16-36 |
|
450 |
18 |
222 |
330 |
350 |
1255 |
535 |
580 |
1250 |
650 |
280 |
1335 |
575 |
714 |
640 |
585 |
20-30 |
670 |
600 |
20-36 |
|
500 |
20 |
229 |
350 |
380 |
1305 |
535 |
580 |
1290 |
650 |
280 |
1415 |
575 |
714 |
715 |
650 |
20-33 |
730 |
660 |
20-36 |
|
600 |
24 |
267 |
390 |
445 |
1340 |
570 |
660 |
1455 |
850 |
380 |
1605 |
656 |
810 |
840 |
770 |
20-36 |
845 |
770 |
20-39 |
|
700 |
28 |
292 |
430 |
480 |
1520 |
750 |
550 |
1585 |
850 |
380 |
1844 |
656 |
810 |
910 |
840 |
24-36 |
960 |
875 |
24-42 |
|
800 |
32 |
318 |
470 |
530 |
1710 |
750 |
550 |
1700 |
1250 |
380 |
2040 |
656 |
810 |
1025 |
950 |
24-39 |
1085 |
990 |
24-48 |
|
900 |
36 |
330 |
510 |
580 |
1810 |
750 |
550 |
1865 |
1250 |
380 |
2255 |
785 |
863 |
1125 |
1050 |
28-39 |
1185 |
1090 |
28-48 |
|
1000 |
40 |
410 |
550 |
650 |
1960 |
900 |
750 |
2015 |
1250 |
380 |
2380 |
785 |
863 |
1255 |
1170 |
28-42 |
1320 |
1210 |
28-56 |
|
1200 |
48 |
470 |
630 |
760 |
2250 |
1000 |
925 |
2250 |
1250 |
380 |
2640 |
785 |
863 |
1485 |
1390 |
32-48 |
1530 |
1420 |
32-56 |
|
1400 |
56 |
530 |
710 |
850 |
2435 |
1000 |
925 |
|
|
|
2886 |
|
|
1685 |
1590 |
36-48 |
1755 |
1640 |
36-62 |
|
1600 |
64 |
600 |
790 |
1030 |
2780 |
1000 |
980 |
|
|
|
3156 |
|
|
1930 |
1820 |
40-56 |
1975 |
1860 |
40-62 |
|
1800 |
72 |
670 |
870 |
1230 |
3020 |
1100 |
980 |
|
|
|
3421 |
|
|
2130 |
2020 |
44-56 |
2195 |
2070 |
44-70 |

Contact us










+86-021-67895388
shghfmc@163.com
93862333