Double eccentric butterfly valve
Product model: D342X
Nominal diameter: DN50~3000mm
Nominal pressure: PN0.6~1.6MPa
Applicable temperature: 0-80℃
Applicable medium: water, steam, oil, etc.
1.Double eccentric structure design, to avoid the wear of the sealing surface, maintaining the integrity of the seal and high service life.
2.Wide angle seat design to avoid pressing and damaging the valve seat and valve tight contact. Provide longer service life.
3.Two - stage high - strength stem structure to ensure easy maintenance, double eccentric structure makes online maintenance valve seat and valve disc becomes easy and fast.
4.Streamlined spherical disc with high flow coefficient.
5. Internal stem/disc drive, avoiding more leakage paths that may occur when pins or bolts are installed.
6.Flexible retaining ring provides a complementary seating pressure on the disc, not only has the advantages of simple structure and light weight, the driving torque is small, simple, rapid, good flow regulating function and close sealing characteristics.
7. The stem is sealed by high-efficiency PTFE.
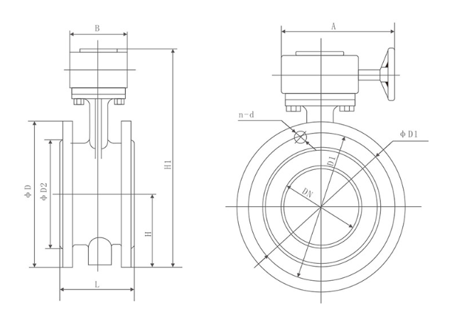
Main external connection dimensions
|
DN |
size |
Flange size and bolt hole size |
|||||||||||
|
L |
H |
H1 |
A |
B |
1.0MPa |
1.6MPa |
|||||||
|
D |
D1 |
D2 |
n-d |
D |
D1 |
D2 |
n-d |
||||||
|
50 |
108 |
82.5 |
306 |
80 |
80 |
165 |
125 |
99 |
4-18 |
165 |
125 |
99 |
4-18 |
|
65 |
112 |
92.5 |
321 |
80 |
80 |
185 |
145 |
118 |
4-18 |
185 |
145 |
118 |
4-18 |
|
80 |
114 |
100 |
346 |
80 |
80 |
200 |
160 |
132 |
8-18 |
200 |
160 |
132 |
8-18 |
|
100 |
127 |
110 |
387 |
95 |
95 |
220 |
180 |
156 |
8-18 |
220 |
180 |
156 |
8-18 |
|
125 |
140 |
125 |
411 |
95 |
95 |
250 |
210 |
184 |
8-18 |
250 |
210 |
184 |
8-18 |
|
150 |
140 |
142.5 |
447 |
95 |
95 |
285 |
240 |
211 |
8-22 |
285 |
240 |
211 |
8-22 |
|
200 |
152 |
170 |
607 |
190 |
308 |
340 |
295 |
266 |
8-22 |
340 |
295 |
266 |
12-22 |
|
250 |
165 |
192.5 |
688 |
190 |
308 |
395 |
350 |
319 |
12-22 |
405 |
355 |
319 |
12-26 |
|
300 |
178 |
222.5 |
742 |
190 |
308 |
445 |
400 |
370 |
12-22 |
460 |
410 |
370 |
12-26 |
|
350 |
190 |
252.5 |
797 |
190 |
308 |
505 |
460 |
429 |
16-22 |
520 |
470 |
429 |
16-26 |
|
400 |
216 |
282.5 |
930 |
270 |
466 |
565 |
515 |
480 |
16-26 |
580 |
525 |
480 |
16-30 |
|
450 |
222 |
307.5 |
975 |
270 |
466 |
615 |
565 |
530 |
20-26 |
640 |
585 |
548 |
20-30 |
|
500 |
229 |
335 |
1065 |
270 |
466 |
670 |
620 |
582 |
20-26 |
715 |
650 |
609 |
20-33 |
|
600 |
267 |
390 |
1225 |
457 |
625 |
780 |
725 |
682 |
20-30 |
840 |
770 |
720 |
20-36 |
|
700 |
292 |
447.5 |
1343 |
457 |
625 |
895 |
840 |
794 |
24-30 |
910 |
840 |
794 |
24-36 |
|
800 |
318 |
507.5 |
1436 |
457 |
625 |
1015 |
950 |
901 |
24-33 |
1025 |
950 |
901 |
24-39 |
|
900 |
330 |
557.5 |
1616 |
598 |
853 |
1115 |
1050 |
1001 |
28-33 |
1125 |
1050 |
1001 |
28-39 |
|
1000 |
410 |
615 |
1711 |
598 |
853 |
1230 |
1160 |
1112 |
28-36 |
1255 |
1170 |
1112 |
28-42 |
|
1200 |
470 |
727.5 |
1971 |
598 |
853 |
1455 |
1380 |
1328 |
32-39 |
1485 |
1390 |
1328 |
32-48 |
|
1400 |
530 |
837.5 |
2218 |
860 |
1345 |
1675 |
1590 |
1530 |
36-42 |
1685 |
1590 |
1530 |
36-48 |
|
1600 |
600 |
957.5 |
2578 |
860 |
1345 |
1915 |
1820 |
1750 |
40-48 |
1930 |
1820 |
1750 |
40-56 |
|
1800 |
670 |
1057.5 |
2689 |
860 |
1345 |
2115 |
2020 |
1950 |
44-48 |
2130 |
2020 |
1950 |
44-56 |
|
2000 |
760 |
1162.5 |
3022 |
952 |
1592 |
2325 |
2230 |
2150 |
48-48 |
2345 |
2230 |
2150 |
48-62 |

Contact us










+86-021-67895388
shghfmc@163.com
93862333