All copper oxygen lift check valve
Product overview
Performance characteristics
1, the valve is generally suitable for clean media, not suitable for media containing solid particles and large viscosity.
2,
the valve bushing is made of special materials with good wear
resistance and small friction coefficient, flexible and reliable action,
and excellent sealing performance.
3.
The valve has novel structure, small size, light weight, small fluid
resistance, stable opening and closing, long service life, oil pressure
and slow closing are not affected by the medium, and has good
energy-saving effect.
4,
the valve can be installed at the pump outlet, can avoid the production
of water hammer, water percussion sound and destructive impact, to
prevent countercurrent and protect the purpose of equipment.

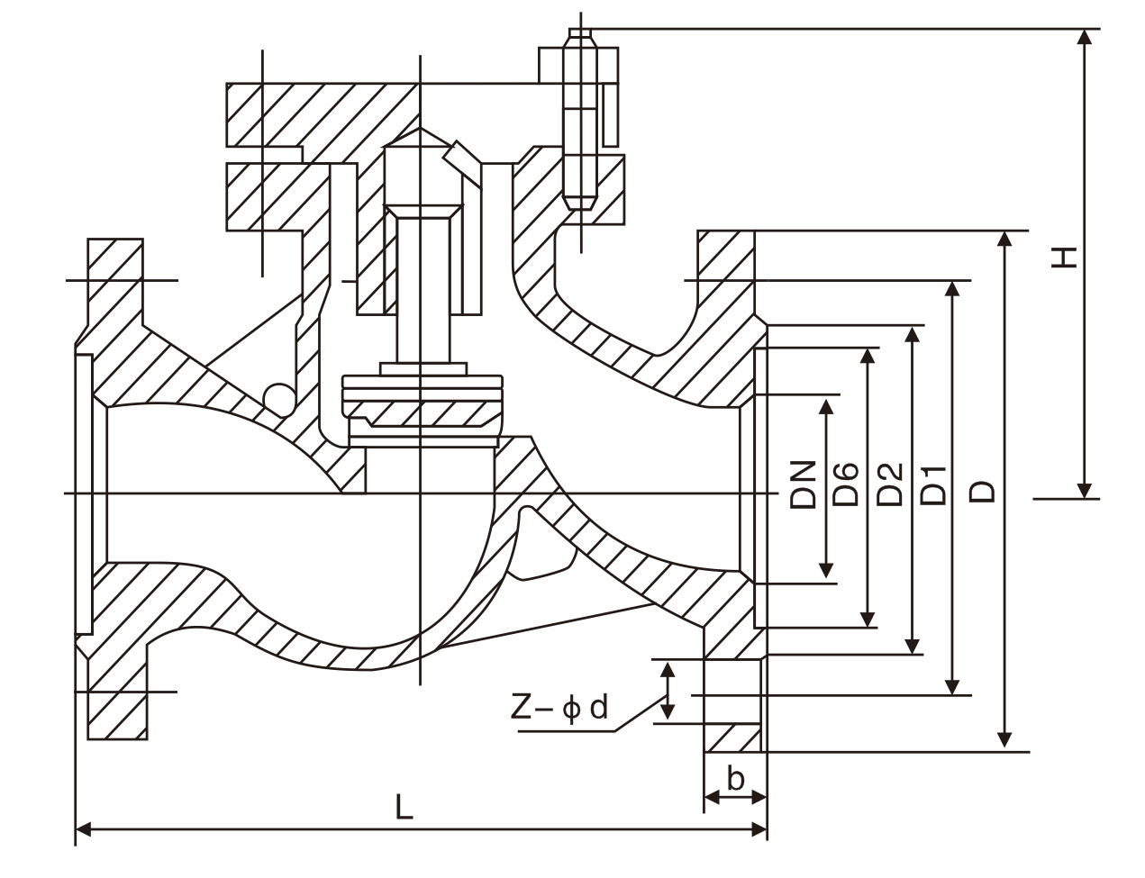
Main contour connection dimensions
|
Model |
|
size㎜ |
||||||
|
L |
D |
D1 |
D2 |
Z-фd |
b |
H |
||
|
HY41W-16T |
15 |
130 |
95 |
65 |
45 |
4-ф14 |
14 |
77 |
|
20 |
150 |
105 |
75 |
55 |
4-ф14 |
14 |
77 |
|
|
25 |
160 |
115 |
85 |
65 |
4-ф14 |
16 |
80 |
|
|
32 |
180 |
135 |
100 |
78 |
4-ф18 |
16 |
85 |
|
|
40 |
200 |
145 |
110 |
85 |
4-ф18 |
16 |
95 |
|
|
50 |
230 |
160 |
125 |
100 |
4-ф18 |
16 |
105 |
|
|
65 |
290 |
180 |
145 |
120 |
4-ф18 |
18 |
120 |
|
|
80 |
310 |
195 |
160 |
135 |
8-ф18 |
20 |
130 |
|
|
100 |
350 |
215 |
180 |
155 |
8-ф18 |
20 |
140 |
|
|
125 |
400 |
245 |
210 |
185 |
8-ф18 |
22 |
155 |
|
|
150 |
480 |
280 |
240 |
210 |
8-ф23 |
24 |
180 |
|
|
200 |
600 |
335 |
295 |
265 |
12-ф23 |
26 |
215 |
|
|
HY41W-25T |
15 |
130 |
95 |
65 |
45 |
4-ф14 |
16 |
77 |
|
20 |
150 |
105 |
75 |
55 |
4-ф14 |
16 |
77 |
|
|
25 |
160 |
115 |
85 |
65 |
4-ф14 |
16 |
80 |
|
|
32 |
180 |
135 |
100 |
78 |
4-ф18 |
18 |
85 |
|
|
40 |
200 |
145 |
110 |
85 |
4-ф18 |
18 |
95 |
|
|
50 |
230 |
160 |
125 |
100 |
4-ф18 |
20 |
105 |
|
|
65 |
290 |
180 |
145 |
120 |
8-ф18 |
22 |
120 |
|
|
80 |
310 |
195 |
160 |
135 |
8-ф18 |
22 |
130 |
|
|
100 |
350 |
230 |
190 |
160 |
8-ф23 |
24 |
140 |
|
|
125 |
400 |
270 |
220 |
188 |
8-ф25 |
28 |
155 |
|
|
150 |
480 |
300 |
250 |
218 |
8-ф25 |
30 |
180 |
|
|
200 |
600 |
360 |
310 |
278 |
12-ф30 |
34 |
215 |
|

Contact us








+86-021-67895388
shghfmc@163.com
93862333