Oxygen stainless steel ball valve
Nominal diameter: DN125-450mm
Nominal pressure: PN1.6~4.0MPa
Working temperature: -20~150 ℃
Valve body material: silicon brass, stainless steel
Applicable media: oxygen, nitrogen, air, etc
Oxygen dedicated ball valve is a type of valve specifically designed for oxygen pipeline networks. It not only has the function of ordinary ball valves, but also has the characteristics of good flame retardancy, good conductivity, fast heat transfer performance, compact structure, oil resistance, safety and reliability. With the development of the metallurgical industry. Oxygen specific ball valves, along with oxygen specific globe valves, are widely used in industries such as steel, metallurgy, pharmaceuticals, and chemical engineering.
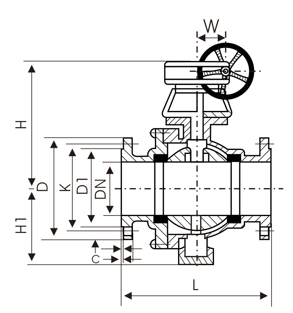
Main connect dimensions
|
Nominal pressureMpa |
Nominal diameter DN(mm) |
D |
D1 |
D2 |
K |
L |
f |
f1 |
C |
z-d |
H |
H1 |
W |
|
1.6 |
125 |
245 |
185 |
/ |
210 |
381 |
3 |
/ |
20 |
8-φ18 |
252 |
195 |
115 |
|
150 |
280 |
210 |
/ |
240 |
403 |
3 / |
24 |
8-φ23 |
272 |
215 |
115 |
||
|
200 |
335 |
295 |
/ |
295 |
502 |
3 |
/ |
26 |
12-φ23 |
342 |
295 |
115 |
|
|
250 |
405 |
320 |
/ |
355 |
568 |
3 / |
30 |
12-φ25 |
495 |
335 |
115 |
||
|
300 |
460 |
375 |
/ |
410 |
648 |
4 |
/ |
30 |
12-φ25 |
580 |
385 |
171 |
|
|
350 |
520 |
435 |
/ |
470 |
762 |
4 / |
34 |
16-φ25 |
625 |
430 |
171 |
||
|
400 |
580 |
485 |
/ |
525 |
838 |
4 |
/ |
36 |
16-φ30 |
720 |
470 |
171 |
|
|
450 |
640 |
545 |
/ |
585 |
914 |
4 / |
40 |
20-φ30 |
800 |
560 |
171 |
||
|
2.5 |
125 |
270 |
188 |
/ |
220 |
381 |
3 |
/ |
28 |
8-φ25 |
252 |
195 |
115 |
|
150 |
300 |
218 |
/ |
250 |
403 |
3 / |
30 |
8-φ25 |
272 |
215 |
115 |
||
|
200 |
360 |
278 |
/ |
310 |
502 |
3 |
/ |
34 |
12-φ25 |
324 |
295 |
115 |
|
|
250 |
425 |
332 |
/ |
370 |
568 |
3 / |
36 |
12-φ30 |
495 |
335 |
115 |
||
|
300 |
485 |
390 |
/ |
430 |
648 |
4 |
/ |
40 |
16-φ30 |
580 |
385 |
171 |
|
|
350 |
550 |
448 |
/ |
490 |
762 |
4 / |
44 |
16-φ34 |
625 |
430 |
171 |
||
|
400 |
610 |
505 |
/ |
550 |
838 |
4 |
/ |
48 |
16-φ34 |
720 |
470 |
171 |
|
|
450 |
660 |
555 |
/ |
600 |
914 |
4 / |
50 |
20-φ34 |
800 |
560 |
171 |
||
|
4.0 |
125 |
270 |
188 |
176 |
220 |
381 |
3 |
4.5 |
28 |
8-φ25 |
252 |
195 |
115 |
|
150 |
300 |
218 |
204 |
250 |
403 |
3 4.5 |
30 |
8-φ25 |
272 |
215 |
115 |
||
|
200 |
375 |
282 |
260 |
320 |
502 |
3 |
4.5 |
38 |
12-φ30 |
398 |
295 |
115 |
|
|
250 |
445 |
345 |
313 |
385 |
568 |
3 4.5 |
42 |
12-φ34 |
495 |
335 |
115 |
||
|
300 |
510 |
408 |
364 |
450 |
648 |
4 |
4.5 |
46 |
16-φ34 |
580 |
385 |
171 |
|
|
350 |
570 |
465 |
422 |
510 |
762 |
4 5 |
52 |
16-φ34 |
625 |
430 |
171 |
||
|
400 |
655 |
535 |
474 |
585 |
838 |
4 |
5 |
58 |
16-φ41 |
720 |
470 |
171 |
|
|
450 |
680 |
560 |
524 |
610 |
914 |
4 5 |
60 |
20-φ41 |
820 |
560 |
171 |
||

Contact us








+86-021-67895388
shghfmc@163.com
93862333