新型管夹阀
产品型号:GJ841X、GJ341X
公称通径:DN40-300
公称压力:PN0.6-1.6MPa
适用介质:纸浆、污水、矿渣、煤渣、泥沙等
适用温度:-30-85℃
主要材质:铝合金、铸铁、铸钢等
法兰执行标准:JB/80-91
管阀同径:结构新颖简单,橡胶套内径与管道相同,局部阻力损失小。
无泄漏:无密封点,控制介质空间和阀门通道完全隔离,不存在内外泄漏。
含杂关闭:依靠橡胶套变形实现启闭,即使流体含固体颗粒或纤维杂质也不会阻塞,均可完全迅速地将其包裹关闭。
适用面广:结构简单,仅三个部件,可代替体积大、结构复杂的阀门,尤其适用于有防爆要求的场合。
高效长寿:含增强帘布的橡胶管套,能够经受高频率的启闭作业,耐酸、碱和化学介质,具有很长的使用寿命。
安装简单:阀门安装无方向性,使用管道无需清洗,一旦将橡胶套损坏,更换简单迅速。
控制方便:根据需要可实现就地或远距离自动化操作控制。
工作原理
控制介质未输入时,橡胶管套和阀体之间的空腔与大气连通,胶套受流体压力处于向外张紧状态。因为管套内有一定角度排列的增强帘布层,使管套轴向和径向压力相互平衡,所以管套的长度与直径不会因为流体压力而变化,当控制介质进入管套与阀体之间的空腔时,橡胶管套在介质压力下变形截流。
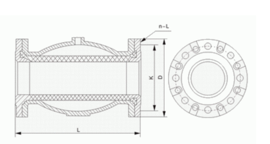
主要连接尺寸
|
口径 |
L |
H |
D |
K |
n-L |
|
DN40 |
150 |
40 |
145 |
110 |
4-18 |
|
DN50 |
180 |
60 |
160 |
125 |
4-18 |
|
DN65 |
180 |
60 |
180 |
145 |
4-18 |
|
DN80 |
220 |
75 |
195 |
160 |
4-18 |
|
DN100 |
280 |
95 |
215 |
180 |
8-18 |
|
DN125 |
345 |
120 |
245 |
210 |
8-18 |
|
DN150 |
414 |
145 |
280 |
240 |
8-23 |
|
DN200 |
550 |
182 |
335 |
295 |
8-23 |
|
DN250 |
680 |
229 |
390 |
350 |
12-23 |
|
DN300 |
820 |
278 |
440 |
400 |
12-23 |
随着经济高速发展,市场竞争越来越激烈,用户对阀门产品的要求也越来越多,并且对服务的要求也越来越高;我司销售部门为适应市场发展的要求,专业设立了服务培训组,为服务质量添加完善的工作,我司的售前、售中、售后服务工作经由专业的销售员来完成。
一、冠环阀门售前服务:
做到技术与销售的良好结合,让用户的每一次采购都有较好的服务体验。
①进行采购前产品技术沟通和交流,主动给予建议。
②在进行产品型号选择时考虑是否成本合理工矿效率等问题。
③不能达到工矿要求时,根据客户的特殊要求,安排设计师合理改善。
二、冠环阀门售中服务:
尊重每位用户;给用户一份省心,放心的整体价值服务。
①进行性价比:比价格,比质量,比服务,反思是否有不做到位的地方。
②严格按相关标准和技术要求进行阀门的检测和试验。
③在合作过程中,依照合同,保质保量准时交货,随时保持与用户联系。
④定制期间,相关技术人员可来我司进行产品监造和检验,同时,我司会提供该产品的结构图及详细文件资料,来做监造文件。
⑤对特殊工矿或定做的产品,可协商专业技术员亲临现场指导。
⑥我公司在发货前以电话进行产品型号、口径、数量、件数的确认。
三、冠环阀门售后服务:
好的服务铸就好的企业让客户无后顾之忧。
①按合同要求提供产品的合格证、检验报告、安装说明书等。
②顾客在验收产品过程中,如出现与合同要求不符时,我司接到顾客通知后两小时内给予处理。
③我司提供十二个月的产品质保期,时间从验收合格之日起计算。
④在正确安装和使用下,出现产品质量问题,本公司将负责到底。
冠环阀门包修包换承诺:
①在正常的储运、安装、保养、使用条件下,因产品的质量问题不能正常使用时,提供三保四包: 保质、保量、保及时、包修、包换、包退、包损失。
②在接到质量信息反馈时,将在24小时内提出处理意见,并做到100小时内赶到现场做处理。
③可根据用户需求协商提供备品、备件和安装、调试、维修服务。
为了让您采购到满意的阀门,减少阀门订购过程出现的问题,也是提高我们工作人员的工作效率。我们希望您提供详尽的订货需求,以便我们为您提高更周到的服务!
阀门订货说明:
1、①产品名称与型号,②公称直径,③阀体材质,④公称压力,⑤使用介质,⑥使用温度,⑦驱动方式,⑧是否带附件,以便我们的为您正确选型。
2、如有特殊要求时请在订购产品时注明。
3、若已经由设计单位选定的型号,请按型号直接向我司销售部订购。
4、当使用的场合非常重要或环境比较复杂时,请您尽量提供设计图。
欢迎您访问我们的网站,如有任何疑问,您可以致电给我们,我们一定会尽心尽力为您提供高品质的服务,详细咨询:15000098987。

我要咨询













021-67895388
shghfmc@163.com
93862333