API 602锻钢截止阀
产品型号:J41Y
公称通径:DN15-DN50,1/2"-2"
公称压力:150LB-1500LB
适用介质:水、油、蒸汽等
适用温度:-20℃-550℃
阀体材质:A105、不锈钢
连接方式:法兰连接
产品概述
作为截止阀的一种,所有用锻件材料加工而成的闸阀统称为锻钢闸阀,锻件材料有A105、F11、F5、304、304L、3 16、316L等。主要适用于火力电站各种系统的管路上,可用于控制空气、水、蒸汽、各种腐蚀性介质、泥浆、油品、液态金属和放射性介质等各种类型流体的流动。
其主要结构特点有
1、 启闭迅速;
2 、密封面启闭无磨损,使用寿命较长;
3、 结构比较简单,维修性较好。
4 、全开时,密封面受工作介质冲蚀很小;
5 、可选择软密封结构;
6 、可选择Y型阀体结构;
7 、可选择自动密封结构阀盖或焊接阀盖;
8 、可选择动负载式填料;
9、 可选择低泄露填料满足ISO 15848要求;
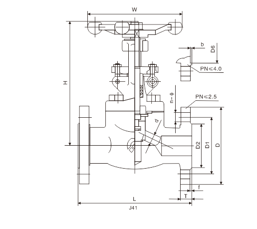
主要外形连接尺寸和重量
| NPS(in) | 1/2" | 3/4" | 1" | 1-1/4" | 1-1/2" | 2" | ||
|
L(RF) L1(BW) |
150Lb | 108 | 117 | 127 | 140 | 165 | 203 | |
| 300Lb | 152 | 178 | 203 | 216 | 229 | 267 | ||
| 600Lb | 165 | 190 | 216 | 229 | 241 | 292 | ||
| H(开) | 150Lb~300Lb | 166 | 171 | 207 | 240 | 258 | 330 | |
| 600Lb | 171 | 207 | 240 | 258 | 330 | 380 | ||
| W | 100 | 100 | 125 | 160 | 160 | 180 | ||
| 重量 (Kg) | 150Lb | RF | 4.5 | 6.9 | 9.8 | 13.5 | 19.5 | 28.0 |
| BW | 2.3 | 3.6 | 7.8 | 8.2 | 12.0 | 15.0 | ||
| 300Lb | RF | 4.8 | 7.7 | 11.0 | 16.8 | 21.2 | 32.6 | |
| BW | 2.8 | 4.0 | 8.5 | 9.2 | 12.6 | 16.8 | ||
| 600Lb | RF | 5.6 | 7.8 | 12.5 | 17.0 | 23.5 | 38.8 | |
| BW | 3.4 | 4.7 | 9.2 | 10.5 | 13.3 |
18.9 |
||
随着经济高速发展,市场竞争越来越激烈,用户对阀门产品的要求也越来越多,并且对服务的要求也越来越高;我司销售部门为适应市场发展的要求,专业设立了服务培训组,为服务质量添加完善的工作,我司的售前、售中、售后服务工作经由专业的销售员来完成。
一、冠环阀门售前服务:
做到技术与销售的良好结合,让用户的每一次采购都有较好的服务体验。
①进行采购前产品技术沟通和交流,主动给予建议。
②在进行产品型号选择时考虑是否成本合理工矿效率等问题。
③不能达到工矿要求时,根据客户的特殊要求,安排设计师合理改善。
二、冠环阀门售中服务:
尊重每位用户;给用户一份省心,放心的整体价值服务。
①进行性价比:比价格,比质量,比服务,反思是否有不做到位的地方。
②严格按相关标准和技术要求进行阀门的检测和试验。
③在合作过程中,依照合同,保质保量准时交货,随时保持与用户联系。
④定制期间,相关技术人员可来我司进行产品监造和检验,同时,我司会提供该产品的结构图及详细文件资料,来做监造文件。
⑤对特殊工矿或定做的产品,可协商专业技术员亲临现场指导。
⑥我公司在发货前以电话进行产品型号、口径、数量、件数的确认。
三、冠环阀门售后服务:
好的服务铸就好的企业让客户无后顾之忧。
①按合同要求提供产品的合格证、检验报告、安装说明书等。
②顾客在验收产品过程中,如出现与合同要求不符时,我司接到顾客通知后两小时内给予处理。
③我司提供十二个月的产品质保期,时间从验收合格之日起计算。
④在正确安装和使用下,出现产品质量问题,本公司将负责到底。
冠环阀门包修包换承诺:
①在正常的储运、安装、保养、使用条件下,因产品的质量问题不能正常使用时,提供三保四包: 保质、保量、保及时、包修、包换、包退、包损失。
②在接到质量信息反馈时,将在24小时内提出处理意见,并做到100小时内赶到现场做处理。
③可根据用户需求协商提供备品、备件和安装、调试、维修服务。
为了让您采购到满意的阀门,减少阀门订购过程出现的问题,也是提高我们工作人员的工作效率。我们希望您提供详尽的订货需求,以便我们为您提高更周到的服务!
阀门订货说明:
1、①产品名称与型号,②公称直径,③阀体材质,④公称压力,⑤使用介质,⑥使用温度,⑦驱动方式,⑧是否带附件,以便我们的为您正确选型。
2、如有特殊要求时请在订购产品时注明。
3、若已经由设计单位选定的型号,请按型号直接向我司销售部订购。
4、当使用的场合非常重要或环境比较复杂时,请您尽量提供设计图。
欢迎您访问我们的网站,如有任何疑问,您可以致电给我们,我们一定会尽心尽力为您提供高品质的服务,详细咨询:15000098987。

我要咨询













021-67895388
shghfmc@163.com
93862333