氨用球阀
产品型号:Q41B、Q41F
公称通径:DN15-200
公称压力:PN1.6~4.0MPa
温度范围:-40℃~80℃
适用介质:液氨、液化天然气等低温介质
主要材质:铸钢、不锈钢等
法兰连接:JB/T79-94,GB9113, HG/T-20592
结构长度:GB/T12221
产品概述
氨用球阀采用成形聚四氟乙烯填料,适用于大多数高中压气氨、液氨输送场合,手柄操作力矩平稳,O形密封圈用来防止外部杂质进入阀门内部。并保持阀门长期密封性能,大于DN150的球阀采用蜗轮驱动。
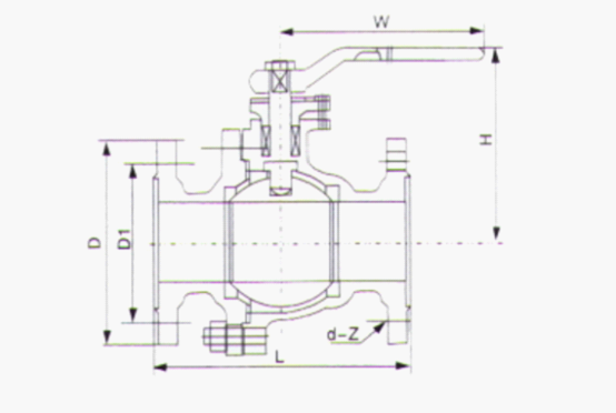
主要外形连接尺寸
|
型 号 |
通径 DN |
主要外形尺寸(mm) |
|||||
|
L |
H |
D |
D1 |
d-z |
W |
||
|
Q41B-16 |
15 |
130 |
76 |
95 |
65 |
14-4 |
130 |
|
20 |
150 |
82 |
105 |
75 |
14-4 |
130 |
|
|
25 |
160 |
94 |
115 |
85 |
14-4 |
160 |
|
|
32 |
165 |
103 |
135 |
100 |
18-4 |
160 |
|
|
40 |
180 |
155 |
145 |
110 |
18-4 |
230 |
|
|
50 |
200 |
160 |
160 |
125 |
18-4 |
230 |
|
|
65 |
220 |
177 |
180 |
145 |
18-4 |
400 |
|
|
80 |
250 |
215 |
195 |
160 |
18-8 |
400 |
|
|
100 |
280 |
245 |
215 |
180 |
18-8 |
700 |
|
|
125 |
320 |
260 |
245 |
210 |
18-8 |
1100 |
|
|
150 |
360 |
270 |
280 |
240 |
23-8 |
1100 |
|
|
200 |
400 |
370 |
335 |
295 |
23-12 |
1500 |
|
|
250 |
533 |
- |
405 |
355 |
25-12 |
- |
|
|
300 |
610 |
- |
460 |
410 |
25-12 |
- |
|
|
Q41B-25 |
15 |
130 |
76 |
95 |
65 |
14-4 |
130 |
|
20 |
150 |
82 |
105 |
75 |
14-4 |
130 |
|
|
25 |
160 |
94 |
115 |
85 |
14-4 |
160 |
|
|
32 |
165 |
153 |
135 |
100 |
18-4 |
160 |
|
|
40 |
180 |
162 |
145 |
110 |
18-4 |
230 |
|
|
50 |
200 |
175 |
160 |
125 |
18-4 |
230 |
|
|
65 |
220 |
190 |
180 |
145 |
18-8 |
400 |
|
|
80 |
250 |
215 |
195 |
160 |
18-8 |
400 |
|
|
100 |
280 |
245 |
215 |
180 |
18-8 |
700 |
|
|
125 |
320 |
260 |
245 |
210 |
23-8 |
1100 |
|
|
150 |
360 |
275 |
280 |
240 |
23-8 |
1100 |
|
|
200 |
400 |
- |
335 |
295 |
23-12 |
- |
|
|
250 |
568 |
- |
425 |
370 |
30-12 |
- |
|
|
300 |
648 |
- |
485 |
430 |
30-16 |
- |
|
|
Q41B-40 |
15 |
130 |
103 |
95 |
65 |
14-4 |
130 |
|
20 |
150 |
112 |
105 |
75 |
14-4 |
130 |
|
|
25 |
160 |
123 |
115 |
85 |
14-4 |
160 |
|
|
32 |
180 |
150 |
135 |
100 |
18-4 |
160 |
|
|
40 |
200 |
165 |
145 |
110 |
18-4 |
230 |
|
|
50 |
220 |
172 |
160 |
125 |
18-4 |
230 |
|
|
65 |
250 |
197 |
180 |
145 |
18-8 |
400 |
|
|
80 |
280 |
222 |
195 |
160 |
18-8 |
400 |
|
|
100 |
320 |
236 |
230 |
190 |
23-8 |
700 |
|
|
125 |
400 |
236 |
270 |
220 |
25-8 |
1100 |
|
|
150 |
403 |
295 |
300 |
250 |
25-8 |
1500 |
|
|
200 |
550 |
- |
375 |
320 |
30-12 |
1500 |
|
|
250 |
787 |
- |
470 |
400 |
41-12 |
- |
|
|
300 |
838 |
- |
530 |
460 |
41-16 |
- |
|
随着经济高速发展,市场竞争越来越激烈,用户对阀门产品的要求也越来越多,并且对服务的要求也越来越高;我司销售部门为适应市场发展的要求,专业设立了服务培训组,为服务质量添加完善的工作,我司的售前、售中、售后服务工作经由专业的销售员来完成。
一、冠环阀门售前服务:
做到技术与销售的良好结合,让用户的每一次采购都有较好的服务体验。
①进行采购前产品技术沟通和交流,主动给予建议。
②在进行产品型号选择时考虑是否成本合理工矿效率等问题。
③不能达到工矿要求时,根据客户的特殊要求,安排设计师合理改善。
二、冠环阀门售中服务:
尊重每位用户;给用户一份省心,放心的整体价值服务。
①进行性价比:比价格,比质量,比服务,反思是否有不做到位的地方。
②严格按相关标准和技术要求进行阀门的检测和试验。
③在合作过程中,依照合同,保质保量准时交货,随时保持与用户联系。
④定制期间,相关技术人员可来我司进行产品监造和检验,同时,我司会提供该产品的结构图及详细文件资料,来做监造文件。
⑤对特殊工矿或定做的产品,可协商专业技术员亲临现场指导。
⑥我公司在发货前以电话进行产品型号、口径、数量、件数的确认。
三、冠环阀门售后服务:
好的服务铸就好的企业让客户无后顾之忧。
①按合同要求提供产品的合格证、检验报告、安装说明书等。
②顾客在验收产品过程中,如出现与合同要求不符时,我司接到顾客通知后两小时内给予处理。
③我司提供十二个月的产品质保期,时间从验收合格之日起计算。
④在正确安装和使用下,出现产品质量问题,本公司将负责到底。
冠环阀门包修包换承诺:
①在正常的储运、安装、保养、使用条件下,因产品的质量问题不能正常使用时,提供三保四包: 保质、保量、保及时、包修、包换、包退、包损失。
②在接到质量信息反馈时,将在24小时内提出处理意见,并做到100小时内赶到现场做处理。
③可根据用户需求协商提供备品、备件和安装、调试、维修服务。
为了让您采购到满意的阀门,减少阀门订购过程出现的问题,也是提高我们工作人员的工作效率。我们希望您提供详尽的订货需求,以便我们为您提高更周到的服务!
阀门订货说明:
1、①产品名称与型号,②公称直径,③阀体材质,④公称压力,⑤使用介质,⑥使用温度,⑦驱动方式,⑧是否带附件,以便我们的为您正确选型。
2、如有特殊要求时请在订购产品时注明。
3、若已经由设计单位选定的型号,请按型号直接向我司销售部订购。
4、当使用的场合非常重要或环境比较复杂时,请您尽量提供设计图。
欢迎您访问我们的网站,如有任何疑问,您可以致电给我们,我们一定会尽心尽力为您提供高品质的服务,详细咨询:15000098987。

我要咨询









021-67895388
shghfmc@163.com
93862333