产品概述
旋启式止回阀支管两端为焊结结构,焊结坡口可按标准或用户要求制作。具有耐磨、耐高温、抗腐蚀、抗擦伤、使用寿命长等优点。适用于工作压力Class 1500~2500,工作温度-29~570℃的火电厂、石油化工、冶金等高温高压的水、蒸气、油品、过热蒸汽的管道上,作防止介质回流的装置。
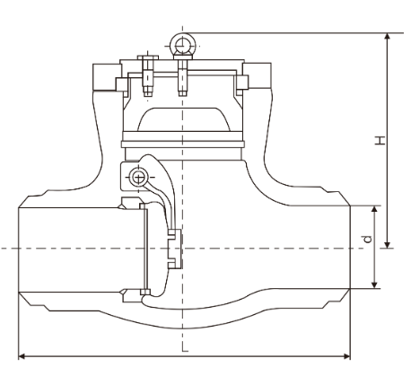
主要外形连接尺寸(H64Y-1500Lb H64Y-250/P55140V)
| NPS(in) | d | L | H | WT(kg) |
| 2-1/2 | 62 | 419 | 282 | 57 |
| 3 | 74 | 470 | 300 | 57 |
| 4 | 100 | 546 | 350 | 80 |
| 5 | 144 | 673 | 425 | 115 |
| 6 | 144 | 705 | 400 | 180 |
| 8 | 292 | 832 | 490 | 270 |
| 10 | 239 | 991 | 540 | 430 |
| 12 | 287 | 113 | 650 | 630 |
| 14 | 315 | 1257 | 710 | 1400 |
(H64Y-2000Lb H64Y-320/P55170V)
| NPS(in) | d | L | H | WT(kg) |
| 2-1/2 | 50 | 330 | 240 | 40 |
| 3 | 60 | 368 | 305 | 60 |
| 4 | 80 | 457 | 315 | 95 |
| 5 | 96 | 533 | 409 | 170 |
| 6 | 118 | 610 | 465 | 186 |
| 8 | 147 | 762 | 528 | 415 |
| 10 | 180 | 914 | 613 | 658 |
| 12 | 222 | 1041 | 680 | 1200 |
| 14 | 254 | 1118 | 745 | 1638 |
(H64Y-2500Lb H64Y-420/P55250V)
| NPS(in) | d | L | H | WT(kg) |
| 3 | 62 | 578 | 297 | 44 |
| 4 | 81 | 673 | 385 | 110 |
| 5 | 86 | 794 | 410 | 130 |
| 6 | 131 | 914 | 455 | 192 |
| 8 | 179 | 1022 | 557 | 466 |
| 10 | 223 | 1270 | 615 | 730 |
| 12 | 265 | 1422 | 715 | 1120 |
| 14 | 292 | 1118 | 790 | 1495 |
| 16 | 333 | 1245 | 815 | 1950 |
| 18 | 374 | 1397 | 815 | 2400 |
随着经济高速发展,市场竞争越来越激烈,用户对阀门产品的要求也越来越多,并且对服务的要求也越来越高;我司销售部门为适应市场发展的要求,专业设立了服务培训组,为服务质量添加完善的工作,我司的售前、售中、售后服务工作经由专业的销售员来完成。
一、冠环阀门售前服务:
做到技术与销售的良好结合,让用户的每一次采购都有较好的服务体验。
①进行采购前产品技术沟通和交流,主动给予建议。
②在进行产品型号选择时考虑是否成本合理工矿效率等问题。
③不能达到工矿要求时,根据客户的特殊要求,安排设计师合理改善。
二、冠环阀门售中服务:
尊重每位用户;给用户一份省心,放心的整体价值服务。
①进行性价比:比价格,比质量,比服务,反思是否有不做到位的地方。
②严格按相关标准和技术要求进行阀门的检测和试验。
③在合作过程中,依照合同,保质保量准时交货,随时保持与用户联系。
④定制期间,相关技术人员可来我司进行产品监造和检验,同时,我司会提供该产品的结构图及详细文件资料,来做监造文件。
⑤对特殊工矿或定做的产品,可协商专业技术员亲临现场指导。
⑥我公司在发货前以电话进行产品型号、口径、数量、件数的确认。
三、冠环阀门售后服务:
好的服务铸就好的企业让客户无后顾之忧。
①按合同要求提供产品的合格证、检验报告、安装说明书等。
②顾客在验收产品过程中,如出现与合同要求不符时,我司接到顾客通知后两小时内给予处理。
③我司提供十二个月的产品质保期,时间从验收合格之日起计算。
④在正确安装和使用下,出现产品质量问题,本公司将负责到底。
冠环阀门包修包换承诺:
①在正常的储运、安装、保养、使用条件下,因产品的质量问题不能正常使用时,提供三保四包: 保质、保量、保及时、包修、包换、包退、包损失。
②在接到质量信息反馈时,将在24小时内提出处理意见,并做到100小时内赶到现场做处理。
③可根据用户需求协商提供备品、备件和安装、调试、维修服务。
为了让您采购到满意的阀门,减少阀门订购过程出现的问题,也是提高我们工作人员的工作效率。我们希望您提供详尽的订货需求,以便我们为您提高更周到的服务!
阀门订货说明:
1、①产品名称与型号,②公称直径,③阀体材质,④公称压力,⑤使用介质,⑥使用温度,⑦驱动方式,⑧是否带附件,以便我们的为您正确选型。
2、如有特殊要求时请在订购产品时注明。
3、若已经由设计单位选定的型号,请按型号直接向我司销售部订购。
4、当使用的场合非常重要或环境比较复杂时,请您尽量提供设计图。
欢迎您访问我们的网站,如有任何疑问,您可以致电给我们,我们一定会尽心尽力为您提供高品质的服务,详细咨询:15000098987。

我要咨询










021-67895388
shghfmc@163.com
93862333