Stainless steel lift check valve
Product overview
Product characteristics
1, check valve product design and manufacturing according to GB/T 12235 design and manufacturing inspection, reliable sealing, excellent performance.
2, the sealing surface of the valve disc and seat is made of stellite cobalt-based cemented carbide surfacing, wear resistance, high temperature resistance, good abrasion resistance and long service life.
3. Various pipe flange standards and flange sealing surface types can be used to meet various engineering needs and user requirements.
4, the body material variety is complete, fillers, gaskets according to the actual conditions or user requirements reasonable selection, can be applied to a variety of pressure, temperature and medium conditions.
5, can be manufactured according to user requirements of different structural forms and connection forms of check valves, for various equipment supporting use.
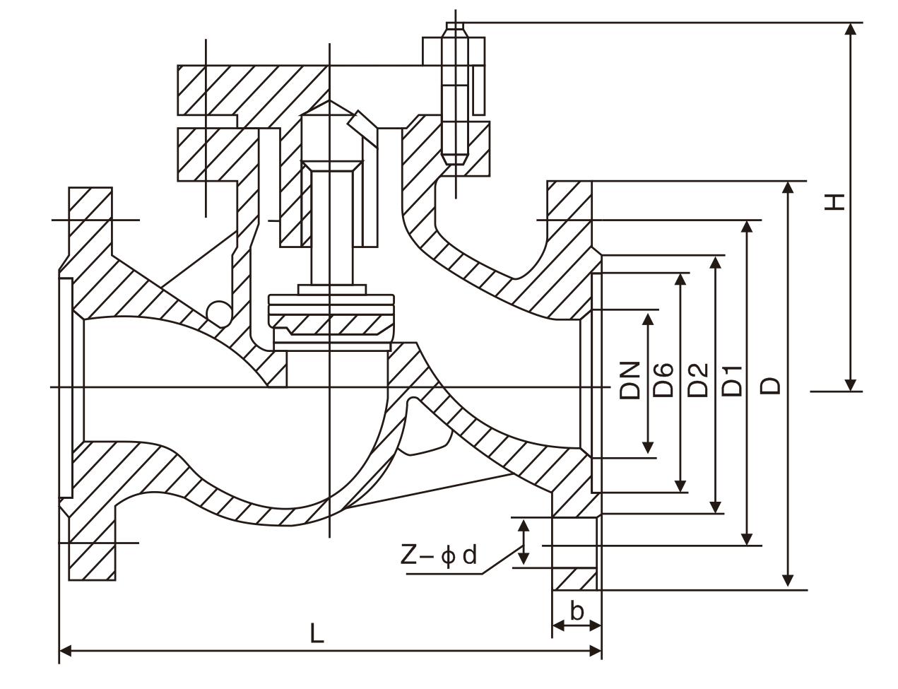
- Main outer size
|
Nominal diameter |
Main dimensions and connection dimensions | ||||||
| L | D | D1 | D2 | b | Z-d | H | |
| H41H-16C H41W-16C H41W-16P H41W-16R H41W-16I | |||||||
| 15 | 130 | 95 | 65 | 45 | 14 | 4-14 | 77 |
| 20 | 150 | 105 | 75 | 55 | 14 | 4-14 | 77 |
| 25 | 160 | 115 | 85 | 65 | 14 | 4-14 | 80 |
| 32 | 180 | 135 | 100 | 75 | 16 | 4-18 | 85 |
| 40 | 200 | 145 | 110 | 85 | 16 | 4-18 | 95 |
| 50 | 230 | 160 | 125 | 100 | 16 | 4-18 | 105 |
| 65 | 290 | 180 | 145 | 120 | 18 | 4-18 | 120 |
| 80 | 310 | 195 | 160 | 135 | 20 | 8-18 | 130 |
| 100 | 350 | 215 | 180 | 155 | 20 | 8-18 | 140 |
| 125 | 400 | 245 | 210 | 185 | 22 | 8-18 | 155 |
| 150 | 480 | 280 | 240 | 210 | 24 | 8-23 | 180 |
| 200 | 600 | 335 | 295 | 265 | 26 | 12-23 | 215 |
| 250 | 730 | 405 | 355 | 320 | 30 | 12-25 | 260 |
| 300 | 850 | 460 | 410 | 375 | 34 | 12-25 | 315 |
| H41H-25 H41W-25 H41W-25P H41W-25R H41W-25I | |||||||
| 15 | 130 | 95 | 65 | 45 | 16 | 4-14 | 100 |
| 20 | 150 | 105 | 75 | 55 | 16 | 4-14 | 105 |
| 25 | 160 | 115 | 85 | 65 | 16 | 4-14 | 120 |
| 32 | 180 | 135 | 100 | 78 | 18 | 4-18 | 130 |
| 40 | 200 | 145 | 110 | 85 | 18 | 4-18 | 135 |
| 50 | 230 | 160 | 125 | 100 | 20 | 4-18 | 149 |
| 65 | 290 | 180 | 145 | 120 | 22 | 8-18 | 160 |
| 80 | 310 | 195 | 160 | 135 | 22 | 8-18 | 169 |
| 100 | 350 | 230 | 190 | 160 | 24 | 8-23 | 194 |
| 125 | 400 | 270 | 220 | 180 | 28 | 8-25 | 222 |
| 150 | 480 | 300 | 250 | 218 | 30 | 8-25 | 255 |
| 200 | 600 | 360 | 310 | 278 | 34 | 12-25 | 305 |
| 250 | 730 | 425 | 370 | 332 | 36 | 12-30 | 355 |
| 300 | 850 | 485 | 430 | 390 | 40 | 16-30 | 410 |

Contact us














+86-021-67895388
shghfmc@163.com
93862333