Cast steel swing check valve
Product model: H44H
Nominal diameter: DN15~600mm
Nominal pressure: PN1.0~2.5MPa
Operating temperature: 0°C~425°C
Applicable medium: water, steam, oil, etc.
The national standard swing check valve adopts a built-in rocker arm swing structure. All opening and closing parts of the valve are installed inside the valve body and do not penetrate the valve body. Except for the sealing gasket and sealing ring used in the middle flange, the overall There is no leakage point, eliminating the possibility of valve leakage. The connection between the rocker arm and the valve disc adopts a spherical connection structure, so that the valve disc has a certain degree of freedom in the range of 360 degrees, and has appropriate micro-position compensation. Widely used in chemical, metallurgy, pharmaceutical and other fields.
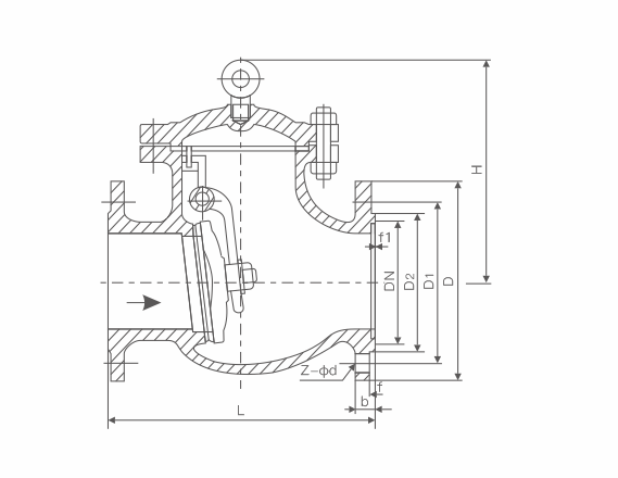
Main external connection dimensions
| DN | Main external connection dimensions and weight | ||||||
| L | D | D1 | D2 | b | Z-d | H | |
| H44H-16C H44W-16C H44W-16P H44W-16R H44W-16I | |||||||
| 25 | 160 | 115 | 85 | 65 | 16 | 4-14 | 100 |
| 32 | 180 | 135 | 100 | 78 | 16 | 4-18 | 105 |
| 40 | 200 | 145 | 100 | 85 | 16 | 4-18 | 115 |
| 50 | 230 | 160 | 125 | 100 | 16 | 4-18 | 135 |
| 65 | 290 | 180 | 145 | 120 | 18 | 4-18 | 142 |
| 80 | 310 | 195 | 160 | 135 | 20 | 8-18 | 165 |
| 100 | 350 | 215 | 180 | 155 | 20 | 8-18 | 180 |
| 125 | 400 | 245 | 210 | 185 | 22 | 8-18 | 210 |
| 150 | 480 | 280 | 240 | 210 | 24 | 8-23 | 233 |
| 200 | 500 | 335 | 295 | 265 | 26 | 12-23 | 304 |
| 250 | 550 | 405 | 355 | 320 | 30 | 12-25 | 348 |
| 300 | 650 | 460 | 410 | 375 | 30 | 12-25 | 390 |
| 350 | 750 | 520 | 470 | 435 | 34 | 16-25 | 430 |
| 400 | 850 | 580 | 525 | 485 | 36 | 16-30 | 468 |
| H44H-25 H44W-25 H44W-25P H44W-25R H44W-25I | |||||||
| 25 | 160 | 115 | 85 | 65 | 16 | 4-14 | 100 |
| 32 | 180 | 135 | 100 | 78 | 16 | 4-18 | 105 |
| 40 | 200 | 145 | 110 | 85 | 16 | 4-18 | 115 |
| 50 | 230 | 160 | 125 | 100 | 20 | 4-18 | 160 |
| 65 | 290 | 180 | 145 | 120 | 22 | 8-18 | 175 |
| 80 | 310 | 195 | 160 | 135 | 22 | 8-18 | 185 |
| 100 | 350 | 230 | 190 | 160 | 24 | 8-23 | 220 |
| 125 | 400 | 270 | 220 | 188 | 28 | 8-25 | 248 |
| 150 | 480 | 300 | 250 | 218 | 30 | 8-25 | 276 |
| 200 | 550 | 360 | 310 | 278 | 34 | 12-25 | 350 |
| 250 | 650 | 425 | 370 | 332 | 36 | 12-30 | 410 |
| 300 | 750 | 485 | 430 | 390 | 40 | 16-30 | 430 |
| 350 | 850 | 550 | 490 | 448 | 44 | 16-34 | 518 |
| 400 | 950 | 610 | 550 | 505 | 48 | 16-34 | 560 |

Contact us














+86-021-67895388
shghfmc@163.com
93862333