American standard swing check valve
Product overview
Product characteristics
1, the selection of materials, in line with domestic and foreign standards, the overall quality of materials is high.
2, products according to the American national standard ANSI B16.34, American Petroleum Institute standard API 6D requirements production.
3. Various pipe flange standards and flange sealing types can be used to meet various engineering needs and user requirements.
4, the valve body material variety is complete, the gasket can be reasonably selected according to the actual working conditions or user requirements, and can be applied to a variety of pressure, temperature and medium conditions.
5, the sealing pair is advanced and reasonable, the sealing surface of the valve disc and seat is made of iron base alloy or Stellite cobalt-based cemented carbide surfacing surface, wear resistance and high temperature resistance.
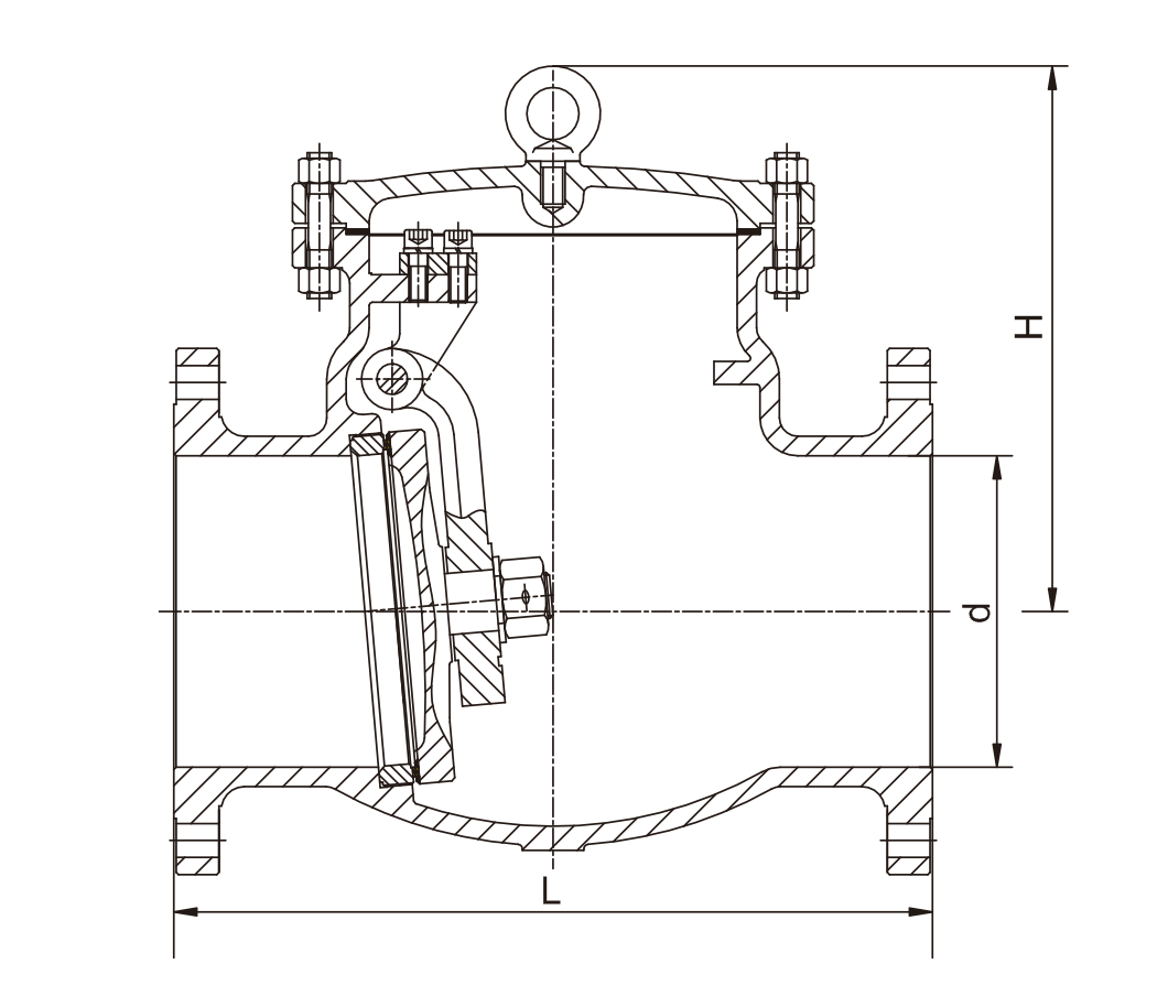
Main shape connection size and weight
| Class | NPS | DN | L | D | D1 | D2 | b | Z-Φd | H | WT (㎏) |
| in | mm | |||||||||
| 150Lb | 2″ | 50 | 203 | 157 | 120.7 | 92 | 19.50 | 4-Φ19 | 161 | 17 |
| 2-1/2″ | 65 | 216 | 178 | 139.7 | 105 | 22.5 | 4-Φ19 | 180 | 23 | |
| 3″ | 80 | 241 | 190.5 | 152.4 | 127 | 24 | 4-Φ19 | 190 | 33 | |
| 4″ | 100 | 292 | 229 | 190.50 | 157.2 | 24 | 8-Φ19 | 220 | 44 | |
| 6″ | 150 | 356 | 279 | 241.5 | 216 | 25.5 | 8-Φ22.5 | 257 | 78 | |
| 8″ | 200 | 495 | 343 | 298.5 | 270 | 29 | 8-Φ22.5 | 292 | 137 | |
| 10″ | 250 | 622 | 406 | 362 | 324 | 30.5 | 12-Φ25 | 350 | 207 | |
| 12″ | 300 | 698 | 483 | 432 | 381 | 32 | 12-Φ25 | 398 | 279 | |
| 14″ | 350 | 787 | 533 | 476.8 | 413 | 35 | 12-Φ29 | 445 | 387 | |
| 16″ | 400 | 864 | 597 | 539.8 | 470 | 37 | 16-Φ29 | 490 | 446 | |
| 18″ | 450 | 978 | 635 | 577.8 | 533 | 40 | 16-Φ32 | 520 | 621 | |
| 20″ | 500 | 978 | 698 | 635 | 584 | 43 | 20-Φ32 | 546 | 770 | |
| 24″ | 600 | 1295 | 813 | 749.3 | 692 | 48 | 20-Φ35 | 880 | 970 | |
| 300Lb | 2″ | 50 | 267 | 165 | 127 | 92 | 22.5 | 8-Φ19 | 179.5 | 20 |
| 2-1/2″ | 65 | 292 | 190 | 150 | 105 | 25 | 8-Φ22 | 190 | 24 | |
| 3″ | 80 | 318 | 210 | 168 | 127 | 29.0 | 8-Φ22.5 | 212.4 | 40 | |
| 4″ | 100 | 356 | 254 | 200 | 157 | 32.0 | 8-Φ22.5 | 246 | 51 | |
| 6″ | 150 | 445 | 317.5 | 269.7 | 216 | 37.0 | 12-Φ22.5 | 292 | 90 | |
| 8″ | 200 | 533 | 381 | 330 | 270 | 41.5 | 12-Φ25.5 | 328 | 175 | |
| 10″ | 250 | 622 | 444.5 | 387 | 324 | 48.0 | 16-Φ28.5 | 378.6 | 210 | |
| 12″ | 300 | 711 | 521 | 451 | 381 | 51.0 | 16-Φ32 | 420 | 286 | |
| 14″ | 350 | 838 | 584 | 514 | 54 | 57 | 20-Φ32 | 470 | 400 | |
| 16″ | 400 | 864 | 648 | 572 | 57 | 57 | 20-Φ35 | 530 | 550 | |
| 18″ | 450 | 978 | 711 | 629 | 60 | 60 | 24-Φ35 | 584 | 700 | |
| 20″ | 500 | 1016 | 775 | 686 | 64 | 64 | 24-Φ35 | 610 | 860 | |
| 24″ | 600 | 1346 | 914 | 813 | 70 | 70 | 24-Φ41 | 860 | 1931 | |
| 600Lb | 2″ | 50 | 292 | 165 | 127 | 92 | 25 | 8-Φ19 | 203 | 34 |
| 2-1/2″ | 65 | 330 | 190 | 150 | 105 | 29 | 8-Φ22 | 229 | 45 | |
| 3″ | 80 | 356 | 210 | 168 | 127 | 32 | 8-Φ22 | 235 | 63 | |
| 4″ | 100 | 432 | 273 | 216 | 157 | 38 | 8-Φ25 | 286 | 114 | |
| 6″ | 150 | 559 | 356 | 292 | 216 | 48 | 8-Φ29 | 330 | 207 | |
| 8″ | 200 | 660 | 419 | 349 | 270 | 56 | 12-Φ29 | 381 | 387 | |
| 10″ | 250 | 787 | 508 | 432 | 324 | 64 | 12-Φ32 | 457 | 580 | |
| 12″ | 300 | 838 | 559 | 489 | 381 | 67 | 16-Φ35 | 584 | 778 | |
| 14″ | 350 | 889 | 603 | 527 | 413 | 70 | 20-Φ38 | 635 | 9896 | |
| 16″ | 400 | 991 | 686 | 603 | 470 | 76 | 20-Φ41 | 684 | 1380 |

Contact us














+86-021-67895388
shghfmc@163.com
93862333