Wafer Triple Offset Butterfly Valve
Product model: D373W/H
Nominal diameter: DN50~1200mm
Nominal pressure: PN0.6~6.4MPa
Applicable temperature: ≤400℃
Applicable medium: water, oil, gas, acetic acid, nitric acid and other media
Body Material: WCB CF8 CF8 Chrome Molybdenum Steel Low Temperature Steel Nickel Alloy Monel Duplex Steel
Drive mode: worm gear drive, electric, pneumatic, hydraulic
Wafer triple offset butterfly valve has one more offset feature compared to double offset design, which is the seat cone axis offset from the stem centerline that reduces the operating torque. Triple offset butterfly valves are widely used in power plant, petrochemical, metallurgy, water supply and drainage system, municipal construction as throttling flow and shutoff equipments.
The Main Structure Features Include
1.Without any friction between disc and sealing surface when opening or closing,
2.Can be installed in any position;
3.Zero leakage design;
4.Soft seat or metal seat is available as per customer request;
5.Unidirectional seal or Bidirectional seal is available as per customer request;
6.Spring loaded packing can be chosen;
7.Low emission packing can be chosen according to ISO 15848 requirement;
8.Stem extended design can be chosen;
9.Cryogenic temperature or ultra low temperature butterfly valve can be chosen as per customer request.
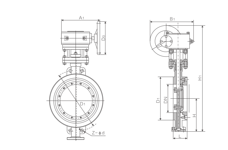
Main connection size PN(0.6、1.0)MPa
|
DN |
Dimensions |
Connection size |
|||||||
|
L |
H |
D73H/D373H/D673H/D973H |
PN0.6MPa |
PN1.0MPa |
|||||
| H1 | A1 | B1 | D1 | Z-d | D1 | Z-d | |||
| 50 | 43 | 112 | 350 | 180 | 200 | 110 | 4-14 | 125 | 4-18 |
| 65 | 46 | 115 | 370 | 180 | 200 | 130 | 4-14 | 145 | 4-18 |
| 80 | 64 | 120 | 380 | 180 | 200 | 150 | 4-18 | 160 | 8-18 |
| 100 | 64 | 138 | 420 | 180 | 200 | 170 | 8-18 | 180 | 8-18 |
| 125 | 70 | 164 | 460 | 180 | 200 | 200 | 8-18 | 210 | 8-18 |
| 150 | 76 | 175 | 555 | 270 | 280 | 225 | 8-18 | 240 | 8-22 |
| 200 | 89 | 208 | 605 | 270 | 280 | 280 | 12-18 | 295 | 8-22 |
| 250 | 114 | 243 | 680 | 270 | 280 | 335 | 12-22 | 350 | 12-22 |
| 300 | 114 | 283 | 800 | 380 | 420 | 395 | 12-22 | 400 | 12-22 |
| 350 | 127 | 310 | 835 | 380 | 420 | 445 | 16-22 | 460 | 16-22 |
| 400 | 140 | 340 | 915 | 450 | 470 | 495 | 16-22 | 515 | 16-26 |
| 450 | 152 | 380 | 960 | 480 | 490 | 550 | 16-22 | 565 | 20-26 |
| 500 | 152 | 410 | 1020 | 480 | 490 | 600 | 20-22 | 620 | 20-26 |
| 600 | 178 | 470 | 1225 | 480 | 490 | 705 | 20-26 | 725 | 20-30 |
| 700 | 229 | 550 | 1355 | 640 | 660 | 810 | 24-26 | 840 | 24-30 |
| 800 | 241 | 640 | 1470 | 640 | 660 | 902 | 24-30 | 950 | 24-33 |
| 900 | 241 | 710 | 1545 | 750 | 860 | 1020 | 24-30 | 1050 | 28-33 |
| 1000 | 300 | 770 | 1795 | 850 | 900 | 1120 | 28-30 | 1160 | 28-36 |
| 1200 | 360 | 890 | 1965 | 850 | 900 | 1340 | 32-33 | 1380 | 32-39 |
Main connection size PN(1.6、2.5)MPa
|
DN |
Dimensions |
Connection size |
|||||||
|
L |
H |
D73H/D373H/D673H/D973H |
PN1.6MPa |
PN2.5MPa |
|||||
| H1 | A1 | B1 | D1 | Z-d | D1 | Z-d | |||
| 50 | 43 | 112 | 350 | 180 | 200 | 125 | 4-18 | 125 | 4-18 |
| 65 | 46 | 115 | 370 | 180 | 200 | 145 | 4-18 | 145 | 8-18 |
| 80 | 49 | 120 | 380 | 180 | 200 | 160 | 8-18 | 160 | 8-18 |
| 100 | 56 | 138 | 420 | 180 | 200 | 180 | 8-18 | 190 | 8-22 |
| 125 | 64 | 164 | 460 | 180 | 200 | 210 | 8-18 | 220 | 8-26 |
| 150 | 70 | 175 | 555 | 270 | 280 | 240 | 8-22 | 250 | 8-26 |
| 200 | 71 | 208 | 605 | 270 | 280 | 295 | 12-22 | 310 | 12-26 |
| 250 | 76 | 243 | 680 | 270 | 280 | 335 | 12-26 | 370 | 12-30 |
| 300 | 83 | 283 | 825 | 380 | 420 | 410 | 12-26 | 430 | 16-30 |
| 350 | 92 | 310 | 900 | 380 | 420 | 470 | 16-26 | 490 | 16-33 |
| 400 | 102 | 340 | 980 | 450 | 470 | 525 | 16-30 | 550 | 16-36 |
| 450 | 114 | 380 | 1030 | 480 | 490 | 585 | 20-30 | 600 | 20-36 |
| 500 | 127 | 410 | 1105 | 480 | 490 | 650 | 20-33 | 660 | 20-36 |
| 600 | 154 | 470 | 1310 | 480 | 490 | 770 | 20-36 | 770 | 20-39 |
| 700 | 165 | 550 | 1435 | 640 | 660 | 840 | 24-36 | 875 | 24-42 |
| 800 | 190 | 640 | 1605 | 640 | 660 | 950 | 24-39 | 990 | 24-48 |
| 900 | 203 | 710 | 1745 | 750 | 860 | 1050 | 28-39 | 1090 | 28-48 |
| 1000 | 216 | 770 | 1885 | 850 | 900 | 1170 | 28-42 | 1210 | 28-56 |
| 1200 | 254 | 890 | 2105 | 850 | 900 | 1390 | 32-48 | 1420 | 32-56 |

Contact us



















+86-021-67895388
shghfmc@163.com
93862333