Flange Telescopic Butterfly Valve
Product model: SD341X/SD342X
Nominal diameter: DN100mm-DN1400mm
Nominal pressure: PN0.6MPa~1.6MPa
Applicable medium: water, oil
Applicable temperature: 10℃-80℃
Valve body material: carbon steel, stainless steel
Manufacturing standard: GB/T12238-1989
Structure length: GB/T12221-1989
Flange standard: GB/T9113-1988
Telescopic butterfly valve is a special category of butterfly valve series, is a valve that can be used for both purposes, which integrates telescopic and flanged butterfly valve. The valve can be axially expanded and contracted within a certain range, which is conducive to the thermal expansion and contraction of the pipeline, eliminating the vibration of the pipeline and overcoming the offset caused by the pipeline docking different shafts within a certain angle range, which is convenient for the installation and disassembly of the valve pipeline. This valve is suitable for food, beverage, medicine, pure pipeline, industrial environmental protection, water treatment, construction, water supply and drainage, pipeline as a medium to open and close or adjust the flow.
Product Features
1. The sealing part can be adjusted and replaced, and the sealing performance is reliable.
2. Novel structure, flexible design, light weight, labor-saving, fast opening and closing.
3. The telescopic butterfly valve can not only compensate for the
thermal expansion and cold contraction caused by the temperature
difference of the pipeline, but also provide convenience for the
installation and replacement of the maintenance valve.
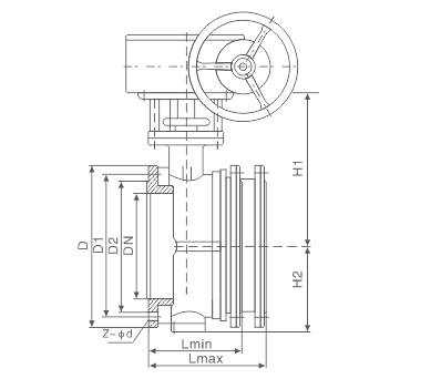
Main Dimensions
|
PN |
DN |
Lmax |
L0 |
Lmin |
D |
D1 |
D2 |
Z-Φd |
H1 |
H2 |
|
PN1.0MPa
|
100 |
196 |
190 |
164 |
220 |
180 |
156 |
8-19 |
120 |
239 |
|
150 |
227 |
210 |
192 |
285 |
240 |
211 |
8-23 |
124 |
278 |
|
|
200 |
247 |
230 |
212 |
340 |
295 |
266 |
8-23 |
170 |
295 |
|
|
250 |
267 |
250 |
230 |
395 |
350 |
319 |
12-23 |
198 |
357 |
|
|
300 |
286 |
270 |
252 |
445 |
400 |
370 |
12-23 |
218 |
353 |
|
|
350 |
310 |
290 |
270 |
505 |
460 |
429 |
16-23 |
253 |
427 |
|
|
400 |
332 |
310 |
290 |
565 |
515 |
480 |
16-28 |
285 |
465 |
|
|
450 |
352 |
330 |
310 |
615 |
565 |
530 |
20-28 |
310 |
490 |
|
|
500 |
375 |
350 |
330 |
670 |
620 |
582 |
20-28 |
340 |
520 |
|
|
600 |
420 |
390 |
360 |
780 |
725 |
682 |
20-31 |
397 |
610 |
|
|
700 |
465 |
430 |
395 |
895 |
840 |
794 |
24-31 |
467 |
690 |
|
|
800 |
510 |
470 |
430 |
1015 |
950 |
901 |
24-34 |
530 |
765 |
|
|
900 |
555 |
510 |
465 |
1115 |
1050 |
1001 |
28-34 |
595 |
830 |
|
|
1000 |
600 |
550 |
500 |
1230 |
1160 |
1112 |
28-37 |
670 |
910 |
|
|
1200 |
690 |
630 |
570 |
1455 |
1380 |
1328 |
32-40 |
785 |
1030 |
|
|
1400 |
780 |
710 |
640 |
1675 |
1590 |
1530 |
36-43 |
835 |
1180 |

Contact us



















+86-021-67895388
shghfmc@163.com
93862333