Wafer Centerline Butterfly Valve (Handle)
Product model: D71X
Nominal pressure: PN1.0~1.6MPa
Nominal diameter: DN50~DN300
Connection method: Clamp
Use medium: water, oil, gas and various corrosive media
Applicable temperature: -10°C~120°C
Connection standard: GB· ANSI· DIN· API· ISO·BS
Body material: cast iron; Nodular cast iron; Carbon steel; Stainless steel; Aluminum bronze
Seat material: rubber
Valve plate material: stainless steel; aluminum bronze; nodular cast iron
2. Suitable for handle control device (DN50~300), worm gear, electric and pneumatic control device.
3. The design and manufacturing standards comply with GB/T 12238 and API 609.
4. The pressure test conforms to GB/T 13927 and API 598.
5. The structure length conforms to GB/T 12221 and API 609.
6. The side flange standard conforms to PN1.0MPa, PN1.6MPa and ASME B16.1 125PSI in GB/T17241.
Product features
1. Reduce the torque, support the valve stem, and effectively separate it from the valve body, reducing the wear of the valve stem.2. After polishing treatment, precise matching with valve seat.
3. Realize zero leakage requirements for air tightness test, small opening and closing torque, and prolong the service life of the valve seat.
4. The valve stem seal is not easy to deform, thus avoiding the usual valve stem leakage phenomenon.
5. High precision, high strength, suitable for the installation of handles and other control devices.
6. Firmly connect the valve stem and the valve plate, with anti-vibration characteristics, and easy to replace.
7. Good integrity, easy to control the opening and closing of the valve plate.
8. It has the characteristics of non-shedding, tensile resistance, leakage prevention and easy replacement.
9. As a device for regulating or cutting off the medium in the pipeline.
10. Suitable for handle control device (DN50~300), worm gear, electric and pneumatic control device.
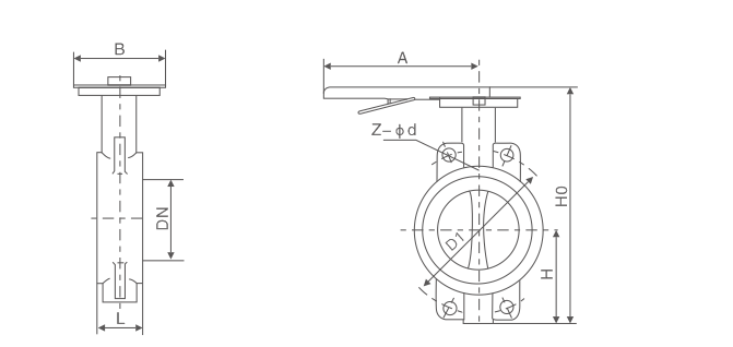
Main connection size
|
DN (DN) |
L | D1 | D | z-φd | H | H0 | A | B |
| 50 | 43 | 125 | 165 | 4-18 | 63 | 315 | 180 | 65 |
| 65 | 46 | 145 | 185 | 4-18 | 70 | 330 | 180 | 65 |
| 80 | 46 | 160 | 200 | 8-18 | 83 | 390 | 245 | 72 |
| 100 | 52 | 180 | 220 | 8-18 | 105 | 431 | 245 | 72 |
| 125 | 56 | 210 | 250 | 8-18 | 115 | 455 | 245 | 72 |
| 150 | 56 | 240 | 285 | 8-22 | 137 | 626 | 355 | 93 |
| 200 | 60 | 295 | 340 | 8-22 | 164 | 720 | 350 | 93 |
| 250 | 68 | 350 | 395 | 12-22 | 206 | 800 | 550 | 350 |
| 300 | 78 | 400 | 445 | 12-22 | 230 | 860 | 600 | 350 |

Contact us



















+86-021-67895388
shghfmc@163.com
93862333