气动三通球阀
产品型号:Q644F/Q645F
公称通径:DN15~200mm
公称压力:PN16、25bar
连接形式:法兰式
介质温度:W1:-40~180℃ W2:-40~300℃ W3:-30~425℃ W4:-40~425℃
阀体材质:WCB、ZG1Cr18Ni9Ti、ZG0Cr18Ni12Mo2Ti
适用介质:水、蒸汽、油品,硝酸类,醋酸类
气动三通球阀生产厂家:上海冠环阀门制造有限公司
产品概述
上海冠环阀门制造有限公司生产销售的型号为GHQ644F、Q645F气动三通球阀是一种三通道的回转型球阀, 用于介质分流、合流及流向切换,任何一个管道都可以作为入口或出口。有气动三通L型球阀和气动三通T型球阀两种,可以满足不同的工业要求。三通L型球阀是对三条管道中的两条管道进行切断,三通T型球阀实现把三条连通管道进行合流与分流。上海冠环气动阀门产品有:国标气动浮动球阀、气动V型法兰球阀、气动固定球阀广泛应用于化工,石油、轻纺、电力、食品制药、制冷造纸等领域。
产品特点
1、流体阻力小,其阻力系数与同长度的管段相等。
2、结构简单、体积小、重量轻。
3、紧密可靠,目前球阀的密封面材料广泛使用塑料、密封性好,在真空系统中也已广泛使用。
4、操作方便,开闭迅速,从全开到全关只要旋转90°,便于远距离的控制。
5、维修方便,球阀结构简单,密封圈一般都是活动的,拆卸更换都比较方便。
6、在全开或全闭时,球体和阀座的密封面与介质隔离,介质通过时,不会引起球阀密封面的侵蚀。
执行标准
| 设计依据 | GB标准 | ANSI标准 |
| 设计标准 | GB/12237 | ANSI B16.34 |
| 连接法兰尺寸 | GB/9113、JB/T79 | ANSI B16.5 |
| 实验和检验 | JB/T9092 | API 598 |
备注:系列球阀结构长度及连接尺寸可根据客户要求设计制造。
主要技术参数
| 公称通径 | DN15~200mm |
| 连接方式 | 法兰 |
| 气缸配置 | AT系列、GT系列及进口执行器系列 |
| 气缸形式 | 双作用、单作用(弹簧复位) |
| 控制方式 | 换向、分流 |
| 公称压力 | 16、25bar(如需更高压力订货时请注明) |
| 气源压力 | 双作用:4~8bar、单作用:5~8bar |
| 介质温度 | W1:-40~180℃ W2:-40~300℃ W3:-30~425℃ W4:-40~425℃ |
| 环境温度 | 标准型:-20~80℃ |
| 阀体材质 | 碳钢(C)、不锈钢(P4、P6) |
| 密封材质 | 聚四氟乙烯(F)、对位聚苯(PPL)、金属硬密封(H)、硬质合金(Y) |
主要零件材质
| 序号 | 零件名称 | 材质 | 序号 | 零件名称 | 材质 | ||||
| C | P4 | P6 | C | P4 | P6 | ||||
| 1 | 右阀体 | WCB | ZG1Gr18Ni9Ti | ZG1Cr18Ni12Mo2Ti | 11 | 衬套 | PTFE.复合轴承 | ||
| 2 | 螺母 | 35 | 1Gr18Ni9Ti | 1Gr18Ni9Ti | 12 | 压盖 | WCB | ZG1Gr18Ni9Ti | ZG1Cr18Ni12Mo2Ti |
| 3 | 垫片 | PTFE.石墨金属复合垫 | 13 | 螺栓 | 35 | 1Gr18Ni9Ti | 1Gr18Ni9Ti | ||
| 4 | 螺栓 | 35 | 1Gr18Ni9Ti | 1Gr18Ni9Ti | 14 | 螺栓 | 35 | 1Gr18Ni9Ti | 1Gr18Ni9Ti |
| 5 | 阀体 | WCB | ZG1Gr18Ni9Ti | ZG1Cr18Ni12Mo2Ti | 15 | 连接支架 | 1Gr18Ni9Ti | 1Gr18Ni9Ti | 1Gr18Ni9Ti |
| 6 | 阀座 | PTFE.尼龙.对位聚苯.金属硬密封 | 16 | 螺栓 | 35 | 1Gr18Ni9Ti | 1Gr18Ni9Ti | ||
| 7 | 球体 | 1Gr18Ni9Ti | 1Gr18Ni9Ti | 1Cr18Ni12Mo2Ti | 17 | 连接套 | 35 | 1Gr18Ni9Ti | 1Gr18Ni9Ti |
| 8 | 阀杆 | 1Gr13 | 1Gr18Ni9Ti | 1Cr18Ni12Mo2Ti | 18 | 气动装置 | 挤压铝合金 | ||
| 9 | 垫片 | PTFE | PTFE | PTFE | 19 | 位置指示器 | 塑料 | 塑料 | 塑料 |
| 10 | 填料 | PTFE.柔性石墨 |
|
||||||
备注:其它特殊密封材质或特殊温度亦可根据客户要求设计制造。
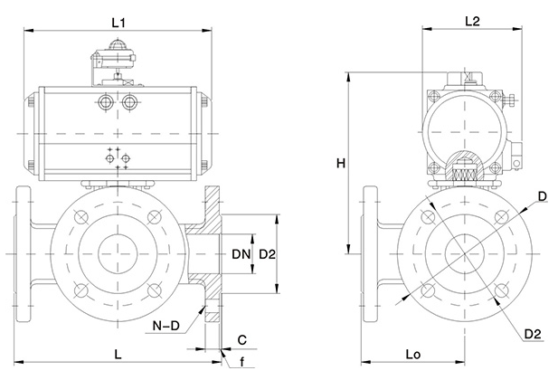
主要外形尺寸-PN16(16bar)
| 公称通径DN(mm) | 外形尺寸 | 连接尺寸 | 执行器型号 | |||||||||
| L | L0 | L1 | L2 | H | D | D1 | D2 | C | f | N-D | ||
| 15 | 150 | 72 | 141/159 | 71/83 | 204/235 | 95 | 65 | 46 | 14 | 2 | 4-14 | ATD50/ATE63 |
| 20 | 160 | 80 | 159/211 | 83/95 | 240/252 | 105 | 75 | 56 | 16 | 2 | 4-14 | ATD63/ATE75 |
| 25 | 180 | 90 | 211/248 | 95/107 | 257/265 | 115 | 85 | 65 | 16 | 2 | 4-14 | ATD75/ATE88 |
| 32 | 200 | 100 | 211/248 | 95/107 | 277/312 | 140 | 100 | 76 | 18 | 3 | 4-18 | ATD75/ATE88 |
| 40 | 220 | 110 | 248/269 | 107/123 | 292/317 | 150 | 110 | 84 | 18 | 3 | 4-18 | ATD88/ATE100 |
| 50 | 240 | 120 | 248/345 | 107/152 | 325/347 | 165 | 125 | 99 | 20 | 3 | 4-18 | ATD88/ATE125 |
| 65 | 260 | 130 | 315/409 | 141/172 | 357/389 | 185 | 145 | 118 | 20 | 3 | 4-18 | ATD115/ATE145 |
| 80 | 280 | 140 | 345/409 | 152/172 | 368/400 | 200 | 160 | 132 | 20 | 3 | 8-18 | ATD125/ATE145 |
| 100 | 320 | 160 | 409/550 | 172/215 | 410/498 | 220 | 180 | 156 | 22 | 3 | 8-18 | ATD145/ATE160 |
| 125 | 400 | 190 | 438/600 | 187/240 | 470/538 | 250 | 210 | 184 | 22 | 3 | 8-18 | ATD160/ATE210 |
| 150 | 440 | 220 | 550/633 | 215/262 | 556/591 | 285 | 240 | 211 | 24 | 3 | 8-22 | ATD190/ATE240 |
| 200 | 550 | 260 | 600/730 | 210/330 | 648/687 | 340 | 295 | 266 | 24 | 3 | 12-22 | ATD210/ATE270 |
主要外形尺寸-PN25(25bar)
| 公称通径DN(mm) | 外形尺寸 | 连接尺寸 | 执行器型号 | |||||||||
| L | L0 | L1 | L2 | H | D | D1 | D2 | C | f | N-D | ||
| 15 | 150 | 72 | 159/211 | 83/95 | 235/247 | 95 | 65 | 46 | 14 | 2 | 4-14 | ATD63/ATE75 |
| 20 | 160 | 80 | 211/248 | 95/107 | 252/260 | 105 | 75 | 56 | 16 | 2 | 4-14 | ATD75/ATE88 |
| 25 | 180 | 90 | 248/269 | 107/123 | 265/289 | 115 | 85 | 65 | 16 | 2 | 4-14 | ATD88/ATE100 |
| 32 | 200 | 100 | 248/315 | 107/141 | 287/312 | 140 | 100 | 76 | 18 | 3 | 4-18 | ATD88/ATE115 |
| 40 | 220 | 110 | 269/409 | 123/152 | 317/339 | 150 | 110 | 84 | 18 | 3 | 4-18 | ATD100/ATE125 |
| 50 | 240 | 120 | 345/345 | 123/152 | 325/347 | 165 | 125 | 99 | 20 | 3 | 4-18 | ATD100/ATE125 |
| 65 | 260 | 130 | 269/345 | 141/172 | 357/389 | 185 | 145 | 118 | 22 | 3 | 4-18 | ATD115/ATE145 |
| 80 | 280 | 140 | 315/438 | 152/187 | 400/425 | 200 | 160 | 132 | 24 | 3 | 8-18 | ATD125/ATE160 |
| 100 | 320 | 160 | 409/550 | 172/215 | 443/531 | 235 | 190 | 156 | 24 | 3 | 8-22 | ATD145/ATE190 |
| 125 | 400 | 190 | 438/600 | 187/240 | 548/583 | 270 | 220 | 184 | 26 | 3 | 8-26 | ATD160/ATE210 |
| 150 | 440 | 220 | 550/633 | 215/262 | 628/665 | 300 | 250 | 211 | 28 | 3 | 8-26 | ATD190/ATE240 |
| 200 | 550 | 260 | 600/730 | 210/330 | 695/744 | 360 | 310 | 274 | 30 | 3 | 12-22 | ATD210/ATE270 |
备注:根据不同的阀门扭矩,不同的气源压力及不同的实际工况,选择相匹配的执行器其相关外形尺寸也随之变化。
随着经济高速发展,市场竞争越来越激烈,用户对阀门产品的要求也越来越多,并且对服务的要求也越来越高;我司销售部门为适应市场发展的要求,专业设立了服务培训组,为服务质量添加完善的工作,我司的售前、售中、售后服务工作经由专业的销售员来完成。
一、冠环阀门售前服务:
做到技术与销售的良好结合,让用户的每一次采购都有较好的服务体验。
①进行采购前产品技术沟通和交流,主动给予建议。
②在进行产品型号选择时考虑是否成本合理工矿效率等问题。
③不能达到工矿要求时,根据客户的特殊要求,安排设计师合理改善。
二、冠环阀门售中服务:
尊重每位用户;给用户一份省心,放心的整体价值服务。
①进行性价比:比价格,比质量,比服务,反思是否有不做到位的地方。
②严格按相关标准和技术要求进行阀门的检测和试验。
③在合作过程中,依照合同,保质保量准时交货,随时保持与用户联系。
④定制期间,相关技术人员可来我司进行产品监造和检验,同时,我司会提供该产品的结构图及详细文件资料,来做监造文件。
⑤对特殊工矿或定做的产品,可协商专业技术员亲临现场指导。
⑥我公司在发货前以电话进行产品型号、口径、数量、件数的确认。
三、冠环阀门售后服务:
好的服务铸就好的企业让客户无后顾之忧。
①按合同要求提供产品的合格证、检验报告、安装说明书等。
②顾客在验收产品过程中,如出现与合同要求不符时,我司接到顾客通知后两小时内给予处理。
③我司提供十二个月的产品质保期,时间从验收合格之日起计算。
④在正确安装和使用下,出现产品质量问题,本公司将负责到底。
冠环阀门包修包换承诺:
①在正常的储运、安装、保养、使用条件下,因产品的质量问题不能正常使用时,提供三保四包: 保质、保量、保及时、包修、包换、包退、包损失。
②在接到质量信息反馈时,将在24小时内提出处理意见,并做到100小时内赶到现场做处理。
③可根据用户需求协商提供备品、备件和安装、调试、维修服务。
为了让您采购到满意的阀门,减少阀门订购过程出现的问题,也是提高我们工作人员的工作效率。我们希望您提供详尽的订货需求,以便我们为您提高更周到的服务!
阀门订货说明:
1、①产品名称与型号,②公称直径,③阀体材质,④公称压力,⑤使用介质,⑥使用温度,⑦驱动方式,⑧是否带附件,以便我们的为您正确选型。
2、如有特殊要求时请在订购产品时注明。
3、若已经由设计单位选定的型号,请按型号直接向我司销售部订购。
4、当使用的场合非常重要或环境比较复杂时,请您尽量提供设计图。
欢迎您访问我们的网站,如有任何疑问,您可以致电给我们,我们一定会尽心尽力为您提供高品质的服务,详细咨询:15000098987。

我要咨询


















021-67895388
shghfmc@163.com
93862333