Y型料浆阀
产品型号:JS545Y
公称通径:DN50~500mm
公称压力:PN1.6~16MPa
适用温度:-29~300℃
工作温度:常温
连接形式:法兰、焊接等多种方式可选
主要材质:WCB(A105), CF8(304), CF8M(316), CF3(304L), CF3M(316L)等
产品概述
Y型料浆阀是一种具有耐磨损、耐高压、耐冲刷、防结疤的高性能阀门,广泛应用于氧化铝行业、冶金行业、矿业的料浆调节与关断。
6、具有防结疤功能。
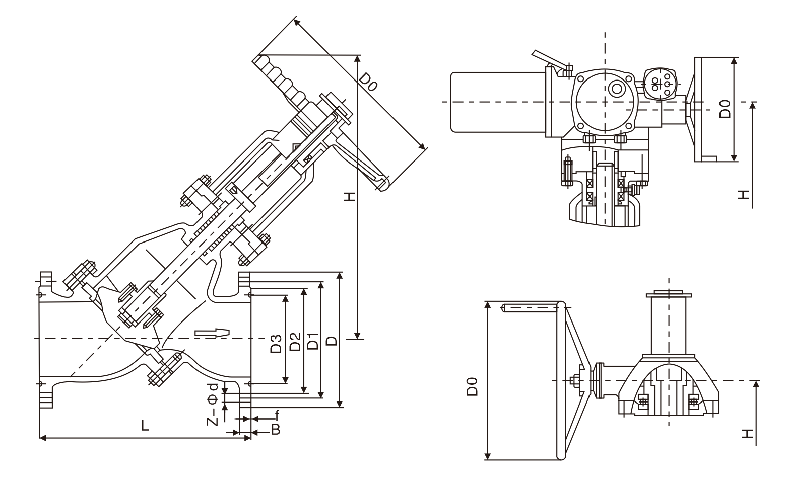
连接尺寸
|
DN(mm) |
NPS(in) |
驱动方式 Driving manner |
L |
D |
D1 |
D2 |
D3 |
B |
Z-Φd |
f |
D0 |
H |
驱动装置* Driving device |
|
JS545Y |
|||||||||||||
|
50 |
2 |
手动Manual |
(372* 361) |
165 |
127.0 |
108 |
82.55 |
22.7 |
8-18 |
7.92 |
350 |
435 |
- |
|
80 |
3 |
390 |
210 |
168.3 |
146 |
123.83 |
29.0 |
8-22 |
7.92 |
400 |
585 |
- |
|
|
100 |
4 |
(468* 461) |
255 |
200.0 |
175 |
149.23 |
32.2 |
8-22 |
7.92 |
450 |
680 |
- |
|
|
125 |
5 |
546 |
280 |
235.0 |
210 |
180.98 |
35.4 |
8-22 |
7.92 |
500 |
740 |
- |
|
|
150 |
6 |
齿动 Gear driving |
619 |
320 |
269.9 |
241 |
211.12 |
37.0 |
12-22 |
7.92 |
600 |
1300 |
BA-1 |
|
200 |
8 |
(743* 736) |
380 |
330.2 |
302 |
269.88 |
41.7 |
12-26 |
7.92 |
600 |
1350 |
BA-1 |
|
|
250 |
10 |
(848* 841) |
445 |
387.4 |
356 |
323.85 |
48.1 |
16-30 |
7.92 |
900 |
1400 |
BA-2 |
|
|
150 |
6 |
电动 Electric driving |
619 |
320 |
269.9 |
241 |
211.12 |
37.0 |
12-22 |
7.92 |
320 |
1200 |
SMC-0 |
|
200 |
8 |
(743* 736) |
380 |
330.2 |
302 |
269.88 |
41.7 |
12-26 |
7.92 |
320 |
1250 |
SMC-1 |
|
|
250 |
10 |
(848* 841) |
445 |
387.4 |
356 |
323.85 |
48.1 |
16-30 |
7.92 |
380 |
1350 |
SMC-2 |
|
随着经济高速发展,市场竞争越来越激烈,用户对阀门产品的要求也越来越多,并且对服务的要求也越来越高;我司销售部门为适应市场发展的要求,专业设立了服务培训组,为服务质量添加完善的工作,我司的售前、售中、售后服务工作经由专业的销售员来完成。
一、冠环阀门售前服务:
做到技术与销售的良好结合,让用户的每一次采购都有较好的服务体验。
①进行采购前产品技术沟通和交流,主动给予建议。
②在进行产品型号选择时考虑是否成本合理工矿效率等问题。
③不能达到工矿要求时,根据客户的特殊要求,安排设计师合理改善。
二、冠环阀门售中服务:
尊重每位用户;给用户一份省心,放心的整体价值服务。
①进行性价比:比价格,比质量,比服务,反思是否有不做到位的地方。
②严格按相关标准和技术要求进行阀门的检测和试验。
③在合作过程中,依照合同,保质保量准时交货,随时保持与用户联系。
④定制期间,相关技术人员可来我司进行产品监造和检验,同时,我司会提供该产品的结构图及详细文件资料,来做监造文件。
⑤对特殊工矿或定做的产品,可协商专业技术员亲临现场指导。
⑥我公司在发货前以电话进行产品型号、口径、数量、件数的确认。
三、冠环阀门售后服务:
好的服务铸就好的企业让客户无后顾之忧。
①按合同要求提供产品的合格证、检验报告、安装说明书等。
②顾客在验收产品过程中,如出现与合同要求不符时,我司接到顾客通知后两小时内给予处理。
③我司提供十二个月的产品质保期,时间从验收合格之日起计算。
④在正确安装和使用下,出现产品质量问题,本公司将负责到底。
冠环阀门包修包换承诺:
①在正常的储运、安装、保养、使用条件下,因产品的质量问题不能正常使用时,提供三保四包: 保质、保量、保及时、包修、包换、包退、包损失。
②在接到质量信息反馈时,将在24小时内提出处理意见,并做到100小时内赶到现场做处理。
③可根据用户需求协商提供备品、备件和安装、调试、维修服务。
为了让您采购到满意的阀门,减少阀门订购过程出现的问题,也是提高我们工作人员的工作效率。我们希望您提供详尽的订货需求,以便我们为您提高更周到的服务!
阀门订货说明:
1、①产品名称与型号,②公称直径,③阀体材质,④公称压力,⑤使用介质,⑥使用温度,⑦驱动方式,⑧是否带附件,以便我们的为您正确选型。
2、如有特殊要求时请在订购产品时注明。
3、若已经由设计单位选定的型号,请按型号直接向我司销售部订购。
4、当使用的场合非常重要或环境比较复杂时,请您尽量提供设计图。
欢迎您访问我们的网站,如有任何疑问,您可以致电给我们,我们一定会尽心尽力为您提供高品质的服务,详细咨询:15000098987。

我要咨询








021-67895388
shghfmc@163.com
93862333