角式放料阀
产品型号:FB44Y
公称通径:DN50~500mm
工作压力:PN1.6-6.4MPa
适用温度:-29°C~300°C
适用介质:水、腐蚀性介质等
阀体、支架:WCB、不锈钢
阀杆、阀瓣、阀座:2Cr13、304
产品介绍
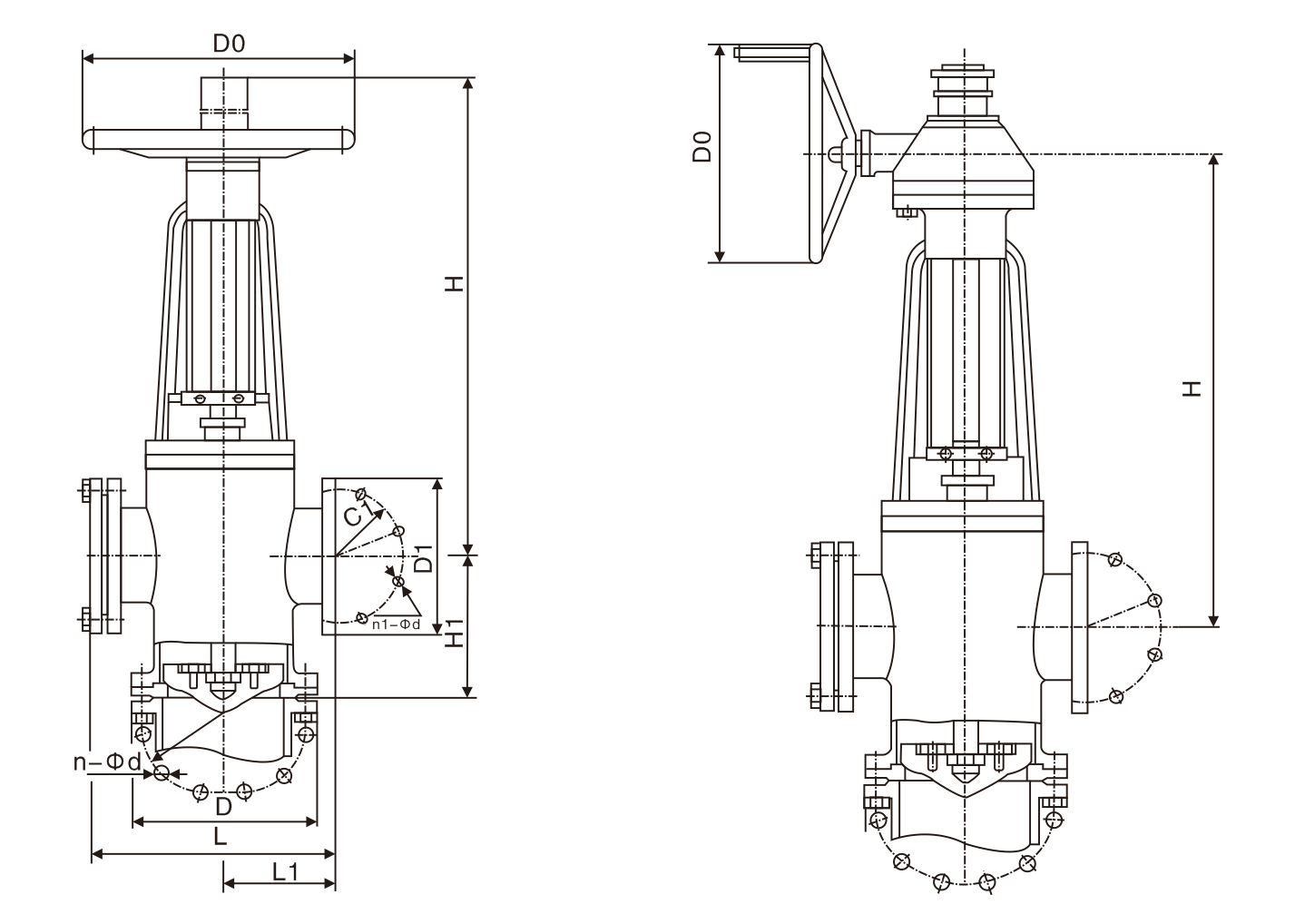
角式放料阀阀体为90度角,进出口法兰大小相同。阀体内腔装有耐冲刷、耐腐蚀的密封圈,在开启阀门瞬间,可以保护阀体不被介质冲刷、腐蚀,并对密封圈子进行特种处理,使表面硬度达到HRC25~40。阀座密封面与阀瓣密封面均堆焊有司太立硬质合金,密封副采用线密封,保证密封,保证密封的可靠性,并可防止结疤。阀瓣斜面于阀座角形成线密封,阀瓣阀瓣启闭时有手轮带动铜螺母,螺母带阀杆(上下运动有夹板定向,阀杆不会出现旋转)向反应釜内伸。底部法兰可拆卸,焊接到反应釜底部(注意:阀门必需是关必状态拆卸法兰)。
注意:本阀严禁使用含氟离子液体(如HF等)也不能用强碱及磷酸(温度>150oC,浓度>30%)。
连接尺寸
| 口径DN(mm) | D | D1 | H | D0 | B | C |
| DN50 | 160 | 125 | 370 | 180 | 124 | 77 |
| DN80 | 195 | 160 | 480 | 250 | 157 |
103 |
| DN100 | 215 | 180 | 590 | 280 | 168 | 123 |
| DN150 | 280 | 240 | 775 | 320 | 209 | 156 |
随着经济高速发展,市场竞争越来越激烈,用户对阀门产品的要求也越来越多,并且对服务的要求也越来越高;我司销售部门为适应市场发展的要求,专业设立了服务培训组,为服务质量添加完善的工作,我司的售前、售中、售后服务工作经由专业的销售员来完成。
一、冠环阀门售前服务:
做到技术与销售的良好结合,让用户的每一次采购都有较好的服务体验。
①进行采购前产品技术沟通和交流,主动给予建议。
②在进行产品型号选择时考虑是否成本合理工矿效率等问题。
③不能达到工矿要求时,根据客户的特殊要求,安排设计师合理改善。
二、冠环阀门售中服务:
尊重每位用户;给用户一份省心,放心的整体价值服务。
①进行性价比:比价格,比质量,比服务,反思是否有不做到位的地方。
②严格按相关标准和技术要求进行阀门的检测和试验。
③在合作过程中,依照合同,保质保量准时交货,随时保持与用户联系。
④定制期间,相关技术人员可来我司进行产品监造和检验,同时,我司会提供该产品的结构图及详细文件资料,来做监造文件。
⑤对特殊工矿或定做的产品,可协商专业技术员亲临现场指导。
⑥我公司在发货前以电话进行产品型号、口径、数量、件数的确认。
三、冠环阀门售后服务:
好的服务铸就好的企业让客户无后顾之忧。
①按合同要求提供产品的合格证、检验报告、安装说明书等。
②顾客在验收产品过程中,如出现与合同要求不符时,我司接到顾客通知后两小时内给予处理。
③我司提供十二个月的产品质保期,时间从验收合格之日起计算。
④在正确安装和使用下,出现产品质量问题,本公司将负责到底。
冠环阀门包修包换承诺:
①在正常的储运、安装、保养、使用条件下,因产品的质量问题不能正常使用时,提供三保四包: 保质、保量、保及时、包修、包换、包退、包损失。
②在接到质量信息反馈时,将在24小时内提出处理意见,并做到100小时内赶到现场做处理。
③可根据用户需求协商提供备品、备件和安装、调试、维修服务。
为了让您采购到满意的阀门,减少阀门订购过程出现的问题,也是提高我们工作人员的工作效率。我们希望您提供详尽的订货需求,以便我们为您提高更周到的服务!
阀门订货说明:
1、①产品名称与型号,②公称直径,③阀体材质,④公称压力,⑤使用介质,⑥使用温度,⑦驱动方式,⑧是否带附件,以便我们的为您正确选型。
2、如有特殊要求时请在订购产品时注明。
3、若已经由设计单位选定的型号,请按型号直接向我司销售部订购。
4、当使用的场合非常重要或环境比较复杂时,请您尽量提供设计图。
欢迎您访问我们的网站,如有任何疑问,您可以致电给我们,我们一定会尽心尽力为您提供高品质的服务,详细咨询:15000098987。

我要咨询








021-67895388
shghfmc@163.com
93862333