国标铸钢截止阀适用于公称压力PN1.6~16.0MPa,工作温度-46~550℃的石油、化工、制药、化肥、电力行业等各种工况的管路上,切断或接通管路介质。
其主要结构特点有
1、产品结构合理、密封可靠、性能优良、造型美观。
2、密封面堆焊Co基硬质合金,耐磨、耐蚀、抗擦伤性能好、使用寿命长。
3、阀杆经调质及表面氮化处理,有良好的抗腐性及抗擦伤性。
4、阀门设有倒密封结构,密封可靠。
5、零件材质及法兰尺寸可根据实际工况或用户要求合理选配,满足各种工程需要。
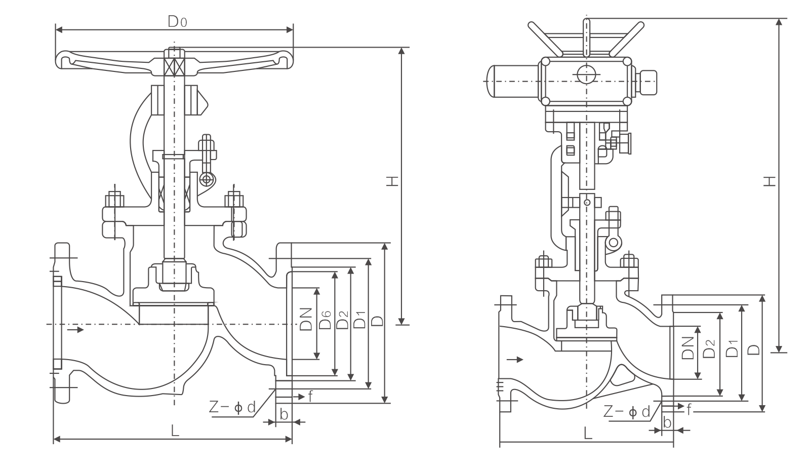
主要外形和连接尺寸
|
公称通径 |
主要外型尺寸和连接尺寸 |
||||||||
|
L |
D |
D1 |
D2 |
b |
f |
Z-d |
H |
D0 |
|
|
J41H/Y-16C J41W-16P J41W-16R J41Y-16I |
|||||||||
|
10 |
130 |
90 |
60 |
40 |
14 |
2 |
4-14 |
198 |
120 |
|
15 |
130 |
95 |
65 |
45 |
16 |
2 |
4-14 |
218 |
120 |
|
20 |
150 |
105 |
75 |
55 |
16 |
2 |
4-14 |
258 |
140 |
|
25 |
160 |
115 |
85 |
65 |
16 |
2 |
4-14 |
275 |
160 |
|
32 |
180 |
135 |
100 |
78 |
18 |
2 |
4-18 |
280 |
180 |
|
40 |
200 |
145 |
110 |
85 |
18 |
3 |
4-18 |
330 |
200 |
|
50 |
230 |
160 |
125 |
100 |
18 |
3 |
4-18 |
350 |
240 |
|
65 |
290 |
180 |
145 |
120 |
18 |
3 |
4-18 |
355 |
280 |
|
80 |
310 |
195 |
160 |
135 |
20 |
3 |
8-18 |
400 |
280 |
|
100 |
350 |
215 |
180 |
155 |
22 |
3 |
8-18 |
415 |
320 |
|
125 |
400 |
245 |
210 |
185 |
24 |
3 |
8-23 |
460 |
360 |
|
150 |
480 |
280 |
240 |
210 |
24 |
3 |
12-23 |
510 |
400 |
|
200 |
600 |
335 |
295 |
265 |
26 |
3 |
12-23 |
710 |
400 |
|
250 |
650 |
405 |
355 |
320 |
30 |
3 |
12-23 |
786 |
450 |
|
300 |
750 |
460 |
410 |
375 |
30 |
3 |
12-23 |
925 |
500 |
|
公称通径 |
主要外型尺寸和连接尺寸 |
||||||||||
|
L |
D |
D1 |
D2 |
b |
f |
Z-d |
H手 |
H电 |
D |
电动装置 |
|
|
J41H/Y-25 J41W-25P J41W-25R J41Y-25I J941H/Y-25 J941W-25P J941W-25R J941W-25I |
|||||||||||
|
10 |
130 |
90 |
60 |
40 |
16 |
2 |
4-14 |
198 |
- |
120 |
- |
|
15 |
130 |
95 |
65 |
45 |
16 |
2 |
4-14 |
218 |
- |
120 |
- |
|
20 |
150 |
105 |
75 |
55 |
16 |
2 |
4-14 |
258 |
- |
140 |
- |
|
25 |
160 |
115 |
85 |
65 |
16 |
2 |
4-14 |
275 |
- |
160 |
- |
|
32 |
180 |
135 |
100 |
78 |
18 |
2 |
4-18 |
280 |
- |
180 |
- |
|
40 |
200 |
145 |
110 |
85 |
18 |
3 |
4-18 |
330 |
- |
200 |
- |
|
50 |
230 |
160 |
125 |
100 |
20 |
3 |
4-18 |
350 |
645 |
240 |
DZW10 |
|
65 |
290 |
180 |
145 |
120 |
22 |
3 |
8-18 |
400 |
690 |
280 |
DZW10 |
|
80 |
310 |
195 |
160 |
135 |
22 |
3 |
8-18 |
355 |
715 |
280 |
DZW15 |
|
100 |
350 |
230 |
190 |
160 |
24 |
3 |
8-23 |
415 |
770 |
320 |
DZW20 |
|
125 |
400 |
270 |
220 |
188 |
28 |
3 |
8-25 |
460 |
780 |
360 |
DZW30 |
|
150 |
480 |
300 |
250 |
218 |
30 |
3 |
8-25 |
510 |
875 |
400 |
DZW45 |
|
200 |
600 |
360 |
310 |
278 |
34 |
3 |
12-25 |
710 |
967 |
400 |
DZW60 |
|
250 |
650 |
425 |
370 |
332 |
36 |
3 |
12-30 |
786 |
- |
450 |
- |
|
300 |
750 |
485 |
430 |
390 |
40 |
4 |
12-30 |
925 |
- |
500 |
- |
|
公称通径 |
主要外型尺寸和连接尺寸 |
||||||||||||
|
L |
D |
D1 |
D2 |
D6 |
b |
f |
f2 |
Z-d |
H手 |
H电 |
D |
电动装置 |
|
|
J41H/Y-40 J41W-40P J41W-40R J41Y-40I J941H/Y-40 J941W-40P J941W-40R J941W-40I |
|||||||||||||
|
10 |
130 |
90 |
60 |
40 |
35 |
16 |
2 |
2 |
4-14 |
198 |
- |
120 |
- |
|
15 |
130 |
95 |
65 |
45 |
40 |
16 |
2 |
4 |
4-14 |
233 |
- |
120 |
- |
|
20 |
150 |
105 |
75 |
55 |
51 |
16 |
2 |
4 |
4-14 |
275 |
- |
140 |
- |
|
25 |
160 |
115 |
85 |
65 |
58 |
16 |
2 |
4 |
4-14 |
285 |
- |
160 |
- |
|
32 |
180 |
135 |
100 |
78 |
66 |
18 |
2 |
4 |
4-18 |
302 |
- |
180 |
- |
|
40 |
200 |
145 |
110 |
85 |
76 |
18 |
3 |
4 |
4-18 |
355 |
- |
200 |
- |
|
50 |
230 |
160 |
125 |
100 |
88 |
20 |
3 |
4 |
4-18 |
373 |
645 |
240 |
DZW10 |
|
65 |
290 |
180 |
145 |
120 |
110 |
22 |
3 |
4 |
4-18 |
408 |
690 |
280 |
DZW10 |
|
80 |
310 |
195 |
160 |
135 |
121 |
22 |
3 |
4 |
8-18 |
436 |
715 |
320 |
DZW20 |
|
100 |
350 |
230 |
190 |
160 |
150 |
24 |
3 |
4.5 |
8-18 |
480 |
770 |
360 |
DZW30 |
|
125 |
400 |
270 |
220 |
188 |
176 |
28 |
3 |
4.5 |
8-23 |
558 |
782 |
400 |
DZW45 |
|
150 |
480 |
300 |
250 |
218 |
204 |
30 |
3 |
4.5 |
8-25 |
611 |
875 |
400 |
DZW60 |
|
200 |
600 |
375 |
320 |
282 |
260 |
38 |
3 |
4.5 |
12-30 |
720 |
1160 |
400 |
DZW90 |
| 公称通径 | 主要外形尺寸和连接尺寸 | |||||||||
| L | D | D1 | D2 | D6 | b | Z-d | H | H1 | D0 | |
| J41H/Y-64 J941H/Y-64 J41Y-64I J941Y-64I | ||||||||||
| 15 | 170 | 105 | 75 | 55 | 41 | 18 | 414 | 195 | 210 | 140 |
| 20 | 190 | 125 | 90 | 68 | 51 | 20 | 418 | 228 | 248 | 160 |
| 25 | 210 | 135 | 100 | 78 | 58 | 22 | 418 | 250 | 275 | 180 |
| 32 | 230 | 150 | 110 | 82 | 66 | 24 | 423 | 325 | 355 | 200 |
| 40 | 260 | 165 | 125 | 95 | 76 | 24 | 423 | 360 | 395 | 240 |
| 50 | 300 | 175 | 135 | 105 | 88 | 26 | 423 | 410 | 450 | 280 |
| 65 | 340 | 200 | 160 | 130 | 110 | 28 | 823 | 450 | 494 | 320 |
| 80 | 380 | 210 | 170 | 140 | 121 | 30 | 823 | 485 | 485 | 360 |
| 100 | 430 | 250 | 200 | 168 | 150 | 32 | 825 | 537 | 537 | 400 |
| 150 | 550 | 340 | 280 | 240 | 204 | 38 | 834 | 646 | 646 | 450 |
| 200 | 650 | 405 | 345 | 300 | -- | 44 | 1234 | 813 | 813 | 500 |
| J41H/Y-100 J941H/Y-100 J41Y-100I J941Y-100I | ||||||||||
| 15 | 170 | 105 | 75 | 55 | 40 | 20 | 414 | 195 | 210 | 100 |
| 20 | 190 | 125 | 90 | 68 | 51 | 22 | 418 | 228 | 248 | 120 |
| 25 | 210 | 135 | 100 | 78 | 58 | 24 | 418 | 250 | 275 | 160 |
| 32 | 230 | 150 | 110 | 82 | 66 | 24 | 423 | 326 | 348 | 200 |
| 40 | 260 | 165 | 125 | 95 | 76 | 26 | 423 | 359 | 388 | 240 |
| 50 | 300 | 195 | 145 | 112 | 88 | 28 | 425 | 414 | 448 | 280 |
| 65 | 340 | 220 | 170 | 138 | 110 | 32 | 825 | 434 | 477 | 320 |
| 80 | 380 | 230 | 180 | 148 | 121 | 34 | 825 | 547 | 598 | 400 |
| 100 | 430 | 265 | 210 | 172 | 150 | 38 | 830 | 621 | 685 | 450 |
| 125 | 500 | 310 | 250 | 210 | 176 | 42 | 834 | - | - | - |
| 150 | 550 | 350 | 290 | 250 | 204 | 46 | 1234 | 840 | - | - |
| 200 | 650 | 430 | 360 | 312 | 260 | 54 | 1241 | 925 | - | - |
随着经济高速发展,市场竞争越来越激烈,用户对阀门产品的要求也越来越多,并且对服务的要求也越来越高;我司销售部门为适应市场发展的要求,专业设立了服务培训组,为服务质量添加完善的工作,我司的售前、售中、售后服务工作经由专业的销售员来完成。
一、冠环阀门售前服务:
做到技术与销售的良好结合,让用户的每一次采购都有较好的服务体验。
①进行采购前产品技术沟通和交流,主动给予建议。
②在进行产品型号选择时考虑是否成本合理工矿效率等问题。
③不能达到工矿要求时,根据客户的特殊要求,安排设计师合理改善。
二、冠环阀门售中服务:
尊重每位用户;给用户一份省心,放心的整体价值服务。
①进行性价比:比价格,比质量,比服务,反思是否有不做到位的地方。
②严格按相关标准和技术要求进行阀门的检测和试验。
③在合作过程中,依照合同,保质保量准时交货,随时保持与用户联系。
④定制期间,相关技术人员可来我司进行产品监造和检验,同时,我司会提供该产品的结构图及详细文件资料,来做监造文件。
⑤对特殊工矿或定做的产品,可协商专业技术员亲临现场指导。
⑥我公司在发货前以电话进行产品型号、口径、数量、件数的确认。
三、冠环阀门售后服务:
好的服务铸就好的企业让客户无后顾之忧。
①按合同要求提供产品的合格证、检验报告、安装说明书等。
②顾客在验收产品过程中,如出现与合同要求不符时,我司接到顾客通知后两小时内给予处理。
③我司提供十二个月的产品质保期,时间从验收合格之日起计算。
④在正确安装和使用下,出现产品质量问题,本公司将负责到底。
冠环阀门包修包换承诺:
①在正常的储运、安装、保养、使用条件下,因产品的质量问题不能正常使用时,提供三保四包: 保质、保量、保及时、包修、包换、包退、包损失。
②在接到质量信息反馈时,将在24小时内提出处理意见,并做到100小时内赶到现场做处理。
③可根据用户需求协商提供备品、备件和安装、调试、维修服务。
为了让您采购到满意的阀门,减少阀门订购过程出现的问题,也是提高我们工作人员的工作效率。我们希望您提供详尽的订货需求,以便我们为您提高更周到的服务!
阀门订货说明:
1、①产品名称与型号,②公称直径,③阀体材质,④公称压力,⑤使用介质,⑥使用温度,⑦驱动方式,⑧是否带附件,以便我们的为您正确选型。
2、如有特殊要求时请在订购产品时注明。
3、若已经由设计单位选定的型号,请按型号直接向我司销售部订购。
4、当使用的场合非常重要或环境比较复杂时,请您尽量提供设计图。
欢迎您访问我们的网站,如有任何疑问,您可以致电给我们,我们一定会尽心尽力为您提供高品质的服务,详细咨询:15000098987。

我要咨询











021-67895388
shghfmc@163.com
93862333