角式截止阀
产品型号:J44H/Y
公称通径:DN15~300mm
公称压力:PN1.6~6.4MPa
工作温度:≤425℃
适用介质:蒸汽、油品、水等介质
设计制造标准:GB/T 12233、GB/T 12235
结构长度标准:GB/T 12221-2005
连接法兰标准:GB/T 9113
压力温度等级:GB/T 12224-2005
试验检验标准:GB/T 13927-2008
角式截止阀是进出口通道不在同一方向上而成90°直角。流体通过阀门时会改变流体方向,因此会产生一定的压力降。角式截止阀是可以把阀门安装在管路系统的拐角处,既节约了90°弯头,又便于操作。被应用在化肥厂的合成氨生产系统中和天然气、化工、石化、石油、造纸、市政、机械设备配套、电子工业、城建等领域。
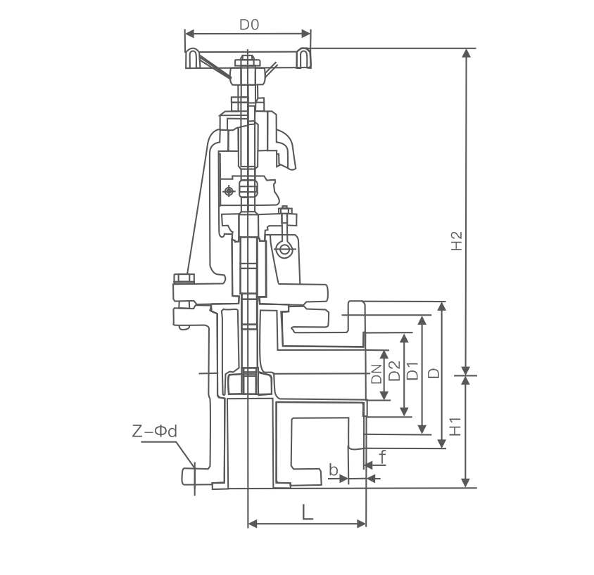
主要外形连接尺寸
|
DN(mm) |
L |
D |
D1 |
D2 |
b |
f |
Z-Φd |
D0 |
H1 |
H2 |
|
(J44H/Y/W -16/25C/P/R/L) |
||||||||||
|
25 |
160 |
115 |
85 |
65 |
18 |
3 |
4-14 |
100 |
220 |
236 |
|
32 |
180 |
135 |
100 |
78 |
18 |
3 |
4-18 |
120 |
251 |
273 |
|
40 |
210 |
145 |
110 |
85 |
20 |
3 |
4-18 |
140 |
283 |
306 |
|
50 |
230 |
160 |
125 |
100 |
20 |
3 |
4-18 |
160 |
316 |
344 |
|
65 |
290 |
180 |
145 |
120 |
22 |
3 |
4-18 |
180 |
353 |
383 |
|
80 |
310 |
195 |
160 |
135 |
22 |
3 |
8-18 |
200 |
437 |
479 |
|
100 |
350 |
215 |
180 |
155 |
24 |
3 |
8-18 |
240 |
479 |
529 |
|
125 |
400 |
245 |
230 |
180 |
26 |
3 |
8-18 |
280 |
542 |
608 |
|
150 |
480 |
280 |
240 |
210 |
28 |
4 |
8-18 |
320 |
605 |
680 |
|
200 |
600 |
335 |
295 |
265 |
30 |
4 |
12-23 |
360 |
650 |
755 |
随着经济高速发展,市场竞争越来越激烈,用户对阀门产品的要求也越来越多,并且对服务的要求也越来越高;我司销售部门为适应市场发展的要求,专业设立了服务培训组,为服务质量添加完善的工作,我司的售前、售中、售后服务工作经由专业的销售员来完成。
一、冠环阀门售前服务:
做到技术与销售的良好结合,让用户的每一次采购都有较好的服务体验。
①进行采购前产品技术沟通和交流,主动给予建议。
②在进行产品型号选择时考虑是否成本合理工矿效率等问题。
③不能达到工矿要求时,根据客户的特殊要求,安排设计师合理改善。
二、冠环阀门售中服务:
尊重每位用户;给用户一份省心,放心的整体价值服务。
①进行性价比:比价格,比质量,比服务,反思是否有不做到位的地方。
②严格按相关标准和技术要求进行阀门的检测和试验。
③在合作过程中,依照合同,保质保量准时交货,随时保持与用户联系。
④定制期间,相关技术人员可来我司进行产品监造和检验,同时,我司会提供该产品的结构图及详细文件资料,来做监造文件。
⑤对特殊工矿或定做的产品,可协商专业技术员亲临现场指导。
⑥我公司在发货前以电话进行产品型号、口径、数量、件数的确认。
三、冠环阀门售后服务:
好的服务铸就好的企业让客户无后顾之忧。
①按合同要求提供产品的合格证、检验报告、安装说明书等。
②顾客在验收产品过程中,如出现与合同要求不符时,我司接到顾客通知后两小时内给予处理。
③我司提供十二个月的产品质保期,时间从验收合格之日起计算。
④在正确安装和使用下,出现产品质量问题,本公司将负责到底。
冠环阀门包修包换承诺:
①在正常的储运、安装、保养、使用条件下,因产品的质量问题不能正常使用时,提供三保四包: 保质、保量、保及时、包修、包换、包退、包损失。
②在接到质量信息反馈时,将在24小时内提出处理意见,并做到100小时内赶到现场做处理。
③可根据用户需求协商提供备品、备件和安装、调试、维修服务。
为了让您采购到满意的阀门,减少阀门订购过程出现的问题,也是提高我们工作人员的工作效率。我们希望您提供详尽的订货需求,以便我们为您提高更周到的服务!
阀门订货说明:
1、①产品名称与型号,②公称直径,③阀体材质,④公称压力,⑤使用介质,⑥使用温度,⑦驱动方式,⑧是否带附件,以便我们的为您正确选型。
2、如有特殊要求时请在订购产品时注明。
3、若已经由设计单位选定的型号,请按型号直接向我司销售部订购。
4、当使用的场合非常重要或环境比较复杂时,请您尽量提供设计图。
欢迎您访问我们的网站,如有任何疑问,您可以致电给我们,我们一定会尽心尽力为您提供高品质的服务,详细咨询:15000098987。

我要咨询











021-67895388
shghfmc@163.com
93862333