陶瓷闸阀
产品型号:Z41TC
公称通径:DN50-500mm
连接形式:法兰
适用介质:水
主要材质:碳钢
结构形式:直通式
压力环境:高压
工作温度:≤350℃
执行标准:国标
流动方向:双向
驱动方式:手动
密封形式:硬密封型
产品概述
陶瓷闸阀适用于公称压力PN16~PN100(1.6Mpa~10.0Mpa),工作温度-29~540℃的石油、化工、矿山、冶金、电力行业等各种工况的管路上,切断或接通管路介质。Z41TC型陶瓷闸阀特别是用于排灰、排渣系统,放料、排污系统中,其使用寿命比普通合金密封面阀门提高10倍以上。
产品特点
1、 密封可靠、性能优良、造型美观特点
2、闸板、阀座密封面采用工程陶瓷材料的先进工艺研制开发制造而成,耐磨、耐冲刷、抗擦伤性能特强,其使用寿命比普通合金材料密封面高10倍以上。
3、 采用高性能填料
4、传动方式有手动、齿轮传动、电动、气动等,满足各种工程需要及用户要求
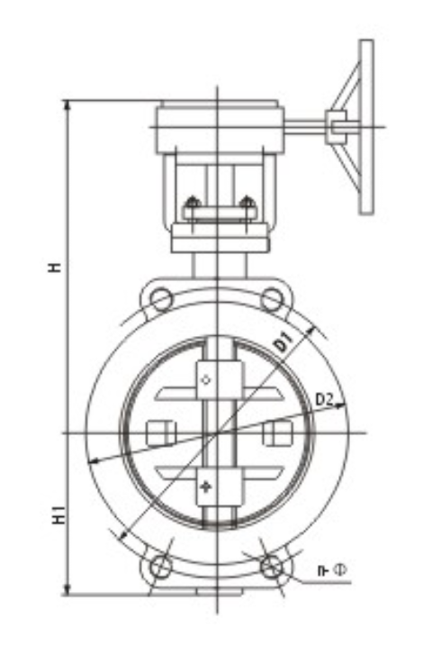
主要连接尺寸
|
公称压力 |
公称通径 |
尺寸 |
|||||||
|
L |
D |
D1 |
D2 |
b-f |
Z-Φd |
H |
Do |
||
|
1.6 |
50 |
250 |
160 |
125 |
100 |
18-3 |
4-18 |
358 |
240 |
|
65 |
265 |
180 |
145 |
120 |
18-3 |
4-18 |
373 |
240 |
|
|
80 |
280 |
195 |
160 |
135 |
20-3 |
8-18 |
435 |
280 |
|
|
100 |
300 |
215 |
180 |
155 |
20-3 |
8-18 |
500 |
300 |
|
|
125 |
325 |
245 |
210 |
185 |
22-3 |
8-18 |
614 |
320 |
|
|
150 |
350 |
280 |
240 |
210 |
24-3 |
8-23 |
671 |
360 |
|
|
200 |
400 |
335 |
295 |
265 |
26-3 |
12-23 |
818 |
400 |
|
|
250 |
450 |
405 |
335 |
320 |
30-3 |
12-25 |
969 |
450 |
|
|
300 |
500 |
460 |
410 |
375 |
30-4 |
12-25 |
1145 |
560 |
|
|
350 |
550 |
520 |
470 |
435 |
34-4 |
16-25 |
1280 |
640 |
|
|
400 |
600 |
580 |
525 |
485 |
36-4 |
16-30 |
1452 |
640 |
|
|
450 |
650 |
640 |
585 |
545 |
40-4 |
20-30 |
1541 |
720 |
|
|
500 |
700 |
705 |
650 |
608 |
44-4 |
20-34 |
1676 |
720 |
|
|
2.5 |
50 |
250 |
160 |
125 |
100 |
20-3 |
4-18 |
358 |
240 |
|
65 |
265 |
180 |
145 |
120 |
22-3 |
8-18 |
373 |
240 |
|
|
80 |
280 |
195 |
160 |
135 |
22-3 |
8-18 |
435 |
280 |
|
|
100 |
300 |
230 |
190 |
160 |
24-3 |
8-23 |
500 |
300 |
|
|
125 |
325 |
270 |
220 |
188 |
28-3 |
8-25 |
614 |
320 |
|
|
150 |
350 |
300 |
250 |
218 |
30-3 |
8-25 |
674 |
360 |
|
|
200 |
400 |
360 |
310 |
278 |
34-3 |
12-25 |
818 |
400 |
|
|
250 |
450 |
425 |
370 |
332 |
36-3 |
12-30 |
969 |
450 |
|
|
300 |
500 |
485 |
430 |
390 |
40-4 |
16-30 |
1145 |
560 |
|
|
350 |
550 |
550 |
490 |
448 |
44-4 |
16-34 |
1280 |
640 |
|
|
400 |
600 |
610 |
550 |
505 |
48-4 |
16-34 |
1452 |
640 |
|
|
450 |
650 |
660 |
600 |
555 |
50-4 |
20-34 |
1541 |
720 |
|
|
500 |
700 |
730 |
660 |
610 |
52-4 |
20-41 |
1676 |
720 |
|
|
公称压力 |
公称通径 |
尺寸 |
||||||||
|
L |
D |
D1 |
D2 |
b-f |
F2 |
Z-Φd |
H |
Do |
||
|
4.0 |
50 |
250 |
160 |
125 |
100 |
20-3 |
4 |
4-18 |
371 |
280 |
|
65 |
280 |
180 |
145 |
120 |
22-3 |
4 |
8-18 |
391 |
280 |
|
|
80 |
310 |
195 |
160 |
135 |
22-3 |
4 |
8-18 |
455 |
320 |
|
|
100 |
350 |
230 |
180 |
160 |
24-3 |
4.5 |
8-23 |
551 |
360 |
|
|
125 |
400 |
270 |
220 |
188 |
28-3 |
4.5 |
8-25 |
628 |
400 |
|
|
150 |
450 |
300 |
250 |
218 |
30-3 |
4.5 |
8-25 |
708 |
400 |
|
|
200 |
550 |
375 |
320 |
282 |
38-3 |
4.5 |
12-30 |
885 |
450 |
|
|
250 |
650 |
445 |
385 |
345 |
42-3 |
4.5 |
12-34 |
906 |
560 |
|
|
300 |
750 |
510 |
450 |
408 |
46-4 |
4.5 |
16-34 |
1203 |
640 |
|
|
350 |
850 |
570 |
510 |
465 |
52-4 |
5 |
16-34 |
1341 |
640 |
|
|
400 |
950 |
655 |
585 |
535 |
58-4 |
5 |
16-41 |
1492 |
720 |
|
|
6.4 |
80 |
310 |
210 |
170 |
140 |
30-3 |
4.5 |
8-23 |
570 |
300 |
|
100 |
350 |
250 |
200 |
168 |
32-3 |
4.5 |
8-25 |
700 |
300 |
|
|
125 |
400 |
295 |
240 |
202 |
36-3 |
4.5 |
8-30 |
780 |
350 |
|
|
150 |
450 |
340 |
280 |
240 |
38-3 |
4.5 |
8-34 |
850 |
350 |
|
|
200 |
500 |
405 |
345 |
300 |
44-3 |
4.5 |
12-34 |
1035 |
400 |
|
|
250 |
650 |
470 |
400 |
352 |
48-3 |
4.5 |
12-41 |
1050 |
560 |
|
|
300 |
750 |
530 |
460 |
412 |
54-4 |
4.5 |
16-41 |
1470 |
640 |
|
随着经济高速发展,市场竞争越来越激烈,用户对阀门产品的要求也越来越多,并且对服务的要求也越来越高;我司销售部门为适应市场发展的要求,专业设立了服务培训组,为服务质量添加完善的工作,我司的售前、售中、售后服务工作经由专业的销售员来完成。
一、冠环阀门售前服务:
做到技术与销售的良好结合,让用户的每一次采购都有较好的服务体验。
①进行采购前产品技术沟通和交流,主动给予建议。
②在进行产品型号选择时考虑是否成本合理工矿效率等问题。
③不能达到工矿要求时,根据客户的特殊要求,安排设计师合理改善。
二、冠环阀门售中服务:
尊重每位用户;给用户一份省心,放心的整体价值服务。
①进行性价比:比价格,比质量,比服务,反思是否有不做到位的地方。
②严格按相关标准和技术要求进行阀门的检测和试验。
③在合作过程中,依照合同,保质保量准时交货,随时保持与用户联系。
④定制期间,相关技术人员可来我司进行产品监造和检验,同时,我司会提供该产品的结构图及详细文件资料,来做监造文件。
⑤对特殊工矿或定做的产品,可协商专业技术员亲临现场指导。
⑥我公司在发货前以电话进行产品型号、口径、数量、件数的确认。
三、冠环阀门售后服务:
好的服务铸就好的企业让客户无后顾之忧。
①按合同要求提供产品的合格证、检验报告、安装说明书等。
②顾客在验收产品过程中,如出现与合同要求不符时,我司接到顾客通知后两小时内给予处理。
③我司提供十二个月的产品质保期,时间从验收合格之日起计算。
④在正确安装和使用下,出现产品质量问题,本公司将负责到底。
冠环阀门包修包换承诺:
①在正常的储运、安装、保养、使用条件下,因产品的质量问题不能正常使用时,提供三保四包: 保质、保量、保及时、包修、包换、包退、包损失。
②在接到质量信息反馈时,将在24小时内提出处理意见,并做到100小时内赶到现场做处理。
③可根据用户需求协商提供备品、备件和安装、调试、维修服务。
为了让您采购到满意的阀门,减少阀门订购过程出现的问题,也是提高我们工作人员的工作效率。我们希望您提供详尽的订货需求,以便我们为您提高更周到的服务!
阀门订货说明:
1、①产品名称与型号,②公称直径,③阀体材质,④公称压力,⑤使用介质,⑥使用温度,⑦驱动方式,⑧是否带附件,以便我们的为您正确选型。
2、如有特殊要求时请在订购产品时注明。
3、若已经由设计单位选定的型号,请按型号直接向我司销售部订购。
4、当使用的场合非常重要或环境比较复杂时,请您尽量提供设计图。
欢迎您访问我们的网站,如有任何疑问,您可以致电给我们,我们一定会尽心尽力为您提供高品质的服务,详细咨询:15000098987。

我要咨询











021-67895388
shghfmc@163.com
93862333