衬氟直通升降式止回阀
产品型号:H41F46
公称通径:DN15mm-2500mm
公称压力:PN0.6 MPa ~1.6 MPa
阀体测试:PN×1.5 MPa
密封检测:PN×1.1 MPa
试验标准:GB/T13927-2008
衬里检测:电火花检测
阀瓣材料:碳钢完全包覆氟塑料
适用温度:≤80℃、≤100℃、≤120℃、≤150℃
衬氟直通升降式止回阀是阀体内部流道密封均采用全衬四氟,具有强度高、耐腐蚀性能好的特点。其适用在-50℃~150℃的各种浓度的王水、硫酸、盐酸、氢氟酸和各种有机酸、强酸、强氧化剂,FEP还适用于各种浓度的强碱有机溶剂以及其它腐蚀性气体、液体介质的管路上,用来防止介质的倒流。
主要零部件材料
|
序号 |
零件名称 |
灰铸铁 |
铸钢 |
不锈耐酸铸钢 |
超低碳不锈耐酸铸钢 |
||
|
Z |
C |
P |
R |
PL |
RL |
||
|
1 |
阀体/阀盖 |
HT250 |
WCB |
CF8 |
CF8M |
CF3 |
CF3M |
|
2 |
阀瓣/阀杆 |
35 |
1Cr13 |
1Cr18Ni9 |
1Cr18Ni12Mo2Ti |
00Cr18Ni10 |
00Cr17Ni14Mo2 |
|
3 |
衬里/阀座 |
PCTEF(F3),FEP(F46),PFA(可溶F4),PP,PO |
|||||
|
4 |
紧固螺栓 |
WCB |
1Cr17Ni2 |
1Cr18Ni9Ti |
|||
|
5 |
螺母 |
PTFE(F4) |
CF8 |
CF8 |
|||
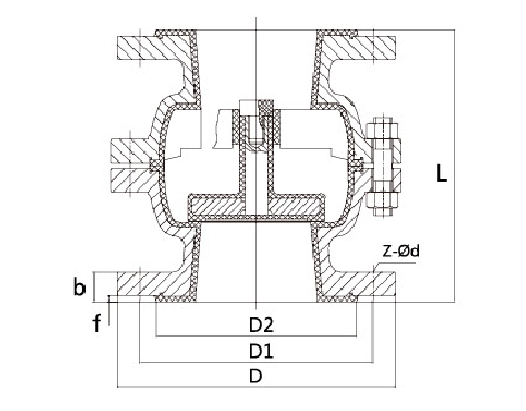
主要外形和连接尺寸 PN0.6MPa
|
公称通径 |
标准值 |
参考值 |
|||||||||
|
DN(mm) |
NPS(inch) |
L |
D |
D1 |
D2 |
f |
b |
Z-Φd |
B |
H |
W(kg) |
|
15 |
1/2 |
130 |
80 |
55 |
40 |
2 |
12 |
4-Φ12 |
105 |
55 |
4 |
|
20 |
3/4 |
150 |
90 |
65 |
50 |
2 |
14 |
4-Φ12 |
115 |
58 |
5 |
|
25 |
1 |
160 |
100 |
75 |
60 |
2 |
14 |
4-Φ12 |
128 |
60 |
6 |
|
32 |
1 1/4 |
180 |
120 |
90 |
70 |
2 |
16 |
4-Φ14 |
145 |
75 |
7 |
|
40 |
1 1/2 |
200 |
130 |
100 |
80 |
3 |
16 |
4-Φ14 |
160 |
82 |
8 |
|
50 |
2 |
230 |
140 |
110 |
90 |
3 |
16 |
4-Φ14 |
178 |
95 |
10 |
|
65 |
2 1/2 |
290 |
160 |
130 |
110 |
3 |
16 |
4-Φ14 |
205 |
105 |
20 |
|
80 |
3 |
310 |
185 |
150 |
125 |
3 |
18 |
4-Φ18 |
230 |
120 |
25 |
|
100 |
4 |
350 |
205 |
170 |
145 |
3 |
18 |
4-Φ18 |
255 |
135 |
30 |
|
125 |
5 |
400 |
235 |
200 |
175 |
3 |
20 |
8-Φ18 |
305 |
158 |
50 |
|
150 |
6 |
480 |
260 |
225 |
200 |
3 |
20 |
8-Φ18 |
345 |
180 |
65 |
|
200 |
8 |
495 |
315 |
280 |
255 |
3 |
22 |
8-Φ18 |
415 |
215 |
137 |
|
250 |
10 |
622 |
370 |
335 |
310 |
3 |
24 |
12-Φ18 |
490 |
240 |
150 |
|
300 |
12 |
698 |
435 |
395 |
362 |
4 |
24 |
12-Φ23 |
540 |
265 |
185 |
|
350 |
14 |
787 |
485 |
445 |
412 |
4 |
26 |
12-Φ23 |
585 |
300 |
215 |
|
400 |
16 |
914 |
535 |
495 |
462 |
4 |
28 |
16-Φ23 |
625 |
360 |
244 |
|
450 |
18 |
978 |
590 |
550 |
518 |
4 |
28 |
16-Φ23 |
680 |
385 |
276 |
|
500 |
20 |
978 |
640 |
600 |
568 |
4 |
30 |
16-Φ23 |
740 |
415 |
315 |
随着经济高速发展,市场竞争越来越激烈,用户对阀门产品的要求也越来越多,并且对服务的要求也越来越高;我司销售部门为适应市场发展的要求,专业设立了服务培训组,为服务质量添加完善的工作,我司的售前、售中、售后服务工作经由专业的销售员来完成。
一、冠环阀门售前服务:
做到技术与销售的良好结合,让用户的每一次采购都有较好的服务体验。
①进行采购前产品技术沟通和交流,主动给予建议。
②在进行产品型号选择时考虑是否成本合理工矿效率等问题。
③不能达到工矿要求时,根据客户的特殊要求,安排设计师合理改善。
二、冠环阀门售中服务:
尊重每位用户;给用户一份省心,放心的整体价值服务。
①进行性价比:比价格,比质量,比服务,反思是否有不做到位的地方。
②严格按相关标准和技术要求进行阀门的检测和试验。
③在合作过程中,依照合同,保质保量准时交货,随时保持与用户联系。
④定制期间,相关技术人员可来我司进行产品监造和检验,同时,我司会提供该产品的结构图及详细文件资料,来做监造文件。
⑤对特殊工矿或定做的产品,可协商专业技术员亲临现场指导。
⑥我公司在发货前以电话进行产品型号、口径、数量、件数的确认。
三、冠环阀门售后服务:
好的服务铸就好的企业让客户无后顾之忧。
①按合同要求提供产品的合格证、检验报告、安装说明书等。
②顾客在验收产品过程中,如出现与合同要求不符时,我司接到顾客通知后两小时内给予处理。
③我司提供十二个月的产品质保期,时间从验收合格之日起计算。
④在正确安装和使用下,出现产品质量问题,本公司将负责到底。
冠环阀门包修包换承诺:
①在正常的储运、安装、保养、使用条件下,因产品的质量问题不能正常使用时,提供三保四包: 保质、保量、保及时、包修、包换、包退、包损失。
②在接到质量信息反馈时,将在24小时内提出处理意见,并做到100小时内赶到现场做处理。
③可根据用户需求协商提供备品、备件和安装、调试、维修服务。
为了让您采购到满意的阀门,减少阀门订购过程出现的问题,也是提高我们工作人员的工作效率。我们希望您提供详尽的订货需求,以便我们为您提高更周到的服务!
阀门订货说明:
1、①产品名称与型号,②公称直径,③阀体材质,④公称压力,⑤使用介质,⑥使用温度,⑦驱动方式,⑧是否带附件,以便我们的为您正确选型。
2、如有特殊要求时请在订购产品时注明。
3、若已经由设计单位选定的型号,请按型号直接向我司销售部订购。
4、当使用的场合非常重要或环境比较复杂时,请您尽量提供设计图。
欢迎您访问我们的网站,如有任何疑问,您可以致电给我们,我们一定会尽心尽力为您提供高品质的服务,详细咨询:15000098987。

我要咨询

























021-67895388
shghfmc@163.com
93862333