电动二通阀
产品型号:VB3000
输入控制信号:4-20mA DC,输入阻抗250Ω
位置反馈电位器:1K
阀位输出信号:4-20mA DC,负载电阻0-250Ω
控制电机正反转采用过零触发双向可控硅
死区:0.5-3%连续可调。出产设置为1%
输入控制信号断性保护:阀位可根据要求选择停、全开与全闭
电源:220VAC 50HZ
VB3000电动二通阀是中央空调风机盘管的配套产品,由驱动器与阀体两部分组成,驱动器由一个同步电机驱动,具备弹簧复位及手动开阀杠杆操纵功能。电动阀可与温控器配套使用,由温控器控制电动阀电机,使阀门开或关,实现管道冷水或热水的通或断,再通过风机盘管送风,以实现温度的自动调节。
产品特点
1、用于控制冷水或热水空调系统管道的开启或关闭,达到控制室温之目的。
2、驱动器由单项磁滞同步马达驱动,阀门弹簧复位,阀门不工作时处于常闭状态。
3、开启阀门,冷冻水或热水进入风机盘管,为房间提供冷气或暖气,使室温始终保持在温控设定的温度范围内。
4、电动阀的驱动器与阀门采用螺纹连接方式,可在阀门安装之后,再安装驱动器。
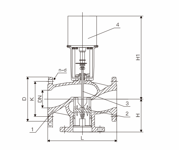
主要外形尺寸
|
阀体⼝径 |
DN80 |
DN100 |
DN125 |
DN150 |
DN200 |
DN250 |
DN300 |
DN350 |
|
⻓度(L) |
290 |
320 |
340 |
375 |
395 |
460 |
500 |
570 |
|
⾼度(H1) |
600 |
620 |
630 |
650 |
830 |
850 |
950 |
980 |
|
法兰孔数(n) |
8 |
8 |
8 |
8 |
12 |
12 |
12 |
12 |
随着经济高速发展,市场竞争越来越激烈,用户对阀门产品的要求也越来越多,并且对服务的要求也越来越高;我司销售部门为适应市场发展的要求,专业设立了服务培训组,为服务质量添加完善的工作,我司的售前、售中、售后服务工作经由专业的销售员来完成。
一、冠环阀门售前服务:
做到技术与销售的良好结合,让用户的每一次采购都有较好的服务体验。
①进行采购前产品技术沟通和交流,主动给予建议。
②在进行产品型号选择时考虑是否成本合理工矿效率等问题。
③不能达到工矿要求时,根据客户的特殊要求,安排设计师合理改善。
二、冠环阀门售中服务:
尊重每位用户;给用户一份省心,放心的整体价值服务。
①进行性价比:比价格,比质量,比服务,反思是否有不做到位的地方。
②严格按相关标准和技术要求进行阀门的检测和试验。
③在合作过程中,依照合同,保质保量准时交货,随时保持与用户联系。
④定制期间,相关技术人员可来我司进行产品监造和检验,同时,我司会提供该产品的结构图及详细文件资料,来做监造文件。
⑤对特殊工矿或定做的产品,可协商专业技术员亲临现场指导。
⑥我公司在发货前以电话进行产品型号、口径、数量、件数的确认。
三、冠环阀门售后服务:
好的服务铸就好的企业让客户无后顾之忧。
①按合同要求提供产品的合格证、检验报告、安装说明书等。
②顾客在验收产品过程中,如出现与合同要求不符时,我司接到顾客通知后两小时内给予处理。
③我司提供十二个月的产品质保期,时间从验收合格之日起计算。
④在正确安装和使用下,出现产品质量问题,本公司将负责到底。
冠环阀门包修包换承诺:
①在正常的储运、安装、保养、使用条件下,因产品的质量问题不能正常使用时,提供三保四包: 保质、保量、保及时、包修、包换、包退、包损失。
②在接到质量信息反馈时,将在24小时内提出处理意见,并做到100小时内赶到现场做处理。
③可根据用户需求协商提供备品、备件和安装、调试、维修服务。
为了让您采购到满意的阀门,减少阀门订购过程出现的问题,也是提高我们工作人员的工作效率。我们希望您提供详尽的订货需求,以便我们为您提高更周到的服务!
阀门订货说明:
1、①产品名称与型号,②公称直径,③阀体材质,④公称压力,⑤使用介质,⑥使用温度,⑦驱动方式,⑧是否带附件,以便我们的为您正确选型。
2、如有特殊要求时请在订购产品时注明。
3、若已经由设计单位选定的型号,请按型号直接向我司销售部订购。
4、当使用的场合非常重要或环境比较复杂时,请您尽量提供设计图。
欢迎您访问我们的网站,如有任何疑问,您可以致电给我们,我们一定会尽心尽力为您提供高品质的服务,详细咨询:15000098987。

我要咨询

































021-67895388
shghfmc@163.com
93862333