消声缓闭止回阀
产品型号:HH49X,HDH48X,HH46X
公称压力:PN1.0~2.5MPa
公称通径:DN40~1000mm
缓闭时间:3~60秒
适用介质:清水、污水、海水
适用温度:0~80℃(如需要,可达200℃)
法兰标准:GB/T 17241.6 GB/T 9113
试验标准:GB/T 13927 API 598
消声缓闭止回阀用于工业给排水、污水处理厂的水泵出口处,防止管网中介逆流。自动消除破坏性水锤,从而保证水泵和管路不受损坏。该阀主要由阀体、阀瓣、缓冲装置和微量调节阀组成。该产品具有结构新颖、体积小、流体阻力小、运行平稳、密封可靠、耐磨损、缓冲性能好等特点,是工业用水和城巿排污的理想产品。
主要零件材料
| 零件名称 | 阀体 | 阀瓣 | 阀杆、油缸、活塞、弹簧 | 阀座 |
| 材料 | 铸铁、铸钢 | 碳钢 | 不锈钢 | 丁腈橡胶 |
主要技术参数
| 型号 | 公称压力 | 试验压力 | 适用温度 | 适用介质 | 缓闭时间 | |
| 壳体 | 密封 | |||||
|
HH46X HDH48X HH49X |
1.0 | 1.5 | 1.1 | ≤80℃ | 清水、污水、海水 | ≤60秒 |
| 1.6 | 2.4 | 1.76 | ||||
| 2.5 | 3.75 | 2.75 | ||||
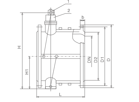
主要外形尺寸
| 公称通径 | 尺寸 | 公称通径 | 尺寸 | ||||
| L | H | H1 | L | H | H1 | ||
| 40 | 140 | 200 | 88 | 350 | 290 | 480 | 297 |
| 50 | 150 | 215 | 98 | 400 | 310 | 550 | 324 |
| 65 | 170 | 225 | 108 | 450 | 330 | 585 | 351 |
| 80 | 180 | 235 | 118 | 500 | 350 | 640 | 379 |
| 100 | 190 | 280 | 130 | 600 | 390 | 720 | 434 |
| 125 | 200 | 290 | 148 | 700 | 430 | 780 | 491 |
| 150 | 210 | 310 | 172 | 800 | 470 | 840 | 549 |
| 200 | 230 | 350 | 210 | 900 | 510 | 990 | 600 |
| 250 | 250 | 415 | 240 | 1000 | 550 | 1050 | 655 |
| 300 | 270 | 450 | 264 | 1200 | 630 | 1210 | 770 |
随着经济高速发展,市场竞争越来越激烈,用户对阀门产品的要求也越来越多,并且对服务的要求也越来越高;我司销售部门为适应市场发展的要求,专业设立了服务培训组,为服务质量添加完善的工作,我司的售前、售中、售后服务工作经由专业的销售员来完成。
一、冠环阀门售前服务:
做到技术与销售的良好结合,让用户的每一次采购都有较好的服务体验。
①进行采购前产品技术沟通和交流,主动给予建议。
②在进行产品型号选择时考虑是否成本合理工矿效率等问题。
③不能达到工矿要求时,根据客户的特殊要求,安排设计师合理改善。
二、冠环阀门售中服务:
尊重每位用户;给用户一份省心,放心的整体价值服务。
①进行性价比:比价格,比质量,比服务,反思是否有不做到位的地方。
②严格按相关标准和技术要求进行阀门的检测和试验。
③在合作过程中,依照合同,保质保量准时交货,随时保持与用户联系。
④定制期间,相关技术人员可来我司进行产品监造和检验,同时,我司会提供该产品的结构图及详细文件资料,来做监造文件。
⑤对特殊工矿或定做的产品,可协商专业技术员亲临现场指导。
⑥我公司在发货前以电话进行产品型号、口径、数量、件数的确认。
三、冠环阀门售后服务:
好的服务铸就好的企业让客户无后顾之忧。
①按合同要求提供产品的合格证、检验报告、安装说明书等。
②顾客在验收产品过程中,如出现与合同要求不符时,我司接到顾客通知后两小时内给予处理。
③我司提供十二个月的产品质保期,时间从验收合格之日起计算。
④在正确安装和使用下,出现产品质量问题,本公司将负责到底。
冠环阀门包修包换承诺:
①在正常的储运、安装、保养、使用条件下,因产品的质量问题不能正常使用时,提供三保四包: 保质、保量、保及时、包修、包换、包退、包损失。
②在接到质量信息反馈时,将在24小时内提出处理意见,并做到100小时内赶到现场做处理。
③可根据用户需求协商提供备品、备件和安装、调试、维修服务。
为了让您采购到满意的阀门,减少阀门订购过程出现的问题,也是提高我们工作人员的工作效率。我们希望您提供详尽的订货需求,以便我们为您提高更周到的服务!
阀门订货说明:
1、①产品名称与型号,②公称直径,③阀体材质,④公称压力,⑤使用介质,⑥使用温度,⑦驱动方式,⑧是否带附件,以便我们的为您正确选型。
2、如有特殊要求时请在订购产品时注明。
3、若已经由设计单位选定的型号,请按型号直接向我司销售部订购。
4、当使用的场合非常重要或环境比较复杂时,请您尽量提供设计图。
欢迎您访问我们的网站,如有任何疑问,您可以致电给我们,我们一定会尽心尽力为您提供高品质的服务,详细咨询:15000098987。

我要咨询

































021-67895388
shghfmc@163.com
93862333