电动单座调节阀
产品型号:ZSAP
公称通径:NPS 1-1/2”~24” (DN20~DN300)
公称压力:Class150~Class600 (PN16~PN100)
适用温度:-196℃~540℃
流量特性:等百分比
压盖形式:螺栓压紧式
主要材质:碳钢, 不锈钢, 双相不锈钢, Inconel, Monel, Hastelloy,Ti等
法兰标准:PN1.6按JB79-59标准、PN4.0按JB79-59标准
阀盖类型:标准型、伸长型、低温型、波纹管、保温夹套型
产品概述
电动单座调节阀采用流体压力不平衡型阀芯结构,特殊的单座阀芯与笼式顶部导向的阀内件组合结构,使其具备单座调节阀的特点外,同时兼有套筒调节阀的动态稳定性,笼式导向套还起到了抗冲刷、防空化等作用;快卸式的阀内件组合,十分便利于内件的更新。适用于高压差、高温等苛刻工況,尤其适合于各类浆料、聚合物及高温介质。被广泛应用于大型火电厂、化工厂、水处理和污水处理、天然气油田、钢铁厂等自动控制系统中。
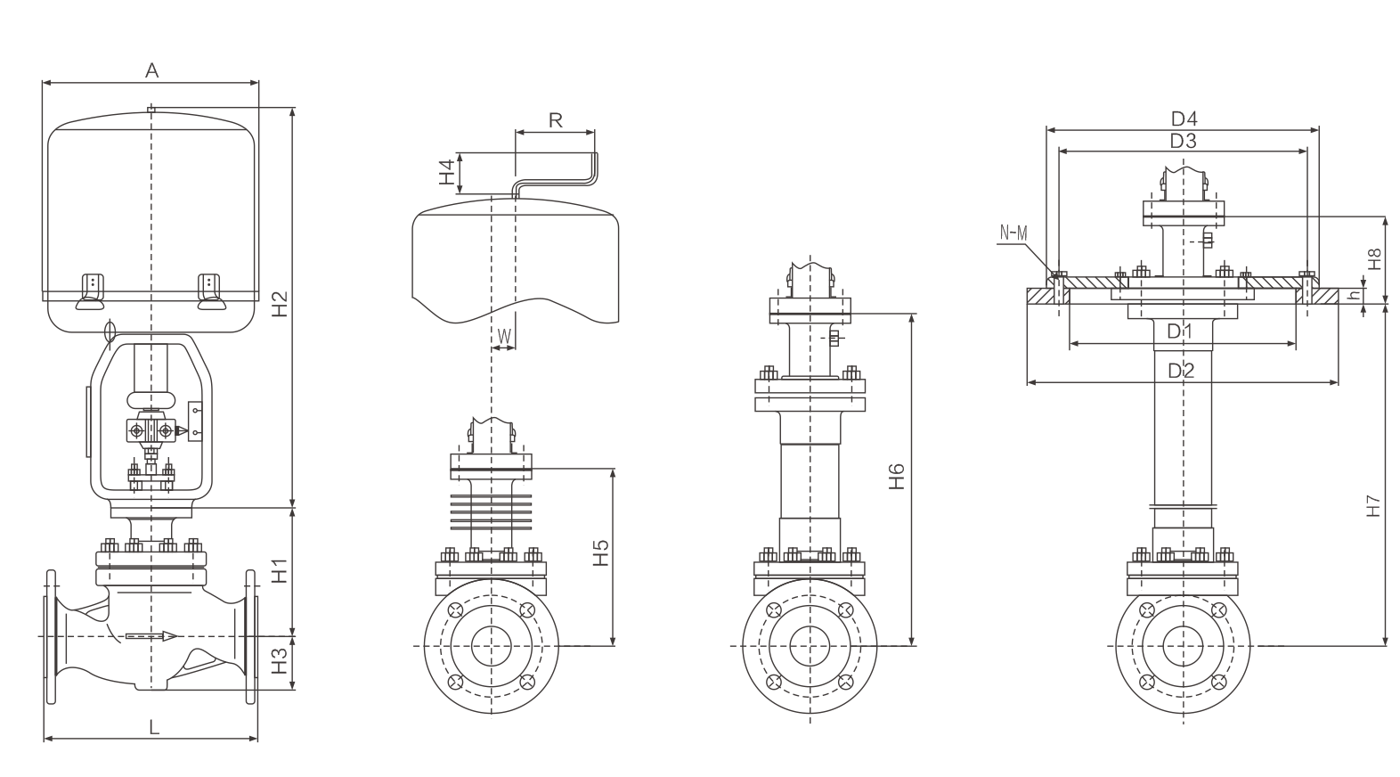
主要连接尺寸
| 公称通径(DN) | 20 | 25 | 32 | 40 | 50 | 65 | 80 | 100 | 125 | 150 | 200 | 250 | 300 | |
| L | PN16/25 | 181 | 184 | 200 | 222 | 254 | 276 | 298 | 352 | 410 | 451 | 600 | 640 | 880 |
| PN40 | 194 | 197 | 200 | 235 | 267 | 292 | 317 | 368 | 425 | 473 | 610 | 760 | 910 | |
| PN64 | 206 | 200 | 210 | 251 | 286 | 311 | 337 | 394 | 440 | 508 | 650 | 810 | 950 | |
| H | PN16/25 | 52.5 | 57.5 | 75 | 75 | 85.5 | 92.5 | 100 | 110 | 142.5 | 158 | 170 | 195 | 230 |
| PN40 | 52.5 | 57.5 | 75 | 75 | 82.5 | 92.5 | 100 | 117.5 | 150 | 167.5 | 187.5 | 205 | 245 | |
| PN64 | 65 | 40 | 85 | 85 | 90 | 102.5 | 107.5 | 125 | 172.5 | 195 | 207.5 | 230 | 260 | |
| H1 | 132 | 132 | 158 | 170 | 179 | 214 | 221 | 234 | 270 | 294 | 331 | 390 | 450 | |
| H2 | 503 | 533 | 512 | 512 | 620 | 575 | 570 | 570 | 555 | 555 | 570 | 756 | 756 | |
| D | 460 | 530 | 630 | |||||||||||
随着经济高速发展,市场竞争越来越激烈,用户对阀门产品的要求也越来越多,并且对服务的要求也越来越高;我司销售部门为适应市场发展的要求,专业设立了服务培训组,为服务质量添加完善的工作,我司的售前、售中、售后服务工作经由专业的销售员来完成。
一、冠环阀门售前服务:
做到技术与销售的良好结合,让用户的每一次采购都有较好的服务体验。
①进行采购前产品技术沟通和交流,主动给予建议。
②在进行产品型号选择时考虑是否成本合理工矿效率等问题。
③不能达到工矿要求时,根据客户的特殊要求,安排设计师合理改善。
二、冠环阀门售中服务:
尊重每位用户;给用户一份省心,放心的整体价值服务。
①进行性价比:比价格,比质量,比服务,反思是否有不做到位的地方。
②严格按相关标准和技术要求进行阀门的检测和试验。
③在合作过程中,依照合同,保质保量准时交货,随时保持与用户联系。
④定制期间,相关技术人员可来我司进行产品监造和检验,同时,我司会提供该产品的结构图及详细文件资料,来做监造文件。
⑤对特殊工矿或定做的产品,可协商专业技术员亲临现场指导。
⑥我公司在发货前以电话进行产品型号、口径、数量、件数的确认。
三、冠环阀门售后服务:
好的服务铸就好的企业让客户无后顾之忧。
①按合同要求提供产品的合格证、检验报告、安装说明书等。
②顾客在验收产品过程中,如出现与合同要求不符时,我司接到顾客通知后两小时内给予处理。
③我司提供十二个月的产品质保期,时间从验收合格之日起计算。
④在正确安装和使用下,出现产品质量问题,本公司将负责到底。
冠环阀门包修包换承诺:
①在正常的储运、安装、保养、使用条件下,因产品的质量问题不能正常使用时,提供三保四包: 保质、保量、保及时、包修、包换、包退、包损失。
②在接到质量信息反馈时,将在24小时内提出处理意见,并做到100小时内赶到现场做处理。
③可根据用户需求协商提供备品、备件和安装、调试、维修服务。
为了让您采购到满意的阀门,减少阀门订购过程出现的问题,也是提高我们工作人员的工作效率。我们希望您提供详尽的订货需求,以便我们为您提高更周到的服务!
阀门订货说明:
1、①产品名称与型号,②公称直径,③阀体材质,④公称压力,⑤使用介质,⑥使用温度,⑦驱动方式,⑧是否带附件,以便我们的为您正确选型。
2、如有特殊要求时请在订购产品时注明。
3、若已经由设计单位选定的型号,请按型号直接向我司销售部订购。
4、当使用的场合非常重要或环境比较复杂时,请您尽量提供设计图。
欢迎您访问我们的网站,如有任何疑问,您可以致电给我们,我们一定会尽心尽力为您提供高品质的服务,详细咨询:15000098987。

我要咨询





















021-67895388
shghfmc@163.com
93862333