电子式电动高温调节阀
产品型号:ZRHGW
公称通径:DN20~300mm
公称压力:PN1.6~6.4MPa
主要材质:铸钢(ZG230-450)、铸不锈钢(ZG1Cr18Ni9Ti、ZG1Cr18Ni12Mo2Ti、SCS16)钛等
驱动方式:电动
适用温度:高温型(+250~+450℃)
设计标准:GB/T17213
检验标准:GB/T4213
法兰标准:JIS B220、JB/T79、GB/T9113、HG20594-97、HG20618-97等
产品概述
电子式电动高温调节阀是采用智能一体化执行器与高精度低流阻调节阀阀体组成。该阀具有关闭严密、结构紧凑、重量轻、维修方便等优点。配以3810系列(或者PSL系列)电动执行器和精小型调节阀体组成,内含饲服功能,接受统一的4-20mA或1-5V·DC的标准信号,将电流信号转变成相对应的直线位移,自动地控制调节阀开度,达到对管道内流体的压力、流量、温度、液位等工艺参数的连续调节。其调节机构采用平衡式阀塞结构,具有阀稳定性好、不易震动、噪音低,对温度敏感性小,允许使用压差不大、温度较大等特点。广泛使用于流量大、温度高、泄漏量要求不严格的场合。
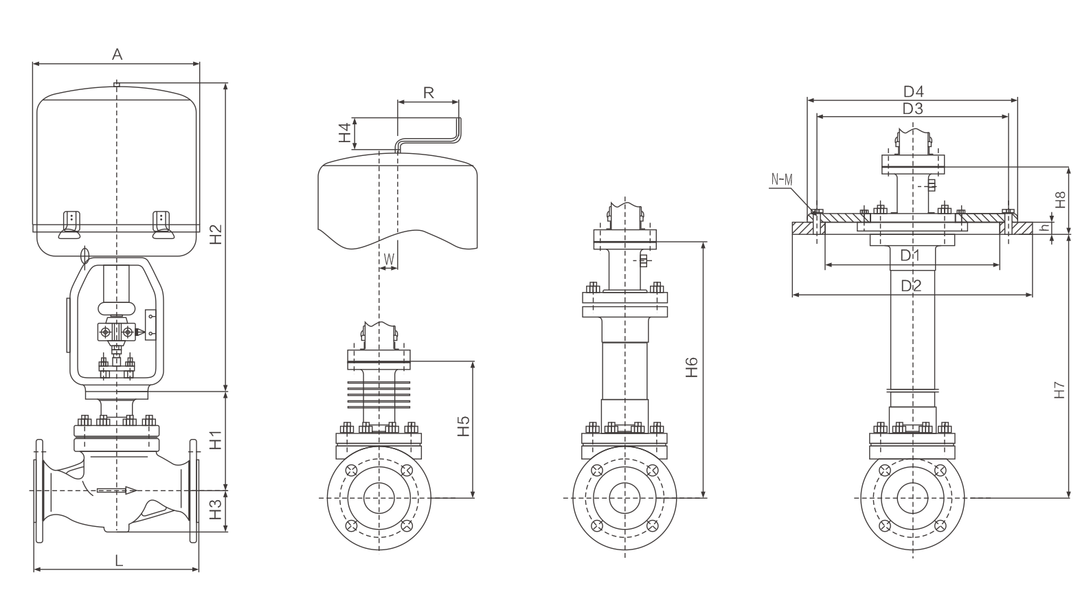
主要连接尺寸
| 公称通径(DN) | 20 | 25 | 32 | 40 | 50 | 65 | 80 | 100 | 125 | 150 | 200 | 250 | 300 | |
| L | PN16/25 | 181 | 184 | 200 | 222 | 254 | 276 | 298 | 352 | 410 | 451 | 600 | 640 | 880 |
| PN40 | 194 | 197 | 200 | 235 | 267 | 292 | 317 | 368 | 425 | 473 | 610 | 760 | 910 | |
| PN64 | 206 | 200 | 210 | 251 | 286 | 311 | 337 | 394 | 440 | 508 | 650 | 810 | 950 | |
| H | PN16/25 | 52.5 | 57.5 | 75 | 75 | 85.5 | 92.5 | 100 | 110 | 142.5 | 158 | 170 | 195 | 230 |
| PN40 | 52.5 | 57.5 | 75 | 75 | 82.5 | 92.5 | 100 | 117.5 | 150 | 167.5 | 187.5 | 205 | 245 | |
| PN64 | 65 | 40 | 85 | 85 | 90 | 102.5 | 107.5 | 125 | 172.5 | 195 | 207.5 | 230 | 260 | |
| H1 | 396 | 396 | 428 | 428 | 436 | 415 | 464 | 507 | 690 | 840 | 632 | 725 | 882 | |
| H2 | 3810L | 373 | 373 | 495 | 495 | 495 | 700 | 700 | 700 | 725 | 725 | 725 | 725 | 725 |
| PSL | 465 | 465 | 465 | 465 | 465 | 560 | 560 | 560 | 560 | 560 | 788 | 788 | 788 | |
| D | 3810L | 225 | 225 | 225 | 225 | 225 | 257 | 257 | 257 | 310 | 310 | 310 | 310 | 310 |
| PSL | 177 | 177 | 177 | 177 | 177 | 182 | 182 | 182 | 182 | 182 | 218 | 218 | 218 | |
随着经济高速发展,市场竞争越来越激烈,用户对阀门产品的要求也越来越多,并且对服务的要求也越来越高;我司销售部门为适应市场发展的要求,专业设立了服务培训组,为服务质量添加完善的工作,我司的售前、售中、售后服务工作经由专业的销售员来完成。
一、冠环阀门售前服务:
做到技术与销售的良好结合,让用户的每一次采购都有较好的服务体验。
①进行采购前产品技术沟通和交流,主动给予建议。
②在进行产品型号选择时考虑是否成本合理工矿效率等问题。
③不能达到工矿要求时,根据客户的特殊要求,安排设计师合理改善。
二、冠环阀门售中服务:
尊重每位用户;给用户一份省心,放心的整体价值服务。
①进行性价比:比价格,比质量,比服务,反思是否有不做到位的地方。
②严格按相关标准和技术要求进行阀门的检测和试验。
③在合作过程中,依照合同,保质保量准时交货,随时保持与用户联系。
④定制期间,相关技术人员可来我司进行产品监造和检验,同时,我司会提供该产品的结构图及详细文件资料,来做监造文件。
⑤对特殊工矿或定做的产品,可协商专业技术员亲临现场指导。
⑥我公司在发货前以电话进行产品型号、口径、数量、件数的确认。
三、冠环阀门售后服务:
好的服务铸就好的企业让客户无后顾之忧。
①按合同要求提供产品的合格证、检验报告、安装说明书等。
②顾客在验收产品过程中,如出现与合同要求不符时,我司接到顾客通知后两小时内给予处理。
③我司提供十二个月的产品质保期,时间从验收合格之日起计算。
④在正确安装和使用下,出现产品质量问题,本公司将负责到底。
冠环阀门包修包换承诺:
①在正常的储运、安装、保养、使用条件下,因产品的质量问题不能正常使用时,提供三保四包: 保质、保量、保及时、包修、包换、包退、包损失。
②在接到质量信息反馈时,将在24小时内提出处理意见,并做到100小时内赶到现场做处理。
③可根据用户需求协商提供备品、备件和安装、调试、维修服务。
为了让您采购到满意的阀门,减少阀门订购过程出现的问题,也是提高我们工作人员的工作效率。我们希望您提供详尽的订货需求,以便我们为您提高更周到的服务!
阀门订货说明:
1、①产品名称与型号,②公称直径,③阀体材质,④公称压力,⑤使用介质,⑥使用温度,⑦驱动方式,⑧是否带附件,以便我们的为您正确选型。
2、如有特殊要求时请在订购产品时注明。
3、若已经由设计单位选定的型号,请按型号直接向我司销售部订购。
4、当使用的场合非常重要或环境比较复杂时,请您尽量提供设计图。
欢迎您访问我们的网站,如有任何疑问,您可以致电给我们,我们一定会尽心尽力为您提供高品质的服务,详细咨询:15000098987。

我要咨询





















021-67895388
shghfmc@163.com
93862333