电子式电动三通调节阀
产品型号:ZDLQ、ZDLX
阀门通径:DN25~300mm
压力范围:PN1.6~6.4MPa
适用温度:-40℃~450℃
法兰标准:JB/T79.1、JB/T79.2
阀体材质:WCB、304、316、316L
阀芯形式:单座柱塞型
阀芯阀座:304、316+STL
控制方式:比例调节型或开关型
电源电压:AC220V、AC380V、DC24V
产品概述
电子式电动三通调节阀是由PSL系列和361L系列直行程电动执行机构和低流阻直通单座阀组成(也可配其它品牌直行程执行机构)。电动执行机构为电子式一体化结构,无须另配伺服放大器,输入控制信号(4-20mA DC或1-5V DC)及电源即可控制阀门开度,常用于热交换器的两相调节和简单的配比调节。具有动作灵敏、连线简单、流量大、体积小、调节精度高等特点。该产品可代替两台互为开关的单、双座调节阀,用于液体、气体、蒸汽等介质的调节与控制。
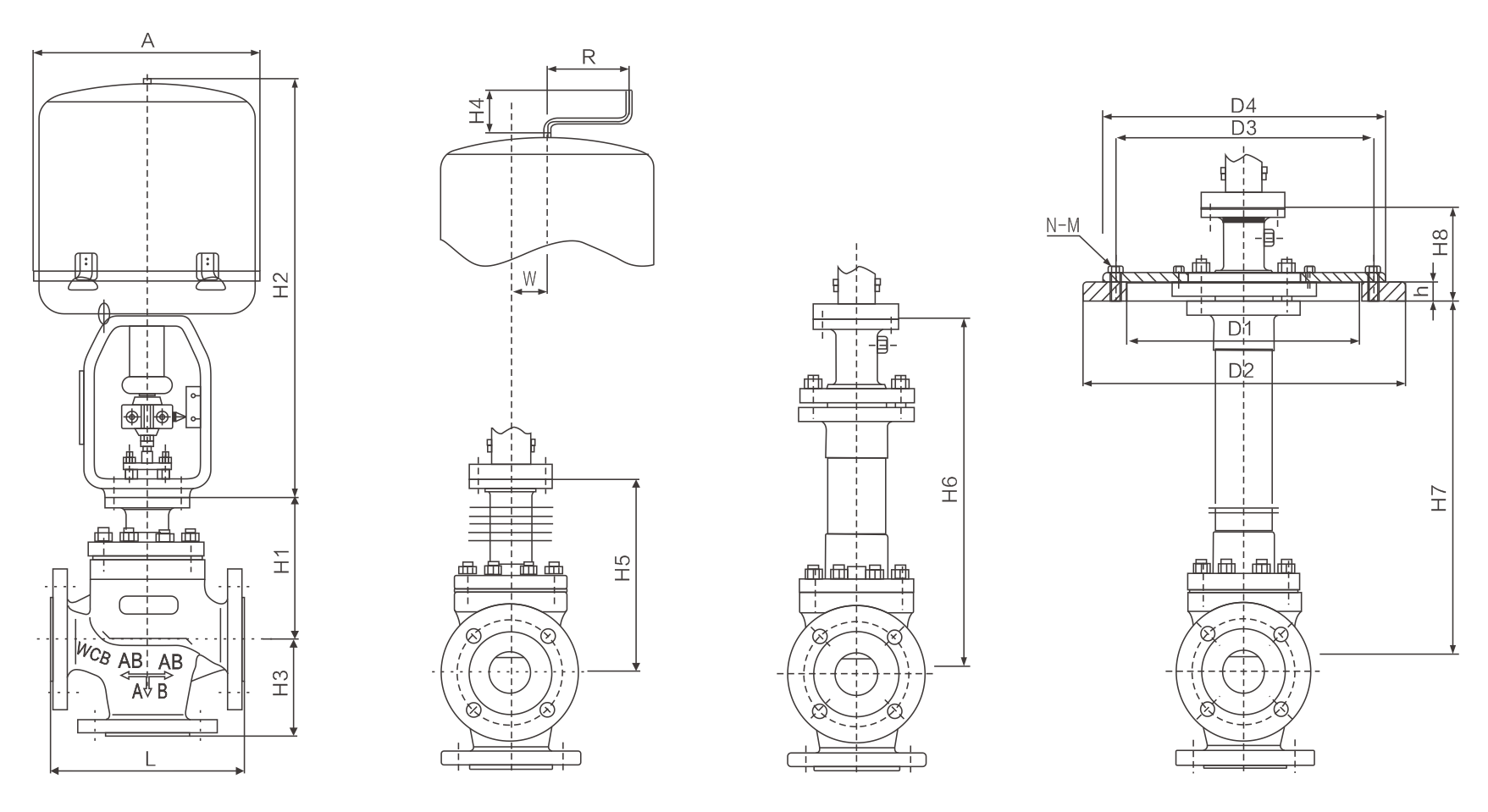
主要连接尺寸
|
口径 尺寸 |
DN25 1" |
DN 32 1 1/4" |
DN 40 1 1/2" |
DN50 2" |
DN 65 2 1/2" |
DN80 3" |
DN100 4" |
DN125 5" |
DN150 6" |
DN200 8" |
|
L |
230 |
260 |
260 |
300 |
340 |
380 |
430 |
500 |
550 |
650 |
|
A |
225 |
255 |
255 |
255 |
255 |
255 |
255 |
310 |
310 |
310 |
|
H1 |
137 |
148 |
152 |
159 |
218 |
230 |
238 |
264 |
331 |
346 |
|
H2 |
373 |
495 |
495 |
495 |
535 |
535 |
535 |
725 |
725 |
725 |
|
H3 |
160 |
170 |
180 |
200 |
230 |
250 |
282 |
310 |
430 |
480 |
|
H4 |
87 |
90 |
90 |
90 |
90 |
90 |
90 |
90 |
90 |
90 |
|
R |
80 |
100 |
100 |
100 |
100 |
100 |
100 |
160 |
160 |
160 |
|
H5 |
220 |
240 |
240 |
240 |
350 |
350 |
360 |
420 |
470 |
500 |
|
H6 |
338 |
402 |
402 |
405 |
627 |
628 |
635 |
698 |
702 |
728 |
|
H7 |
700(可定制) |
|||||||||
|
H8 |
88 |
88 |
88 |
88 |
94 |
94 |
94 |
110 |
110 |
110 |
|
h |
15 |
15 |
18 |
18 |
18 |
20 |
20 |
20 |
20 |
20 |
|
D1 |
270 |
305 |
342 |
375 |
430 |
490 |
556 |
665 |
665 |
765 |
|
D2 |
355 |
390 |
430 |
465 |
520 |
585 |
600 |
770 |
770 |
850 |
|
D3 |
305 |
340 |
370 |
405 |
460 |
525 |
690 |
700 |
700 |
805 |
|
D4 |
335 |
370 |
400 |
435 |
490 |
555 |
630 |
740 |
740 |
845 |
|
N-M |
8-M14 |
10-M14 |
10-M14 |
10-M14 |
12-M16 |
14-M16 |
18-M16 |
18-M16 |
18-M16 |
18-M16 |
|
重量(Kg) |
20 |
28 |
40 |
45 |
64 |
75 |
102 |
184 |
247 |
340 |
随着经济高速发展,市场竞争越来越激烈,用户对阀门产品的要求也越来越多,并且对服务的要求也越来越高;我司销售部门为适应市场发展的要求,专业设立了服务培训组,为服务质量添加完善的工作,我司的售前、售中、售后服务工作经由专业的销售员来完成。
一、冠环阀门售前服务:
做到技术与销售的良好结合,让用户的每一次采购都有较好的服务体验。
①进行采购前产品技术沟通和交流,主动给予建议。
②在进行产品型号选择时考虑是否成本合理工矿效率等问题。
③不能达到工矿要求时,根据客户的特殊要求,安排设计师合理改善。
二、冠环阀门售中服务:
尊重每位用户;给用户一份省心,放心的整体价值服务。
①进行性价比:比价格,比质量,比服务,反思是否有不做到位的地方。
②严格按相关标准和技术要求进行阀门的检测和试验。
③在合作过程中,依照合同,保质保量准时交货,随时保持与用户联系。
④定制期间,相关技术人员可来我司进行产品监造和检验,同时,我司会提供该产品的结构图及详细文件资料,来做监造文件。
⑤对特殊工矿或定做的产品,可协商专业技术员亲临现场指导。
⑥我公司在发货前以电话进行产品型号、口径、数量、件数的确认。
三、冠环阀门售后服务:
好的服务铸就好的企业让客户无后顾之忧。
①按合同要求提供产品的合格证、检验报告、安装说明书等。
②顾客在验收产品过程中,如出现与合同要求不符时,我司接到顾客通知后两小时内给予处理。
③我司提供十二个月的产品质保期,时间从验收合格之日起计算。
④在正确安装和使用下,出现产品质量问题,本公司将负责到底。
冠环阀门包修包换承诺:
①在正常的储运、安装、保养、使用条件下,因产品的质量问题不能正常使用时,提供三保四包: 保质、保量、保及时、包修、包换、包退、包损失。
②在接到质量信息反馈时,将在24小时内提出处理意见,并做到100小时内赶到现场做处理。
③可根据用户需求协商提供备品、备件和安装、调试、维修服务。
为了让您采购到满意的阀门,减少阀门订购过程出现的问题,也是提高我们工作人员的工作效率。我们希望您提供详尽的订货需求,以便我们为您提高更周到的服务!
阀门订货说明:
1、①产品名称与型号,②公称直径,③阀体材质,④公称压力,⑤使用介质,⑥使用温度,⑦驱动方式,⑧是否带附件,以便我们的为您正确选型。
2、如有特殊要求时请在订购产品时注明。
3、若已经由设计单位选定的型号,请按型号直接向我司销售部订购。
4、当使用的场合非常重要或环境比较复杂时,请您尽量提供设计图。
欢迎您访问我们的网站,如有任何疑问,您可以致电给我们,我们一定会尽心尽力为您提供高品质的服务,详细咨询:15000098987。

我要咨询





















021-67895388
shghfmc@163.com
93862333