气动活塞式三通切断阀
产品型号:ZSQN
公称通径:DN20~200mm
公称压力:PN1.0~6.4MPa
连接方式:法兰
阀体材料:铸铁、碳钢、不锈钢
适用介质:水、蒸汽、油品、酸碱等
适用温度:软密封F(四氟乙烯)≤180℃,硬密封≤450℃。
驱动方式:气动
产品概述
活塞式气动三通切断阀, 由ZS型弹簧活塞式执行机构和切断阀组成,体积和重量轻小,切断迅速可靠,许用压差大。是自控系统执行元件,它接受二位调节仪表,PC程控机以及电控"ON-OFF"开关量信号,切断、开启或改变介质流向,实现对工艺参数二位式控制,适用于工艺管道紧急切断和放空用自动保护联锁系统等场所。本系列产品有薄膜式、活塞式两种。阀体结构有单座、套筒、双座(二位三通)三种,密封形式有填料密封和波纹管密封两种。具有结构简单、操作力大、体形小、重量轻、流阻小、阀容大、密封性能好、维修方便等优点。适用于无颗粒状、无杂质的气体、液体介质,要求快速严密关闭、快速放空的自动控制系统中。广泛应用于石油、化工、冶金、电力、轻纺等生产过程中的自动化控制系统中。
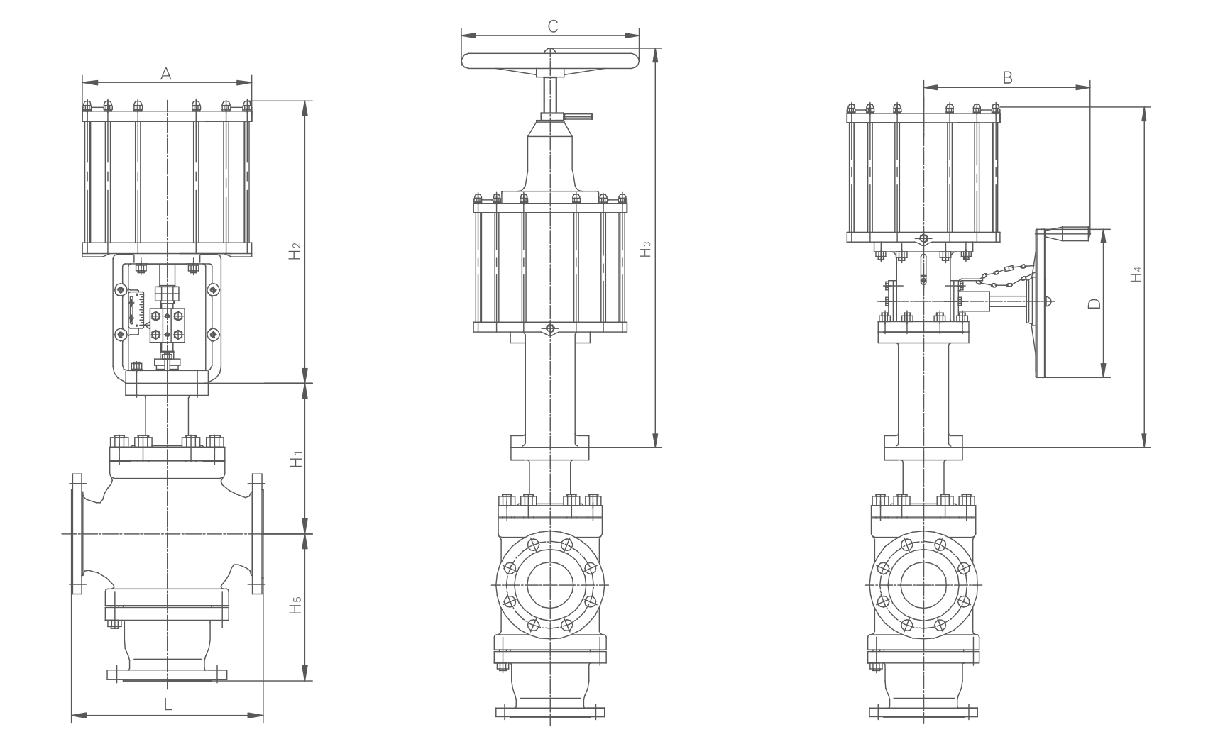
主要连接尺寸
|
公称通径 DN(mm) |
L | A | H | H1 | 重量(Kg) |
信号接头 内螺纹 |
| 20 | 150 | 130 | 92 | 310 | 10 | M10×1 |
| 25 | 160 | 130 | 92 | 310 | 12 | |
| 32 | 180 | 130 | 93 | 310 | 15 | |
| 40 | 200 | 150 | 105 | 370 | 18 | |
| 50 | 230 | 150 | 108 | 380 | 25 | |
| 65 | 290 | 210 | 120 | 400 | 30 | |
| 80 | 310 | 210 | 125 | 410 | 40 | |
| 100 | 350 | 210 | 135 | 425 | 60 |
随着经济高速发展,市场竞争越来越激烈,用户对阀门产品的要求也越来越多,并且对服务的要求也越来越高;我司销售部门为适应市场发展的要求,专业设立了服务培训组,为服务质量添加完善的工作,我司的售前、售中、售后服务工作经由专业的销售员来完成。
一、冠环阀门售前服务:
做到技术与销售的良好结合,让用户的每一次采购都有较好的服务体验。
①进行采购前产品技术沟通和交流,主动给予建议。
②在进行产品型号选择时考虑是否成本合理工矿效率等问题。
③不能达到工矿要求时,根据客户的特殊要求,安排设计师合理改善。
二、冠环阀门售中服务:
尊重每位用户;给用户一份省心,放心的整体价值服务。
①进行性价比:比价格,比质量,比服务,反思是否有不做到位的地方。
②严格按相关标准和技术要求进行阀门的检测和试验。
③在合作过程中,依照合同,保质保量准时交货,随时保持与用户联系。
④定制期间,相关技术人员可来我司进行产品监造和检验,同时,我司会提供该产品的结构图及详细文件资料,来做监造文件。
⑤对特殊工矿或定做的产品,可协商专业技术员亲临现场指导。
⑥我公司在发货前以电话进行产品型号、口径、数量、件数的确认。
三、冠环阀门售后服务:
好的服务铸就好的企业让客户无后顾之忧。
①按合同要求提供产品的合格证、检验报告、安装说明书等。
②顾客在验收产品过程中,如出现与合同要求不符时,我司接到顾客通知后两小时内给予处理。
③我司提供十二个月的产品质保期,时间从验收合格之日起计算。
④在正确安装和使用下,出现产品质量问题,本公司将负责到底。
冠环阀门包修包换承诺:
①在正常的储运、安装、保养、使用条件下,因产品的质量问题不能正常使用时,提供三保四包: 保质、保量、保及时、包修、包换、包退、包损失。
②在接到质量信息反馈时,将在24小时内提出处理意见,并做到100小时内赶到现场做处理。
③可根据用户需求协商提供备品、备件和安装、调试、维修服务。
为了让您采购到满意的阀门,减少阀门订购过程出现的问题,也是提高我们工作人员的工作效率。我们希望您提供详尽的订货需求,以便我们为您提高更周到的服务!
阀门订货说明:
1、①产品名称与型号,②公称直径,③阀体材质,④公称压力,⑤使用介质,⑥使用温度,⑦驱动方式,⑧是否带附件,以便我们的为您正确选型。
2、如有特殊要求时请在订购产品时注明。
3、若已经由设计单位选定的型号,请按型号直接向我司销售部订购。
4、当使用的场合非常重要或环境比较复杂时,请您尽量提供设计图。
欢迎您访问我们的网站,如有任何疑问,您可以致电给我们,我们一定会尽心尽力为您提供高品质的服务,详细咨询:15000098987。

我要咨询





















021-67895388
shghfmc@163.com
93862333