电动截止阀
产品型号:J941H/Y/W
公称通径:DN50-DN300mm
公称压力:PN1.6MPa-16.0MPa
适用介质:水、气、油
适用温度:-20℃-425℃
阀体材质:碳钢、不锈钢
控制方式:常开型、常闭型
附件选择:电动机构、手动机构
产品概述
电动截止阀的启闭件是塞形的阀瓣,密封面呈平面或锥面,阀瓣沿流体的中心线作直线运动。该阀只适用于全开和全关,不允许作调节和节流。被广泛用于公称压力在PN1.6~16MPa,工作温度-29~550℃的环保、石油、化工、电力行业等各种场合的管路上,起到切断流体的作用。
产品特点
1、电动截止阀产品设计制造按标准,结构合理,密封可靠,性能优良,造型美观。
2、阀瓣、阀座密封面用铁基合金堆焊或司太立钴基质合金堆焊而成。
3、电动截止阀阀杆经调质及表面氮化处理,有良好的抗腐蚀性和抗擦伤性。
4、倒密封采用螺纹连接密封或本体堆焊奥氏体不锈钢而成,密封可靠。
5、配有DZW系列多回转式电动装置,也可按用户要求选配电动装置。
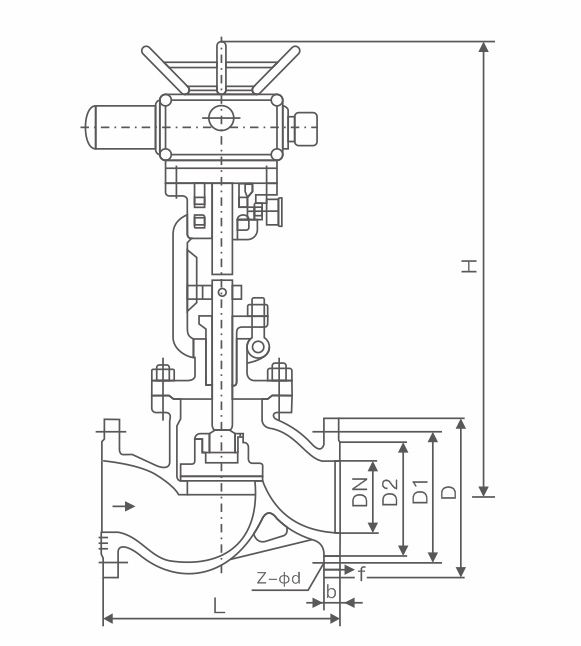
主要外形连接尺寸 PN 1.6MPa
|
公称通径DN(mm) |
L |
D |
D1 |
D2 |
b |
f |
Z-φd |
H |
D0 |
|
10 |
130 |
90 |
60 |
40 |
14 |
2 |
4-14 |
198 |
120 |
|
15 |
130 |
95 |
65 |
45 |
14 |
2 |
4-14 |
218 |
120 |
|
20 |
150 |
105 |
75 |
55 |
14 |
2 |
4-14 |
258 |
140 |
|
25 |
160 |
115 |
85 |
65 |
14 |
2 |
4-14 |
275 |
160 |
|
32 |
180 |
135 |
100 |
78 |
15 |
2 |
4-18 |
280 |
180 |
|
40 |
200 |
145 |
110 |
85 |
16 |
2 |
4-18 |
330 |
200 |
|
50 |
230 |
160 |
125 |
100 |
16 |
3 |
4-18 |
350 |
240 |
|
65 |
290 |
180 |
145 |
120 |
18 |
3 |
4-18 |
400 |
280 |
|
80 |
310 |
195 |
160 |
135 |
20 |
3 |
8-18 |
355 |
280 |
|
100 |
350 |
215 |
180 |
155 |
20 |
3 |
8-18 |
415 |
320 |
|
125 |
400 |
245 |
210 |
185 |
22 |
3 |
8-18 |
460 |
360 |
|
150 |
480 |
280 |
240 |
210 |
24 |
3 |
8-23 |
510 |
400 |
|
200 |
600 |
335 |
295 |
205 |
26 |
3 |
12-23 |
710 |
400 |
|
250 |
650 |
405 |
355 |
320 |
30 |
3 |
12-23 |
789 |
450 |
|
300 |
750 |
460 |
410 |
375 |
30 |
3 |
12-23 |
925 |
500 |
主要外形连接尺寸 PN2.5MPa
|
公称通径DN(mm) |
L |
D |
D1 |
D2 |
b |
f |
Z-φd |
H |
D0 |
电动装置 |
|
15 |
130 |
95 |
65 |
45 |
16 |
2 |
4-14 |
- |
120 |
- |
|
20 |
150 |
105 |
75 |
55 |
16 |
2 |
4-14 |
- |
140 |
- |
|
25 |
160 |
115 |
85 |
65 |
16 |
2 |
4-14 |
- |
160 |
- |
|
32 |
180 |
135 |
100 |
78 |
18 |
2 |
4-18 |
- |
180 |
- |
|
40 |
200 |
145 |
110 |
85 |
18 |
3 |
4-18 |
- |
200 |
- |
|
50 |
230 |
160 |
125 |
100 |
20 |
3 |
4-18 |
645 |
240 |
DZW101 |
|
65 |
290 |
180 |
145 |
120 |
22 |
3 |
8-18 |
690 |
280 |
DZW101 |
|
80 |
310 |
195 |
160 |
135 |
22 |
3 |
8-18 |
715 |
280 |
DZW151 |
|
100 |
350 |
230 |
190 |
160 |
24 |
3 |
8-23 |
770 |
320 |
DZW20 |
|
125 |
400 |
270 |
220 |
188 |
28 |
3 |
8-25 |
780 |
360 |
DZW30 |
|
150 |
480 |
300 |
250 |
218 |
30 |
3 |
8-25 |
875 |
400 |
DZW45 |
|
200 |
600 |
360 |
310 |
278 |
34 |
3 |
12-25 |
967 |
400 |
DZW60 |
|
250 |
650 |
425 |
370 |
332 |
36 |
3 |
12-30 |
- |
450 |
- |
|
300 |
750 |
485 |
430 |
390 |
40 |
4 |
12-30 |
- |
500 |
- |
随着经济高速发展,市场竞争越来越激烈,用户对阀门产品的要求也越来越多,并且对服务的要求也越来越高;我司销售部门为适应市场发展的要求,专业设立了服务培训组,为服务质量添加完善的工作,我司的售前、售中、售后服务工作经由专业的销售员来完成。
一、冠环阀门售前服务:
做到技术与销售的良好结合,让用户的每一次采购都有较好的服务体验。
①进行采购前产品技术沟通和交流,主动给予建议。
②在进行产品型号选择时考虑是否成本合理工矿效率等问题。
③不能达到工矿要求时,根据客户的特殊要求,安排设计师合理改善。
二、冠环阀门售中服务:
尊重每位用户;给用户一份省心,放心的整体价值服务。
①进行性价比:比价格,比质量,比服务,反思是否有不做到位的地方。
②严格按相关标准和技术要求进行阀门的检测和试验。
③在合作过程中,依照合同,保质保量准时交货,随时保持与用户联系。
④定制期间,相关技术人员可来我司进行产品监造和检验,同时,我司会提供该产品的结构图及详细文件资料,来做监造文件。
⑤对特殊工矿或定做的产品,可协商专业技术员亲临现场指导。
⑥我公司在发货前以电话进行产品型号、口径、数量、件数的确认。
三、冠环阀门售后服务:
好的服务铸就好的企业让客户无后顾之忧。
①按合同要求提供产品的合格证、检验报告、安装说明书等。
②顾客在验收产品过程中,如出现与合同要求不符时,我司接到顾客通知后两小时内给予处理。
③我司提供十二个月的产品质保期,时间从验收合格之日起计算。
④在正确安装和使用下,出现产品质量问题,本公司将负责到底。
冠环阀门包修包换承诺:
①在正常的储运、安装、保养、使用条件下,因产品的质量问题不能正常使用时,提供三保四包: 保质、保量、保及时、包修、包换、包退、包损失。
②在接到质量信息反馈时,将在24小时内提出处理意见,并做到100小时内赶到现场做处理。
③可根据用户需求协商提供备品、备件和安装、调试、维修服务。
为了让您采购到满意的阀门,减少阀门订购过程出现的问题,也是提高我们工作人员的工作效率。我们希望您提供详尽的订货需求,以便我们为您提高更周到的服务!
阀门订货说明:
1、①产品名称与型号,②公称直径,③阀体材质,④公称压力,⑤使用介质,⑥使用温度,⑦驱动方式,⑧是否带附件,以便我们的为您正确选型。
2、如有特殊要求时请在订购产品时注明。
3、若已经由设计单位选定的型号,请按型号直接向我司销售部订购。
4、当使用的场合非常重要或环境比较复杂时,请您尽量提供设计图。
欢迎您访问我们的网站,如有任何疑问,您可以致电给我们,我们一定会尽心尽力为您提供高品质的服务,详细咨询:15000098987。

我要咨询























021-67895388
shghfmc@163.com
93862333