刀型闸阀(电动)
产品型号:PZ973X
公称压力:国标PN10、PN16、美标150LB、日标10K、英标EN、德标DIN
通径范围:2"-50"(DN50-1250mm)
连接形式:对夹、全凸耳、圆形
传动机构:手动、电动、气动、液动、链轮、伞齿轮、电液动
主要材质:CF3M、CF8M、CF8、CF3
阀板材质:SS304、SS316、SS316L
密封材质:H、W、F、X、(丁腈橡胶、三元乙丙橡胶、氟橡胶)
填料材质:四氟、芳纶、高水基、橡胶、石墨
刀型闸阀是一种直行程的开关切断阀,其外观美观、轻巧、结构紧凑,可以采用手动控制、或者气动控制。刀型闸阀的刀型闸板具有很强的剪切力,因此非常适用于造纸、污水处理、采矿、制糖、化纤等含颗粒物或纤维的工况。
其主要结构特点有
1、刀型闸阀采用整体式结构,超薄阀体,全通径流量,较大程度避免了介质外漏,流量损失,并且便于安装使用
2、阀体流道底部采用固定导向爪来固定闸板,取代了沟槽设计,从而避免了介质积存导致阀门关闭时产生卡渣现象。
3、闸板底部采用刀型圆弧设计,因此闸板活动时对介质具有很强的剪切作用和优异的密封效果。
4、可更换式阀座设计采用阀座盖对阀座进行固定预紧,当阀座密封面密封不严,通过对阀座压盖固定螺丝进行调整可以改善密封效果。
5、双轴承设计大大减小了阀门的扭矩,便于阀门的启闭。
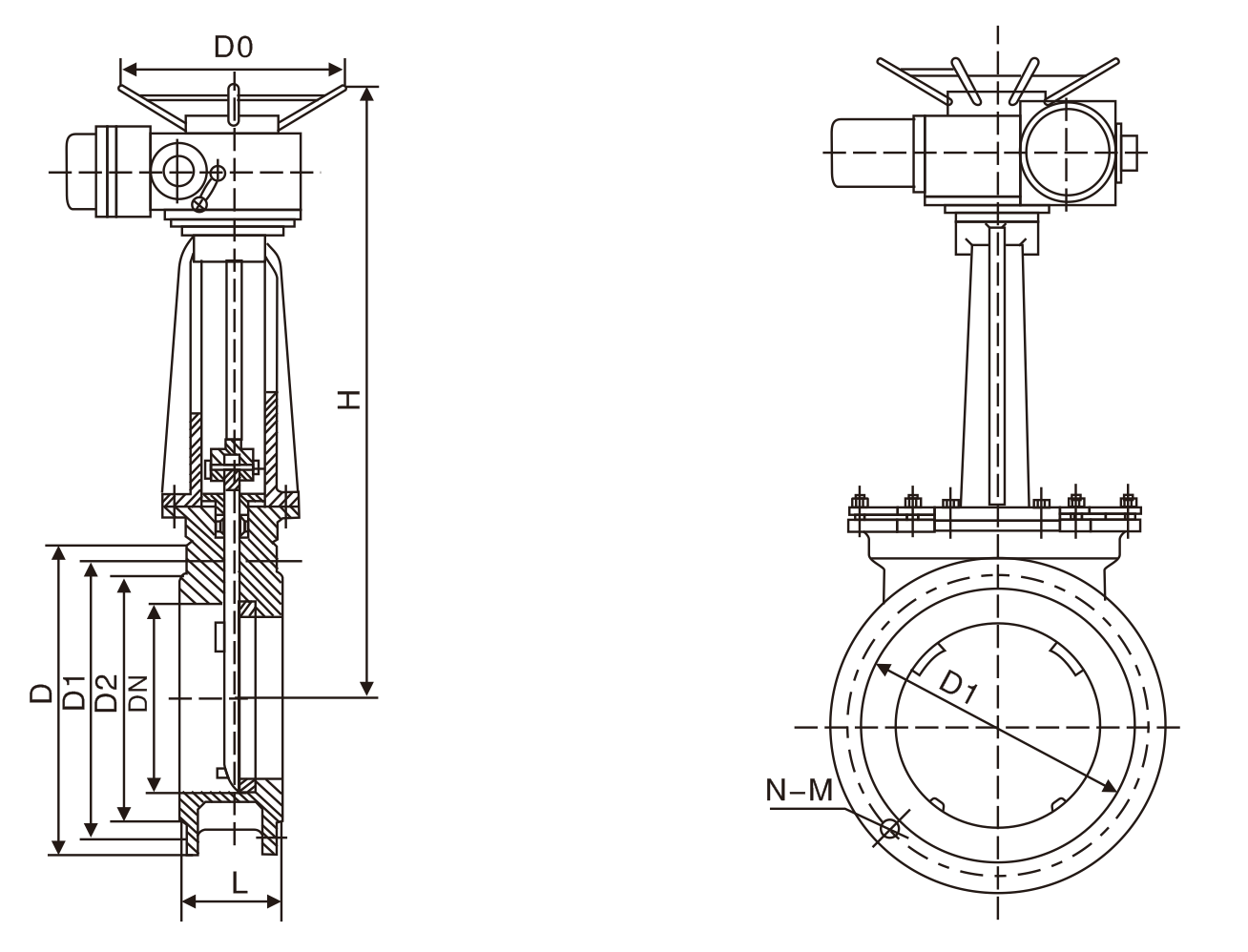
主要外形及连接尺寸(mm)
| 公称压力(MPa) | DN | L | D | D1 | D2 | H | N-M | D0 | W(Kg) |
| 1.0 | 50 | 43 | 160 | 125 | 100 | 285 | 4-M16 | 180 | 8 |
| 65 | 46 | 180 | 145 | 120 | 298 | 4-M16 | 180 | 10 | |
| 80 | 46 | 195 | 160 | 135 | 315 | 4-M16 | 220 | 12 | |
| 100 | 52 | 215 | 180 | 155 | 365 | 8-M16 | 220 | 14 | |
| 125 | 56 | 245 | 210 | 185 | 400 | 8-M16 | 230 | 22 | |
| 150 | 56 | 280 | 240 | 210 | 475 | 8-M20 | 280 | 29 | |
| 200 | 60 | 335 | 295 | 265 | 540 | 8-M20 | 360 | 38 | |
| 250 | 68 | 390 | 350 | 320 | 630 | 12-M20 | 360 | 66 | |
| 300 | 78 | 440 | 400 | 368 | 780 | 12-M20 | 400 | 100 | |
| 350 | 78 | 500 | 460 | 428 | 885 | 16-M20 | 400 | 119 | |
| 400 | 102 | 565 | 515 | 482 | 990 | 16-M22 | 400 | 195 | |
| 450 | 114 | 615 | 565 | 532 | 1100 | 20-M22 | 530 | 285 | |
| 500 | 127 | 670 | 620 | 585 | 1200 | 20-M22 | 530 | 389 | |
| 600 | 154 | 780 | 725 | 685 | 1450 | 20-M27 | 600 | 529 | |
| 700 | 165 | 895 | 840 | 800 | 1700 | 24-M27 | 600 | 790 | |
| 800 | 190 | 1010 | 950 | 898 | 2000 | 24-M30 | 680 | 850 | |
| 900 | 203 | 1110 | 1050 | 1005 | 2300 | 28-M30 | 680 | 900 | |
| 1000 | 216 | 1220 | 1160 | 1115 | 2500 | 28-M30 | 700 | 1050 | |
| 1200 | 254 | 1450 | 1380 | 1325 | 2800 | 32-M36 | 800 | 1300 | |
| 1.6 | 50 | 43 | 160 | 125 | 99 | 285 | 4-M16 | 180 | 8.5 |
| 65 | 46 | 185 | 145 | 120 | 295 | 4-M16 | 180 | 10.7 | |
| 80 | 46 | 200 | 160 | 135 | 315 | 8-M16 | 220 | 13 | |
| 100 | 52 | 220 | 180 | 155 | 365 | 8-M16 | 220 | 15 | |
| 125 | 56 | 250 | 210 | 185 | 400 | 8-M16 | 230 | 23.5 | |
| 150 | 56 | 285 | 240 | 210 | 475 | 8-M20 | 280 | 31 | |
| 200 | 60 | 340 | 295 | 265 | 540 | 12-M20 | 360 | 40.7 | |
| 250 | 68 | 405 | 355 | 310 | 630 | 12-M22 | 360 | 70 | |
| 300 | 78 | 460 | 410 | 375 | 780 | 12-M22 | 400 | 107 | |
| 350 | 78 | 520 | 470 | 435 | 885 | 16-M22 | 400 | 129 | |
| 400 | 102 | 580 | 525 | 485 | 990 | 16-M27 | 400 | 215 | |
| 450 | 114 | 640 | 585 | 545 | 1100 | 20-M27 | 530 | 305 | |
| 500 | 127 | 715 | 650 | 609 | 1200 | 20-M30 | 530 | 410 | |
| 600 | 154 | 840 | 770 | 720 | 1450 | 20-M36 | 600 | 550 | |
| 700 | 165 | 910 | 840 | 788 | 1700 | 24-M36 | 600 | 820 | |
| 800 | 190 | 1025 | 950 | 898 | 2000 | 24-M36 | 680 | 950 | |
| 900 | 203 | 1125 | 1050 | 998 | 2300 | 28-M36 | 680 | 1020 | |
| 1000 | 216 | 1255 | 1170 | 1110 | 2500 | 28-M42 | 700 | 1120 | |
| 1200 | 254 | 1485 | 1390 | 1325 | 2800 | 32-M48 | 800 | 1480 |
随着经济高速发展,市场竞争越来越激烈,用户对阀门产品的要求也越来越多,并且对服务的要求也越来越高;我司销售部门为适应市场发展的要求,专业设立了服务培训组,为服务质量添加完善的工作,我司的售前、售中、售后服务工作经由专业的销售员来完成。
一、冠环阀门售前服务:
做到技术与销售的良好结合,让用户的每一次采购都有较好的服务体验。
①进行采购前产品技术沟通和交流,主动给予建议。
②在进行产品型号选择时考虑是否成本合理工矿效率等问题。
③不能达到工矿要求时,根据客户的特殊要求,安排设计师合理改善。
二、冠环阀门售中服务:
尊重每位用户;给用户一份省心,放心的整体价值服务。
①进行性价比:比价格,比质量,比服务,反思是否有不做到位的地方。
②严格按相关标准和技术要求进行阀门的检测和试验。
③在合作过程中,依照合同,保质保量准时交货,随时保持与用户联系。
④定制期间,相关技术人员可来我司进行产品监造和检验,同时,我司会提供该产品的结构图及详细文件资料,来做监造文件。
⑤对特殊工矿或定做的产品,可协商专业技术员亲临现场指导。
⑥我公司在发货前以电话进行产品型号、口径、数量、件数的确认。
三、冠环阀门售后服务:
好的服务铸就好的企业让客户无后顾之忧。
①按合同要求提供产品的合格证、检验报告、安装说明书等。
②顾客在验收产品过程中,如出现与合同要求不符时,我司接到顾客通知后两小时内给予处理。
③我司提供十二个月的产品质保期,时间从验收合格之日起计算。
④在正确安装和使用下,出现产品质量问题,本公司将负责到底。
冠环阀门包修包换承诺:
①在正常的储运、安装、保养、使用条件下,因产品的质量问题不能正常使用时,提供三保四包: 保质、保量、保及时、包修、包换、包退、包损失。
②在接到质量信息反馈时,将在24小时内提出处理意见,并做到100小时内赶到现场做处理。
③可根据用户需求协商提供备品、备件和安装、调试、维修服务。
为了让您采购到满意的阀门,减少阀门订购过程出现的问题,也是提高我们工作人员的工作效率。我们希望您提供详尽的订货需求,以便我们为您提高更周到的服务!
阀门订货说明:
1、①产品名称与型号,②公称直径,③阀体材质,④公称压力,⑤使用介质,⑥使用温度,⑦驱动方式,⑧是否带附件,以便我们的为您正确选型。
2、如有特殊要求时请在订购产品时注明。
3、若已经由设计单位选定的型号,请按型号直接向我司销售部订购。
4、当使用的场合非常重要或环境比较复杂时,请您尽量提供设计图。
欢迎您访问我们的网站,如有任何疑问,您可以致电给我们,我们一定会尽心尽力为您提供高品质的服务,详细咨询:15000098987。

我要咨询























021-67895388
shghfmc@163.com
93862333