电动对夹式硬密封蝶阀
产品型号:D971H/W
公称通径:DN50~1200mm
压力范围:PN1.0~2.5MPa
适用温度:碳钢:-29℃~400℃ 、不锈钢:-40℃~600℃
适用介质:空气、水、污水、蒸气、煤气、油品等
阀门材质:铸钢、不锈钢
产品结构特征
三偏心蝶阀是将正锥角旋转一个角度改为斜锥角,这样阀杆与阀体中心偏心减小,开启力矩也随之减小。广泛用于冶金 、电力、石油化工、以及给排水和市政建设等工业管道上,作调节流量和载断流体使用。
其主要结构特点有:
1、蝶板与密封面启闭无摩擦,强制密封;
2、可以任意位置安装;
3、零泄漏结构设计;
4、可选择金属与非金属,金属与金属密封方式;
5、有单向阀门和双向阀门供客户选择;
6、可选择动负载式填料;
7、可选择低泄露填料满足ISO 15848要求;
8、阀杆可加长设计;
9、可以按客户要求设计低温阀门或超低温阀门。
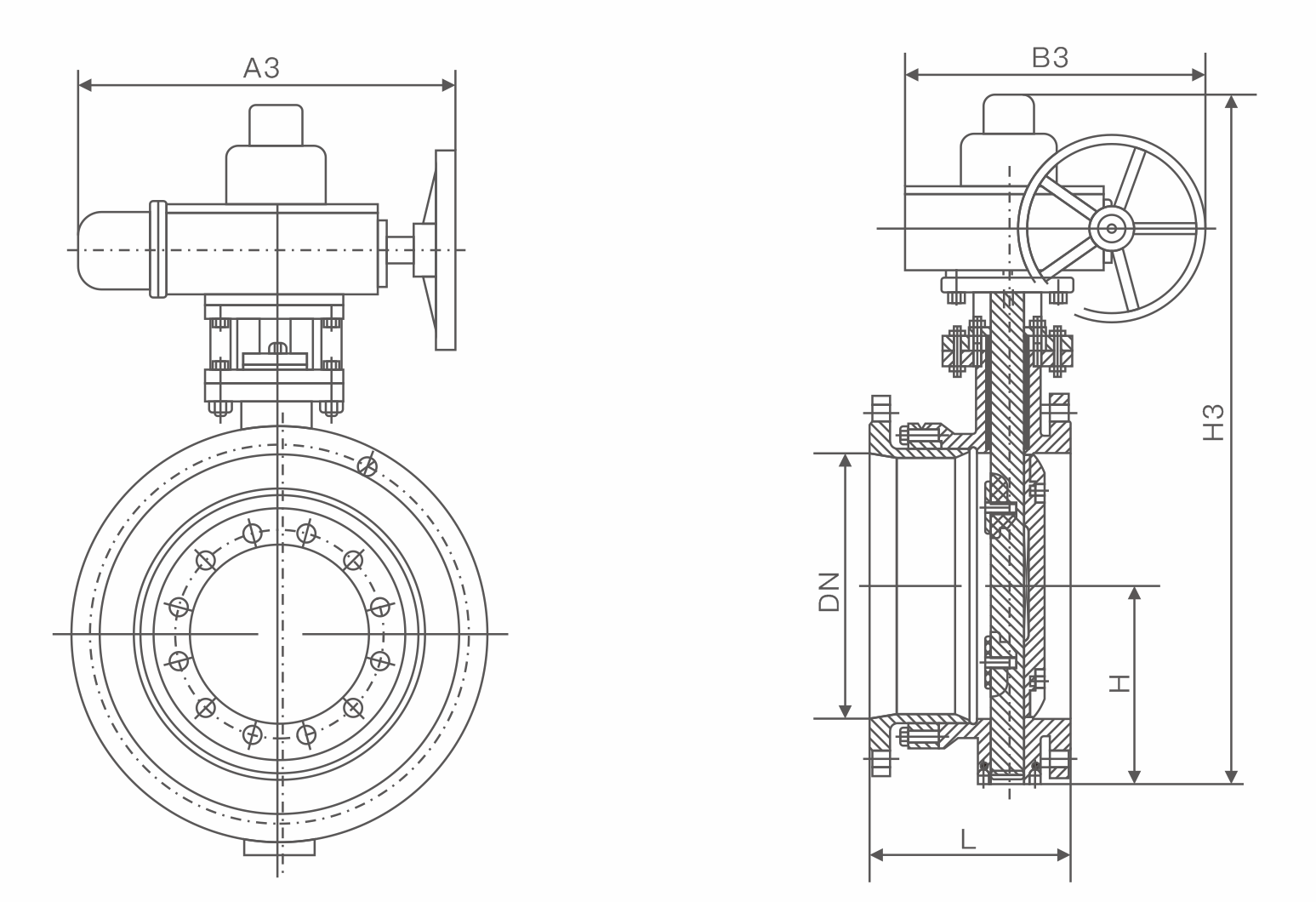
主要外形连接尺寸
|
公称通径 (DN) |
主要尺寸 | 法兰尺寸 | ||||||||||
| L | H | H1 | 1.0MPa | 1.6MPa | 2.5MPa | |||||||
| D | D1 | n-Фd | D | D1 | n-Фd | D | D1 | n-Фd | ||||
| 50 | 108 | 112 | 530 | 165 | 125 | 4-18 | 165 | 125 | 4-18 | 165 | 125 | 4-18 |
| 65 | 112 | 115 | 530 | 185 | 145 | 4-18 | 185 | 145 | 4-18 | 185 | 145 | 8-18 |
| 80 | 114 | 120 | 565 | 200 | 160 | 4-18 | 200 | 160 | 8-18 | 200 | 160 | 8-18 |
| 100 | 127 | 138 | 600 | 220 | 180 | 8-18 | 220 | 180 | 8-18 | 235 | 190 | 8-22 |
| 125 | 140 | 164 | 640 | 250 | 210 | 8-18 | 250 | 210 | 8-18 | 270 | 220 | 8-26 |
| 150 | 140 | 175 | 705 | 285 | 240 | 8-22 | 285 | 240 | 8-22 | 300 | 250 | 8-26 |
| 200 | 152 | 200 | 775 | 340 | 295 | 8-22 | 340 | 295 | 12-22 | 360 | 310 | 12-26 |
| 250 | 165 | 243 | 945 | 395 | 350 | 12-22 | 405 | 355 | 12-26 | 425 | 370 | 12-30 |
| 300 | 178 | 250 | 1070 | 445 | 400 | 12-22 | 460 | 410 | 12-26 | 485 | 430 | 16-30 |
| 350 | 190 | 280 | 1140 | 505 | 460 | 16-22 | 520 | 470 | 12-26 | 555 | 490 | 16-33 |
| 400 | 216 | 305 | 1210 | 565 | 515 | 16-26 | 580 | 525 | 16-26 | 620 | 550 | 16-36 |
| 450 | 222 | 350 | 1335 | 615 | 565 | 20-26 | 640 | 585 | 16-30 | 670 | 600 | 20-36 |
| 500 | 229 | 380 | 1415 | 670 | 620 | 20-26 | 715 | 650 | 20-30 | 730 | 660 | 20-36 |
| 600 | 267 | 445 | 1605 | 780 | 725 | 20-30 | 840 | 770 | 20-33 | 845 | 770 | 20-39 |
| 700 | 292 | 480 | 1844 | 895 | 840 | 24-30 | 910 | 840 | 24-36 | 960 | 875 | 24-42 |
| 800 | 318 | 530 | 2040 | 1015 | 950 | 24-33 | 1025 | 950 | 24-39 | 1085 | 990 | 24-48 |
| 900 | 330 | 580 | 2255 | 1115 | 1050 | 28-33 | 1125 | 1050 | 28-39 | 1185 | 1090 | 28-48 |
| 1000 | 410 | 650 | 2380 | 1230 | 1160 | 28-36 | 1255 | 1170 | 28-42 | 1320 | 1210 | 28-56 |
| 1200 | 470 | 760 | 2640 | 1455 | 1380 | 32-39 | 1485 | 1390 | 32-48 | 1530 | 1420 | 32-56 |
随着经济高速发展,市场竞争越来越激烈,用户对阀门产品的要求也越来越多,并且对服务的要求也越来越高;我司销售部门为适应市场发展的要求,专业设立了服务培训组,为服务质量添加完善的工作,我司的售前、售中、售后服务工作经由专业的销售员来完成。
一、冠环阀门售前服务:
做到技术与销售的良好结合,让用户的每一次采购都有较好的服务体验。
①进行采购前产品技术沟通和交流,主动给予建议。
②在进行产品型号选择时考虑是否成本合理工矿效率等问题。
③不能达到工矿要求时,根据客户的特殊要求,安排设计师合理改善。
二、冠环阀门售中服务:
尊重每位用户;给用户一份省心,放心的整体价值服务。
①进行性价比:比价格,比质量,比服务,反思是否有不做到位的地方。
②严格按相关标准和技术要求进行阀门的检测和试验。
③在合作过程中,依照合同,保质保量准时交货,随时保持与用户联系。
④定制期间,相关技术人员可来我司进行产品监造和检验,同时,我司会提供该产品的结构图及详细文件资料,来做监造文件。
⑤对特殊工矿或定做的产品,可协商专业技术员亲临现场指导。
⑥我公司在发货前以电话进行产品型号、口径、数量、件数的确认。
三、冠环阀门售后服务:
好的服务铸就好的企业让客户无后顾之忧。
①按合同要求提供产品的合格证、检验报告、安装说明书等。
②顾客在验收产品过程中,如出现与合同要求不符时,我司接到顾客通知后两小时内给予处理。
③我司提供十二个月的产品质保期,时间从验收合格之日起计算。
④在正确安装和使用下,出现产品质量问题,本公司将负责到底。
冠环阀门包修包换承诺:
①在正常的储运、安装、保养、使用条件下,因产品的质量问题不能正常使用时,提供三保四包: 保质、保量、保及时、包修、包换、包退、包损失。
②在接到质量信息反馈时,将在24小时内提出处理意见,并做到100小时内赶到现场做处理。
③可根据用户需求协商提供备品、备件和安装、调试、维修服务。
为了让您采购到满意的阀门,减少阀门订购过程出现的问题,也是提高我们工作人员的工作效率。我们希望您提供详尽的订货需求,以便我们为您提高更周到的服务!
阀门订货说明:
1、①产品名称与型号,②公称直径,③阀体材质,④公称压力,⑤使用介质,⑥使用温度,⑦驱动方式,⑧是否带附件,以便我们的为您正确选型。
2、如有特殊要求时请在订购产品时注明。
3、若已经由设计单位选定的型号,请按型号直接向我司销售部订购。
4、当使用的场合非常重要或环境比较复杂时,请您尽量提供设计图。
欢迎您访问我们的网站,如有任何疑问,您可以致电给我们,我们一定会尽心尽力为您提供高品质的服务,详细咨询:15000098987。

我要咨询























021-67895388
shghfmc@163.com
93862333