不锈钢三偏心法兰蝶阀( 气动 )
公称通径:NPS2"~120"(DN50~DN3000)
公称压力:Class150~Class600 (PN6~PN16)
主体材料:碳钢、不锈钢、双相不锈钢、合金钢、球墨铸铁
连接形式:法兰式
温度范围:-40℃~120℃
驱动类型:气动装置
设计标准:API 609,AWWA C504,GB/T12238,GB/T1392
产品概述
三偏心蝶阀是将正锥角旋转一个角度改为斜锥角,这样阀杆与阀体中心偏心减小,开启力矩也随之减小。广泛用于冶金 、电力、石油化工、以及给排水和市政建设等工业管道上,作调节流量和载断流体使用。
其主要结构特点有
1、蝶板与密封面启闭无摩擦,强制密封;
2、可以任意位置安装;
3、零泄漏结构设计;
4、可选择金属与非金属,金属与金属密封方式;
5、有单向阀门和双向阀门供客户选择;
6、可选择动负载式填料;
7、可选择低泄露填料满足ISO 15848要求;
8、阀杆可加长设计;
9、可以按客户要求设计低温阀门或超低温阀门。
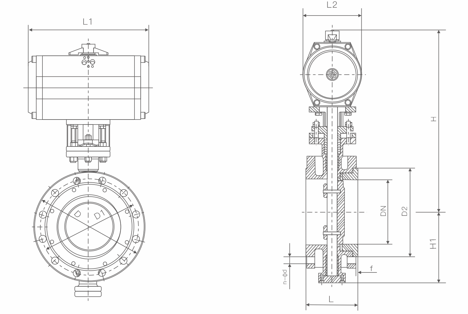
主要外形连接尺寸
|
公称通径 |
长度 |
外形尺寸 |
连接尺寸(标准值) |
重量 |
|||||||||||||||
|
0.6MPa |
1.0MPa |
1.6MPa |
|||||||||||||||||
|
毫米 |
英寸 |
L |
C |
B |
A |
D |
D1 |
D2 |
D3 |
n-d |
D1 |
D2 |
D3 |
n-d |
D1 |
D2 |
D3 |
n-d |
|
|
50 |
2 |
108 |
82.5 |
338 |
180 |
65 |
140 |
110 |
88 |
4-14 |
165 |
125 |
99 |
4-18 |
165 |
125 |
99 |
4-18 |
14 |
|
65 |
2-1/2 |
112 |
92.5 |
358 |
180 |
65 |
160 |
130 |
108 |
4-14 |
185 |
145 |
118 |
4-18 |
185 |
145 |
118 |
4-18 |
16 |
|
80 |
3 |
114 |
100 |
413 |
245 |
72 |
190 |
150 |
124 |
4-18 |
200 |
160 |
132 |
8-18 |
200 |
160 |
132 |
8-18 |
17 |
|
100 |
4 |
127 |
110 |
428 |
240 |
72 |
210 |
170 |
144 |
4-18 |
220 |
180 |
156 |
8-18 |
220 |
180 |
156 |
8-18 |
21 |
|
125 |
5 |
140 |
125 |
444 |
240 |
72 |
240 |
200 |
174 |
8-18 |
250 |
210 |
184 |
8-18 |
250 |
210 |
184 |
8-18 |
27 |
|
150 |
6 |
140 |
142.5 |
553 |
350 |
93 |
265 |
225 |
199 |
8-18 |
285 |
240 |
211 |
8-22 |
285 |
240 |
211 |
8-22 |
29 |
|
200 |
8 |
152 |
170 |
678 |
350 |
93 |
320 |
280 |
254 |
8-18 |
340 |
295 |
266 |
8-22 |
340 |
295 |
266 |
12-22 |
50 |
|
250 |
10 |
250 |
197.5 |
742 |
550 |
350 |
375 |
335 |
309 |
12-18 |
395 |
350 |
319 |
12-22 |
405 |
355 |
319 |
12-26 |
69 |
|
300 |
12 |
270 |
222.5 |
803 |
600 |
350 |
440 |
395 |
363 |
12-22 |
445 |
400 |
370 |
12-22 |
460 |
410 |
370 |
12-26 |
91 |
|
350 |
14 |
290 |
252.5 |
866 |
600 |
350 |
490 |
445 |
413 |
12-22 |
505 |
460 |
429 |
16-22 |
520 |
470 |
429 |
16-26 |
110 |
|
400 |
16 |
310 |
282.5 |
940 |
600 |
350 |
540 |
495 |
463 |
16-22 |
565 |
515 |
480 |
16-26 |
580 |
525 |
480 |
16-30 |
138 |
|
450 |
18 |
330 |
307.5 |
995 |
750 |
380 |
595 |
550 |
518 |
16-22 |
615 |
565 |
530 |
20-26 |
640 |
585 |
548 |
20-30 |
175 |
|
500 |
20 |
350 |
335 |
1058 |
750 |
380 |
645 |
600 |
568 |
20-22 |
670 |
620 |
582 |
20-26 |
715 |
650 |
609 |
20-33 |
210 |
|
600 |
24 |
390 |
390 |
1163 |
750 |
380 |
755 |
705 |
667 |
20-26 |
780 |
725 |
682 |
20-30 |
840 |
770 |
720 |
20-36 |
275 |
|
700 |
28 |
430 |
447.5 |
1283 |
750 |
380 |
860 |
810 |
772 |
24-26 |
895 |
840 |
794 |
24-30 |
910 |
840 |
794 |
24-36 |
530 |
|
800 |
32 |
470 |
507.5 |
1398 |
750 |
380 |
975 |
920 |
878 |
24-30 |
1015 |
950 |
901 |
24-33 |
1025 |
950 |
901 |
24-39 |
590 |
|
900 |
36 |
510 |
557.5 |
1498 |
1250 |
380 |
1075 |
1020 |
978 |
24-30 |
1115 |
1050 |
1001 |
28-33 |
1125 |
1050 |
1001 |
28-39 |
1400 |
|
1000 |
40 |
550 |
615 |
1608 |
1500 |
580 |
1175 |
1120 |
1078 |
28-30 |
1230 |
1160 |
1112 |
28-36 |
1255 |
1170 |
1112 |
28-42 |
1650 |
|
1200 |
48 |
630 |
727.5 |
1876 |
1500 |
580 |
1405 |
1340 |
1295 |
32-33 |
1455 |
1380 |
1328 |
32-39 |
1485 |
1390 |
1328 |
32-48 |
2140 |
随着经济高速发展,市场竞争越来越激烈,用户对阀门产品的要求也越来越多,并且对服务的要求也越来越高;我司销售部门为适应市场发展的要求,专业设立了服务培训组,为服务质量添加完善的工作,我司的售前、售中、售后服务工作经由专业的销售员来完成。
一、冠环阀门售前服务:
做到技术与销售的良好结合,让用户的每一次采购都有较好的服务体验。
①进行采购前产品技术沟通和交流,主动给予建议。
②在进行产品型号选择时考虑是否成本合理工矿效率等问题。
③不能达到工矿要求时,根据客户的特殊要求,安排设计师合理改善。
二、冠环阀门售中服务:
尊重每位用户;给用户一份省心,放心的整体价值服务。
①进行性价比:比价格,比质量,比服务,反思是否有不做到位的地方。
②严格按相关标准和技术要求进行阀门的检测和试验。
③在合作过程中,依照合同,保质保量准时交货,随时保持与用户联系。
④定制期间,相关技术人员可来我司进行产品监造和检验,同时,我司会提供该产品的结构图及详细文件资料,来做监造文件。
⑤对特殊工矿或定做的产品,可协商专业技术员亲临现场指导。
⑥我公司在发货前以电话进行产品型号、口径、数量、件数的确认。
三、冠环阀门售后服务:
好的服务铸就好的企业让客户无后顾之忧。
①按合同要求提供产品的合格证、检验报告、安装说明书等。
②顾客在验收产品过程中,如出现与合同要求不符时,我司接到顾客通知后两小时内给予处理。
③我司提供十二个月的产品质保期,时间从验收合格之日起计算。
④在正确安装和使用下,出现产品质量问题,本公司将负责到底。
冠环阀门包修包换承诺:
①在正常的储运、安装、保养、使用条件下,因产品的质量问题不能正常使用时,提供三保四包: 保质、保量、保及时、包修、包换、包退、包损失。
②在接到质量信息反馈时,将在24小时内提出处理意见,并做到100小时内赶到现场做处理。
③可根据用户需求协商提供备品、备件和安装、调试、维修服务。
为了让您采购到满意的阀门,减少阀门订购过程出现的问题,也是提高我们工作人员的工作效率。我们希望您提供详尽的订货需求,以便我们为您提高更周到的服务!
阀门订货说明:
1、①产品名称与型号,②公称直径,③阀体材质,④公称压力,⑤使用介质,⑥使用温度,⑦驱动方式,⑧是否带附件,以便我们的为您正确选型。
2、如有特殊要求时请在订购产品时注明。
3、若已经由设计单位选定的型号,请按型号直接向我司销售部订购。
4、当使用的场合非常重要或环境比较复杂时,请您尽量提供设计图。
欢迎您访问我们的网站,如有任何疑问,您可以致电给我们,我们一定会尽心尽力为您提供高品质的服务,详细咨询:15000098987。

我要咨询


















021-67895388
shghfmc@163.com
93862333