国标气动浮动球阀
产品型号:Q641F
公称通径:DN15-300mm
公称压力:PN1.6-6.4MPa
适用温度:-28℃- 300℃
阀体材质:WCB、ZG1Cr18Ni9Ti、ZG1Cr18Ni12Mo2Ti
适用介质:蒸汽、水,硝酸类,醋酸类
系列浮动式球阀主要适用于天然气、油品、化工、冶金、城建、环保、制药、食品等行业,其中抗硫系列产品适用于含硫化氢介质、杂质多、腐蚀严重的天然气长输管线。
其主要结构特点有
1.阀座密封结构;浮动式球阀采用双斜面弹性密封圈或V型槽弹性密封圈结构设计,保证密封的可靠性,对于低压、超低压或真空工况用球阀,采用板簧加载的阀座密封结构,能确保球阀长期可靠的密封。中、高温球阀的阀座材料可选用对位聚苯或金属材料。
2.自动泄压结构;当中腔压力出现异常升高现象时,中腔介质能依靠本身的推力推动阀座而自动泄压,从而确保阀体的安全。
3.阀杆的可靠密封;阀杆采用有倒密封的下装式结构,倒密封的密封力随介质压力的增高而增大,故能确保阀杆的可靠密封,而且,当阀腔异常升压时,阀杆不会喷出。
4.防火结构;根据工况及用户的需要,球阀可设计为防火结构。球阀的耐火设计执行API 607、API 6FA及JB/T 6899等标准的规定,一旦发生火灾而使软密封圈烧损时,球阀的防火结构可阻止介质的大量泄漏,防止火灾的进一步扩大。
5.防静电结构;当操作阀门时,由于球体和阀座之间的摩擦,会产生静电电荷并积聚在球体上,为防止产生静电火花,特在阀门上设置院静电装置,将积聚在球体上的电荷导出。
6.锁定装置;在手动球阀的全开、全闭两点位置上设计可上锁的结构,这样,可防止误操作以及不可预知的线路振动而产生的不应有的开关现象,特别是在可燃性介质的石油类和化学药品的生产线,以及阀门在室外配管时,这种设计体现出的优点和实际效果特别好。
7.全通径结构及缩径结构;为满足用户的不同需要,本公司球阀产品有全通径及缩径两种系列。全通径球阀的通道内径与管道内径一致,便于管理清扫,而缩径系列球阀的重量相对较轻,但流体阻力仅为相同口径截止阀的1/7左右,故缩径系列球阀的应用前景较为广阔。
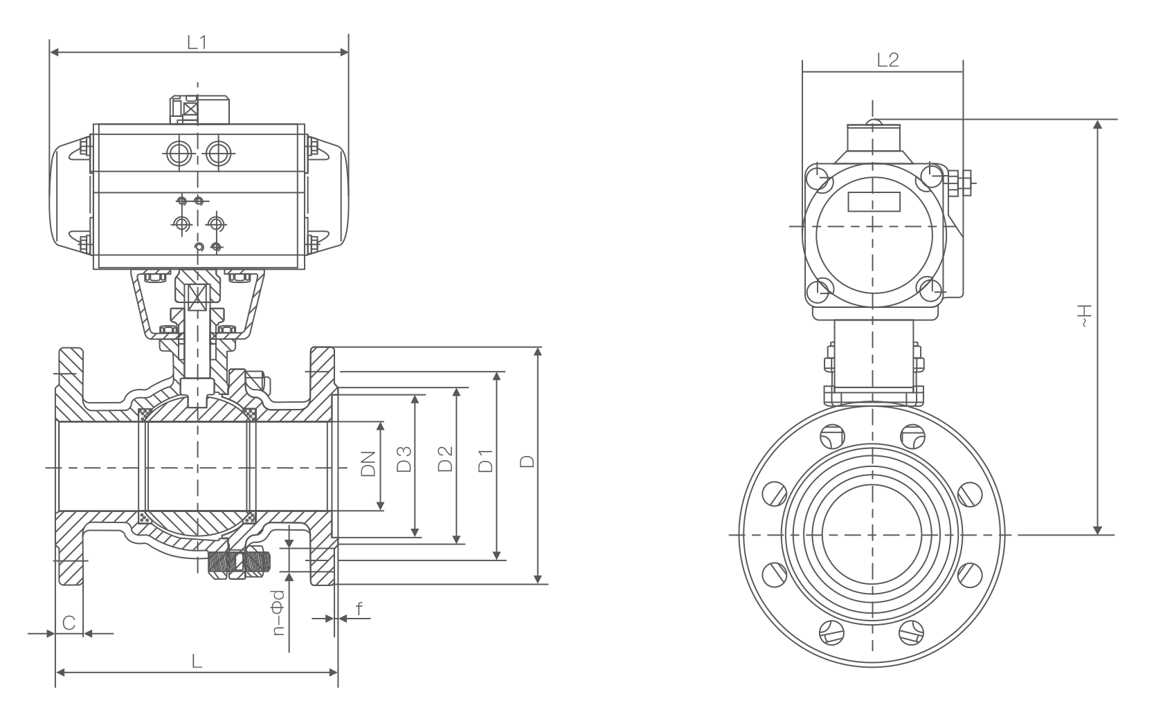
主要连接尺寸
| 公称通径DN(mm) | 主要尺寸 | 法兰尺寸 | ||||||||||
| PN1.6MPa | PN2.5MPa | |||||||||||
| L | H | H1 | L1 | D | D1 | D2 | n-φd | D | D1 | D2 | n-φd | |
| 15 | 130 | 185 | / | 140 | 95 | 65 | 46 | 4-14 | 95 | 65 | 46 | 4-14 |
| 20 | 140 | 191 | / | 140 | 105 | 75 | 45 | 4-14 | 105 | 75 | 56 | 4-14 |
| 25 | 150 | 193 | / | 140 | 115 | 85 | 65 | 4-14 | 115 | 85 | 65 | 4-14 |
| 32 | 165 | 212 | / | 164 | 140 | 100 | 76 | 4-18 | 140 | 100 | 76 | 4-18 |
| 40 | 180 | 217 | / | 164 | 150 | 110 | 84 | 4-18 | 150 | 110 | 84 | 4-18 |
| 50 | 200 | 260 | 102 | 190 | 165 | 125 | 99 | 4-18 | 165 | 125 | 99 | 4-18 |
| 65 | 220 | 293 | 114 | 210 | 185 | 145 | 118 | 4-18 | 185 | 145 | 118 | 8-18 |
| 80 | 250 | 323 | 127 | 247 | 200 | 160 | 132 | 8-18 | 200 | 160 | 132 | 8-18 |
| 100 | 280 | 382 | 152 | 276 | 220 | 180 | 156 | 8-18 | 235 | 190 | 156 | 8-22 |
| 125 | 320 | 468 | 184 | 348 | 250 | 210 | 184 | 8-18 | 270 | 220 | 184 | 8-26 |
| 150 | 360 | 510 | 219 | 378 | 285 | 240 | 211 | 8-22 | 300 | 250 | 211 | 8-26 |
| 200 | 400 | 655 | 273 | 524 | 340 | 295 | 266 | 12-22 | 360 | 310 | 274 | 12-26 |
| 250 | 630 | / | 360 | / | 405 | 355 | 319 | 12-26 | 425 | 370 | 330 | 12-30 |
| 300 | 750 | / | 395 | / | 460 | 410 | 370 | 12-26 | 485 | 430 | 389 | 16-30 |
随着经济高速发展,市场竞争越来越激烈,用户对阀门产品的要求也越来越多,并且对服务的要求也越来越高;我司销售部门为适应市场发展的要求,专业设立了服务培训组,为服务质量添加完善的工作,我司的售前、售中、售后服务工作经由专业的销售员来完成。
一、冠环阀门售前服务:
做到技术与销售的良好结合,让用户的每一次采购都有较好的服务体验。
①进行采购前产品技术沟通和交流,主动给予建议。
②在进行产品型号选择时考虑是否成本合理工矿效率等问题。
③不能达到工矿要求时,根据客户的特殊要求,安排设计师合理改善。
二、冠环阀门售中服务:
尊重每位用户;给用户一份省心,放心的整体价值服务。
①进行性价比:比价格,比质量,比服务,反思是否有不做到位的地方。
②严格按相关标准和技术要求进行阀门的检测和试验。
③在合作过程中,依照合同,保质保量准时交货,随时保持与用户联系。
④定制期间,相关技术人员可来我司进行产品监造和检验,同时,我司会提供该产品的结构图及详细文件资料,来做监造文件。
⑤对特殊工矿或定做的产品,可协商专业技术员亲临现场指导。
⑥我公司在发货前以电话进行产品型号、口径、数量、件数的确认。
三、冠环阀门售后服务:
好的服务铸就好的企业让客户无后顾之忧。
①按合同要求提供产品的合格证、检验报告、安装说明书等。
②顾客在验收产品过程中,如出现与合同要求不符时,我司接到顾客通知后两小时内给予处理。
③我司提供十二个月的产品质保期,时间从验收合格之日起计算。
④在正确安装和使用下,出现产品质量问题,本公司将负责到底。
冠环阀门包修包换承诺:
①在正常的储运、安装、保养、使用条件下,因产品的质量问题不能正常使用时,提供三保四包: 保质、保量、保及时、包修、包换、包退、包损失。
②在接到质量信息反馈时,将在24小时内提出处理意见,并做到100小时内赶到现场做处理。
③可根据用户需求协商提供备品、备件和安装、调试、维修服务。
为了让您采购到满意的阀门,减少阀门订购过程出现的问题,也是提高我们工作人员的工作效率。我们希望您提供详尽的订货需求,以便我们为您提高更周到的服务!
阀门订货说明:
1、①产品名称与型号,②公称直径,③阀体材质,④公称压力,⑤使用介质,⑥使用温度,⑦驱动方式,⑧是否带附件,以便我们的为您正确选型。
2、如有特殊要求时请在订购产品时注明。
3、若已经由设计单位选定的型号,请按型号直接向我司销售部订购。
4、当使用的场合非常重要或环境比较复杂时,请您尽量提供设计图。
欢迎您访问我们的网站,如有任何疑问,您可以致电给我们,我们一定会尽心尽力为您提供高品质的服务,详细咨询:15000098987。

我要咨询


















021-67895388
shghfmc@163.com
93862333