气动凸耳式中线蝶阀
产品型号:D67L1X
公称通径:DN50-600mm
压力等级:PN1.0、1.6MPa
阀体材质:球墨铸铁、304、316
适用介质:水、液体、气体、油类、粉体、蒸汽、粘稠、含颗粒等
设计制造:GB/T12238-2008
连接标准:JB/T 79.1-1994、ASME B16.10
结构长度:GB/T12221-2005、ASME B16.5
压力试验:GB/T13927-2008
产品概述
气动凸耳式中线蝶阀由凸耳式蝶阀和气动执行器两部分组成,气源驱动阀杆带动圆形蝶板作启闭件并随阀杆转动来开启、关闭和调节流体,从而实现现场作和远距离集中控制的要求。被广泛应用在化工、石油、造纸、消防管道、排水、污水、食品、供暖、燃气、船舶、水电、冶金、能源系统以及轻纺等行业。
产品特点
1、该阀小型轻便,容易拆装及维修,并可在任意位置安装。
2、结构简单、紧凑,90°回转开启迅速。
3、操作扭矩小,省力轻巧。
4、该阀流量特性趋于直线,调节性能好。
5、启闭试验次数多达数万次,寿命长。
6、密封件可更换,密封可靠达到双向密封,气体试验泄漏为零。
7、密封材料耐老化、耐腐蚀、可适用多种介质。

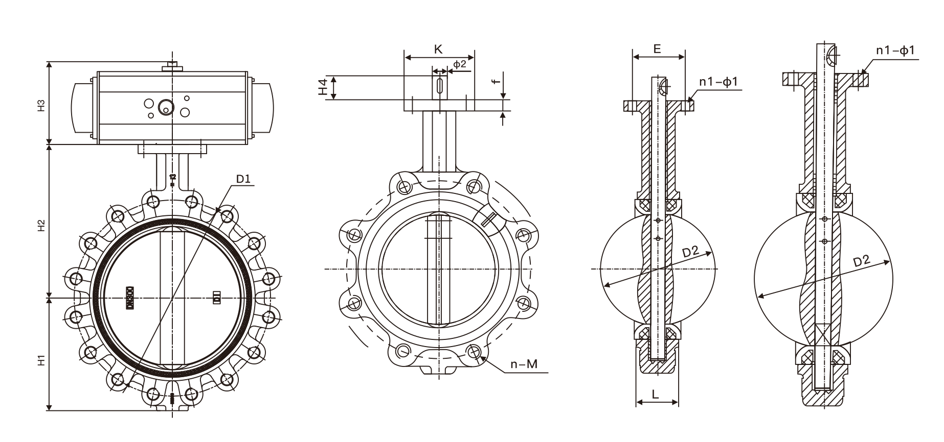
主要外形连接尺寸
|
公称通径 DN |
英寸 |
主要尺寸(mm) PN10/PN16 |
执行器尺寸 |
||||||
|
L |
D2 |
H1 |
H2 |
n-Φd |
A |
P |
B |
||
|
50 |
2 |
43 |
125 |
193 |
80 |
4-16 |
163 |
96 |
76 |
|
65 |
2-1/2 |
46 |
145 |
212 |
89 |
4-16 |
195 |
115 |
91 |
|
80 |
3 |
46 |
160 |
232 |
95 |
8-16 |
195 |
115 |
91 |
|
100 |
4 |
52 |
180 |
280 |
114 |
8-16 |
217 |
137 |
11 |
|
125 |
5 |
56 |
210 |
302 |
127 |
8-16 |
258 |
147 |
122 |
|
150 |
6 |
56 |
240 |
330 |
139 |
8-20 |
299 |
165 |
136 |
|
200 |
8 |
60 |
295 |
419 |
175 |
8-20/12-20 |
349 |
182 |
153 |
|
250 |
10 |
68 |
350/355 |
482 |
203 |
12-20/12-24 |
397 |
199 |
173 |
|
300 |
12 |
78 |
400/410 |
553 |
242 |
12-20/12-24 |
473 |
221 |
192 |
|
350 |
14 |
78 |
460/470 |
635 |
267 |
16-20/16-24 |
560 |
249 |
213 |
|
400 |
16 |
102 |
515/525 |
709 |
301 |
16-24/16-27 |
601 |
280 |
243 |
|
450 |
18 |
114 |
565/585 |
750 |
381 |
20-24/20-27 |
738 |
383 |
356 |
|
500 |
20 |
131 |
620/650 |
840 |
387 |
20-24/20-30 |
738 |
383 |
356 |
|
600 |
24 |
154 |
725/770 |
1021 |
457 |
20-27/20-33 |
940 |
434 |
415 |
随着经济高速发展,市场竞争越来越激烈,用户对阀门产品的要求也越来越多,并且对服务的要求也越来越高;我司销售部门为适应市场发展的要求,专业设立了服务培训组,为服务质量添加完善的工作,我司的售前、售中、售后服务工作经由专业的销售员来完成。
一、冠环阀门售前服务:
做到技术与销售的良好结合,让用户的每一次采购都有较好的服务体验。
①进行采购前产品技术沟通和交流,主动给予建议。
②在进行产品型号选择时考虑是否成本合理工矿效率等问题。
③不能达到工矿要求时,根据客户的特殊要求,安排设计师合理改善。
二、冠环阀门售中服务:
尊重每位用户;给用户一份省心,放心的整体价值服务。
①进行性价比:比价格,比质量,比服务,反思是否有不做到位的地方。
②严格按相关标准和技术要求进行阀门的检测和试验。
③在合作过程中,依照合同,保质保量准时交货,随时保持与用户联系。
④定制期间,相关技术人员可来我司进行产品监造和检验,同时,我司会提供该产品的结构图及详细文件资料,来做监造文件。
⑤对特殊工矿或定做的产品,可协商专业技术员亲临现场指导。
⑥我公司在发货前以电话进行产品型号、口径、数量、件数的确认。
三、冠环阀门售后服务:
好的服务铸就好的企业让客户无后顾之忧。
①按合同要求提供产品的合格证、检验报告、安装说明书等。
②顾客在验收产品过程中,如出现与合同要求不符时,我司接到顾客通知后两小时内给予处理。
③我司提供十二个月的产品质保期,时间从验收合格之日起计算。
④在正确安装和使用下,出现产品质量问题,本公司将负责到底。
冠环阀门包修包换承诺:
①在正常的储运、安装、保养、使用条件下,因产品的质量问题不能正常使用时,提供三保四包: 保质、保量、保及时、包修、包换、包退、包损失。
②在接到质量信息反馈时,将在24小时内提出处理意见,并做到100小时内赶到现场做处理。
③可根据用户需求协商提供备品、备件和安装、调试、维修服务。
为了让您采购到满意的阀门,减少阀门订购过程出现的问题,也是提高我们工作人员的工作效率。我们希望您提供详尽的订货需求,以便我们为您提高更周到的服务!
阀门订货说明:
1、①产品名称与型号,②公称直径,③阀体材质,④公称压力,⑤使用介质,⑥使用温度,⑦驱动方式,⑧是否带附件,以便我们的为您正确选型。
2、如有特殊要求时请在订购产品时注明。
3、若已经由设计单位选定的型号,请按型号直接向我司销售部订购。
4、当使用的场合非常重要或环境比较复杂时,请您尽量提供设计图。
欢迎您访问我们的网站,如有任何疑问,您可以致电给我们,我们一定会尽心尽力为您提供高品质的服务,详细咨询:15000098987。

我要咨询


















021-67895388
shghfmc@163.com
93862333