不锈钢旋启式止回阀采用内装摇臂旋启式结构,阀门的所有启闭件都装于阀体内部,不穿透阀体,除了中法兰部位用密封垫片和密封环外,整体没有外漏点,杜绝阀门外泄的可能。摇臂和阀瓣连接处采用球面连接的结构,使得阀瓣在360度范围内有一定的自由度,有适当的微量位置补偿。广泛应用于化工、冶金、制药等多个领域。
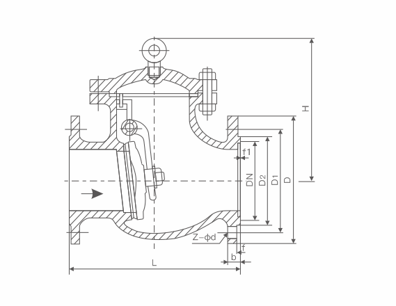
主要外形连接尺寸及重量
| 公称通径 DN | 主要外形尺寸和连接尺寸 | ||||||
| L | D | D1 | D2 | b | Z-d | H | |
| H44H-16C H44W-16C H44W-16P H44W-16R H44W-16I | |||||||
| 25 | 160 | 115 | 85 | 65 | 16 | 4-14 | 100 |
| 32 | 180 | 135 | 100 | 78 | 16 | 4-18 | 105 |
| 40 | 200 | 145 | 100 | 85 | 16 | 4-18 | 115 |
| 50 | 230 | 160 | 125 | 100 | 16 | 4-18 | 135 |
| 65 | 290 | 180 | 145 | 120 | 18 | 4-18 | 142 |
| 80 | 310 | 195 | 160 | 135 | 20 | 8-18 | 165 |
| 100 | 350 | 215 | 180 | 155 | 20 | 8-18 | 180 |
| 125 | 400 | 245 | 210 | 185 | 22 | 8-18 | 210 |
| 150 | 480 | 280 | 240 | 210 | 24 | 8-23 | 233 |
| 200 | 500 | 335 | 295 | 265 | 26 | 12-23 | 304 |
| 250 | 550 | 405 | 355 | 320 | 30 | 12-25 | 348 |
| 300 | 650 | 460 | 410 | 375 | 30 | 12-25 | 390 |
| 350 | 750 | 520 | 470 | 435 | 34 | 16-25 | 430 |
| 400 | 850 | 580 | 525 | 485 | 36 | 16-30 | 468 |
| H44H-25 H44W-25 H44W-25P H44W-25R H44W-25I | |||||||
| 25 | 160 | 115 | 85 | 65 | 16 | 4-14 | 100 |
| 32 | 180 | 135 | 100 | 78 | 16 | 4-18 | 105 |
| 40 | 200 | 145 | 110 | 85 | 16 | 4-18 | 115 |
| 50 | 230 | 160 | 125 | 100 | 20 | 4-18 | 160 |
| 65 | 290 | 180 | 145 | 120 | 22 | 8-18 | 175 |
| 80 | 310 | 195 | 160 | 135 | 22 | 8-18 | 185 |
| 100 | 350 | 230 | 190 | 160 | 24 | 8-23 | 220 |
| 125 | 400 | 270 | 220 | 188 | 28 | 8-25 | 248 |
| 150 | 480 | 300 | 250 | 218 | 30 | 8-25 | 276 |
| 200 | 550 | 360 | 310 | 278 | 34 | 12-25 | 350 |
| 250 | 650 | 425 | 370 | 332 | 36 | 12-30 | 410 |
| 300 | 750 | 485 | 430 | 390 | 40 | 16-30 | 430 |
| 350 | 850 | 550 | 490 | 448 | 44 | 16-34 | 518 |
| 400 | 950 | 610 | 550 | 505 | 48 | 16-34 | 560 |
随着经济高速发展,市场竞争越来越激烈,用户对阀门产品的要求也越来越多,并且对服务的要求也越来越高;我司销售部门为适应市场发展的要求,专业设立了服务培训组,为服务质量添加完善的工作,我司的售前、售中、售后服务工作经由专业的销售员来完成。
一、冠环阀门售前服务:
做到技术与销售的良好结合,让用户的每一次采购都有较好的服务体验。
①进行采购前产品技术沟通和交流,主动给予建议。
②在进行产品型号选择时考虑是否成本合理工矿效率等问题。
③不能达到工矿要求时,根据客户的特殊要求,安排设计师合理改善。
二、冠环阀门售中服务:
尊重每位用户;给用户一份省心,放心的整体价值服务。
①进行性价比:比价格,比质量,比服务,反思是否有不做到位的地方。
②严格按相关标准和技术要求进行阀门的检测和试验。
③在合作过程中,依照合同,保质保量准时交货,随时保持与用户联系。
④定制期间,相关技术人员可来我司进行产品监造和检验,同时,我司会提供该产品的结构图及详细文件资料,来做监造文件。
⑤对特殊工矿或定做的产品,可协商专业技术员亲临现场指导。
⑥我公司在发货前以电话进行产品型号、口径、数量、件数的确认。
三、冠环阀门售后服务:
好的服务铸就好的企业让客户无后顾之忧。
①按合同要求提供产品的合格证、检验报告、安装说明书等。
②顾客在验收产品过程中,如出现与合同要求不符时,我司接到顾客通知后两小时内给予处理。
③我司提供十二个月的产品质保期,时间从验收合格之日起计算。
④在正确安装和使用下,出现产品质量问题,本公司将负责到底。
冠环阀门包修包换承诺:
①在正常的储运、安装、保养、使用条件下,因产品的质量问题不能正常使用时,提供三保四包: 保质、保量、保及时、包修、包换、包退、包损失。
②在接到质量信息反馈时,将在24小时内提出处理意见,并做到100小时内赶到现场做处理。
③可根据用户需求协商提供备品、备件和安装、调试、维修服务。
为了让您采购到满意的阀门,减少阀门订购过程出现的问题,也是提高我们工作人员的工作效率。我们希望您提供详尽的订货需求,以便我们为您提高更周到的服务!
阀门订货说明:
1、①产品名称与型号,②公称直径,③阀体材质,④公称压力,⑤使用介质,⑥使用温度,⑦驱动方式,⑧是否带附件,以便我们的为您正确选型。
2、如有特殊要求时请在订购产品时注明。
3、若已经由设计单位选定的型号,请按型号直接向我司销售部订购。
4、当使用的场合非常重要或环境比较复杂时,请您尽量提供设计图。
欢迎您访问我们的网站,如有任何疑问,您可以致电给我们,我们一定会尽心尽力为您提供高品质的服务,详细咨询:15000098987。

我要咨询














021-67895388
shghfmc@163.com
93862333