铸钢升降式止回阀的阀体结构采用截止阀的阀体,其阀瓣沿着通道中以线作升降运动,动作可靠,但流体阻力较大,适用于轻小口径的场合。直通式升降止回阀一般只能安装在水平管路,而立式升降止回阀一般就安装在垂直管路。产品广泛应用于石油、化工、制药、电力行业等各种工况的管路上。
产品特点
1、止回阀产品设计制造按GB/T 12235设计制造检验,密封可靠,性能优良。
2、阀瓣、阀座的密封面采用司太立(stellite)钴基硬质合金堆焊而成,耐磨、耐高温,抗擦伤性能好、使用寿命长。
3、可采用各种配管法兰标准及法兰密封面型式,满足各种工程需要及用户要求。
4、填料、垫片根据实际工况或用户要求合理选配,能适用于各种压力、温度及介质工况。
5、可按用户要求制造不同结构形式和连接形式的止回阀,为各种设备配套使用。
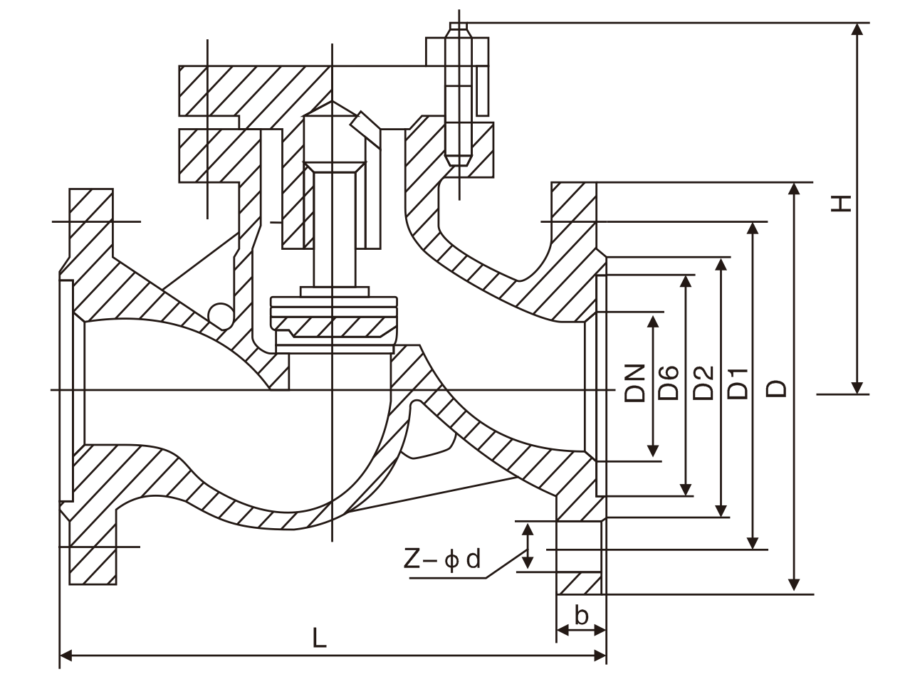
主要外形尺寸
| 公称通径 | 主要外形尺寸和连接尺寸 | ||||||
| L | D | D1 | D2 | b | Z-d | H | |
| H41H-16C H41W-16C H41W-16P H41W-16R H41W-16I | |||||||
| 15 | 130 | 95 | 65 | 45 | 14 | 4-14 | 77 |
| 20 | 150 | 105 | 75 | 55 | 14 | 4-14 | 77 |
| 25 | 160 | 115 | 85 | 65 | 14 | 4-14 | 80 |
| 32 | 180 | 135 | 100 | 75 | 16 | 4-18 | 85 |
| 40 | 200 | 145 | 110 | 85 | 16 | 4-18 | 95 |
| 50 | 230 | 160 | 125 | 100 | 16 | 4-18 | 105 |
| 65 | 290 | 180 | 145 | 120 | 18 | 4-18 | 120 |
| 80 | 310 | 195 | 160 | 135 | 20 | 8-18 | 130 |
| 100 | 350 | 215 | 180 | 155 | 20 | 8-18 | 140 |
| 125 | 400 | 245 | 210 | 185 | 22 | 8-18 | 155 |
| 150 | 480 | 280 | 240 | 210 | 24 | 8-23 | 180 |
| 200 | 600 | 335 | 295 | 265 | 26 | 12-23 | 215 |
| 250 | 730 | 405 | 355 | 320 | 30 | 12-25 | 260 |
| 300 | 850 | 460 | 410 | 375 | 34 | 12-25 | 315 |
| H41H-25 H41W-25 H41W-25P H41W-25R H41W-25I | |||||||
| 15 | 130 | 95 | 65 | 45 | 16 | 4-14 | 100 |
| 20 | 150 | 105 | 75 | 55 | 16 | 4-14 | 105 |
| 25 | 160 | 115 | 85 | 65 | 16 | 4-14 | 120 |
| 32 | 180 | 135 | 100 | 78 | 18 | 4-18 | 130 |
| 40 | 200 | 145 | 110 | 85 | 18 | 4-18 | 135 |
| 50 | 230 | 160 | 125 | 100 | 20 | 4-18 | 149 |
| 65 | 290 | 180 | 145 | 120 | 22 | 8-18 | 160 |
| 80 | 310 | 195 | 160 | 135 | 22 | 8-18 | 169 |
| 100 | 350 | 230 | 190 | 160 | 24 | 8-23 | 194 |
| 125 | 400 | 270 | 220 | 180 | 28 | 8-25 | 222 |
| 150 | 480 | 300 | 250 | 218 | 30 | 8-25 | 255 |
| 200 | 600 | 360 | 310 | 278 | 34 | 12-25 | 305 |
| 250 | 730 | 425 | 370 | 332 | 36 | 12-30 | 355 |
| 300 | 850 | 485 | 430 | 390 | 40 | 16-30 | 410 |
随着经济高速发展,市场竞争越来越激烈,用户对阀门产品的要求也越来越多,并且对服务的要求也越来越高;我司销售部门为适应市场发展的要求,专业设立了服务培训组,为服务质量添加完善的工作,我司的售前、售中、售后服务工作经由专业的销售员来完成。
一、冠环阀门售前服务:
做到技术与销售的良好结合,让用户的每一次采购都有较好的服务体验。
①进行采购前产品技术沟通和交流,主动给予建议。
②在进行产品型号选择时考虑是否成本合理工矿效率等问题。
③不能达到工矿要求时,根据客户的特殊要求,安排设计师合理改善。
二、冠环阀门售中服务:
尊重每位用户;给用户一份省心,放心的整体价值服务。
①进行性价比:比价格,比质量,比服务,反思是否有不做到位的地方。
②严格按相关标准和技术要求进行阀门的检测和试验。
③在合作过程中,依照合同,保质保量准时交货,随时保持与用户联系。
④定制期间,相关技术人员可来我司进行产品监造和检验,同时,我司会提供该产品的结构图及详细文件资料,来做监造文件。
⑤对特殊工矿或定做的产品,可协商专业技术员亲临现场指导。
⑥我公司在发货前以电话进行产品型号、口径、数量、件数的确认。
三、冠环阀门售后服务:
好的服务铸就好的企业让客户无后顾之忧。
①按合同要求提供产品的合格证、检验报告、安装说明书等。
②顾客在验收产品过程中,如出现与合同要求不符时,我司接到顾客通知后两小时内给予处理。
③我司提供十二个月的产品质保期,时间从验收合格之日起计算。
④在正确安装和使用下,出现产品质量问题,本公司将负责到底。
冠环阀门包修包换承诺:
①在正常的储运、安装、保养、使用条件下,因产品的质量问题不能正常使用时,提供三保四包: 保质、保量、保及时、包修、包换、包退、包损失。
②在接到质量信息反馈时,将在24小时内提出处理意见,并做到100小时内赶到现场做处理。
③可根据用户需求协商提供备品、备件和安装、调试、维修服务。
为了让您采购到满意的阀门,减少阀门订购过程出现的问题,也是提高我们工作人员的工作效率。我们希望您提供详尽的订货需求,以便我们为您提高更周到的服务!
阀门订货说明:
1、①产品名称与型号,②公称直径,③阀体材质,④公称压力,⑤使用介质,⑥使用温度,⑦驱动方式,⑧是否带附件,以便我们的为您正确选型。
2、如有特殊要求时请在订购产品时注明。
3、若已经由设计单位选定的型号,请按型号直接向我司销售部订购。
4、当使用的场合非常重要或环境比较复杂时,请您尽量提供设计图。
欢迎您访问我们的网站,如有任何疑问,您可以致电给我们,我们一定会尽心尽力为您提供高品质的服务,详细咨询:15000098987。

我要咨询














021-67895388
shghfmc@163.com
93862333