产品概述
美标旋启式止回阀采用内装摇臂旋转结构,所有启闭件都装于阀门内部,不穿透阀体。适用于石油、化工、制药、电力等行业工况管路上,防止介质倒流。
产品特点
1、选材考究,符合国内、外相关标准,材料的全面质量高。
2、产品根据美国国家标准ANSI B16.34,美国石油学会标准API 6D要求生产。
3、可采用各种配管法兰标准及法兰密封型式,满足各种工程需要及用户要求。
4、阀体材料品种齐全,垫片可根据实际工况或用户要求合理选配,能适用于各种压力、温度及介质工况。
5、密封副配对先进合理,阀瓣、阀座密封面采用铁基合金或司太立(Stellite)钴基硬质合金堆焊面成,耐磨、耐高温。
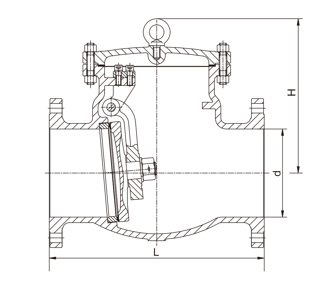
主要外形连接尺寸及重量
| Class | NPS | DN | L | D | D1 | D2 | b | Z-Φd | H | WT (㎏) |
| in | mm | |||||||||
| 150Lb | 2″ | 50 | 203 | 157 | 120.7 | 92 | 19.50 | 4-Φ19 | 161 | 17 |
| 2-1/2″ | 65 | 216 | 178 | 139.7 | 105 | 22.5 | 4-Φ19 | 180 | 23 | |
| 3″ | 80 | 241 | 190.5 | 152.4 | 127 | 24 | 4-Φ19 | 190 | 33 | |
| 4″ | 100 | 292 | 229 | 190.50 | 157.2 | 24 | 8-Φ19 | 220 | 44 | |
| 6″ | 150 | 356 | 279 | 241.5 | 216 | 25.5 | 8-Φ22.5 | 257 | 78 | |
| 8″ | 200 | 495 | 343 | 298.5 | 270 | 29 | 8-Φ22.5 | 292 | 137 | |
| 10″ | 250 | 622 | 406 | 362 | 324 | 30.5 | 12-Φ25 | 350 | 207 | |
| 12″ | 300 | 698 | 483 | 432 | 381 | 32 | 12-Φ25 | 398 | 279 | |
| 14″ | 350 | 787 | 533 | 476.8 | 413 | 35 | 12-Φ29 | 445 | 387 | |
| 16″ | 400 | 864 | 597 | 539.8 | 470 | 37 | 16-Φ29 | 490 | 446 | |
| 18″ | 450 | 978 | 635 | 577.8 | 533 | 40 | 16-Φ32 | 520 | 621 | |
| 20″ | 500 | 978 | 698 | 635 | 584 | 43 | 20-Φ32 | 546 | 770 | |
| 24″ | 600 | 1295 | 813 | 749.3 | 692 | 48 | 20-Φ35 | 880 | 970 | |
| 300Lb | 2″ | 50 | 267 | 165 | 127 | 92 | 22.5 | 8-Φ19 | 179.5 | 20 |
| 2-1/2″ | 65 | 292 | 190 | 150 | 105 | 25 | 8-Φ22 | 190 | 24 | |
| 3″ | 80 | 318 | 210 | 168 | 127 | 29.0 | 8-Φ22.5 | 212.4 | 40 | |
| 4″ | 100 | 356 | 254 | 200 | 157 | 32.0 | 8-Φ22.5 | 246 | 51 | |
| 6″ | 150 | 445 | 317.5 | 269.7 | 216 | 37.0 | 12-Φ22.5 | 292 | 90 | |
| 8″ | 200 | 533 | 381 | 330 | 270 | 41.5 | 12-Φ25.5 | 328 | 175 | |
| 10″ | 250 | 622 | 444.5 | 387 | 324 | 48.0 | 16-Φ28.5 | 378.6 | 210 | |
| 12″ | 300 | 711 | 521 | 451 | 381 | 51.0 | 16-Φ32 | 420 | 286 | |
| 14″ | 350 | 838 | 584 | 514 | 54 | 57 | 20-Φ32 | 470 | 400 | |
| 16″ | 400 | 864 | 648 | 572 | 57 | 57 | 20-Φ35 | 530 | 550 | |
| 18″ | 450 | 978 | 711 | 629 | 60 | 60 | 24-Φ35 | 584 | 700 | |
| 20″ | 500 | 1016 | 775 | 686 | 64 | 64 | 24-Φ35 | 610 | 860 | |
| 24″ | 600 | 1346 | 914 | 813 | 70 | 70 | 24-Φ41 | 860 | 1931 | |
| 600Lb | 2″ | 50 | 292 | 165 | 127 | 92 | 25 | 8-Φ19 | 203 | 34 |
| 2-1/2″ | 65 | 330 | 190 | 150 | 105 | 29 | 8-Φ22 | 229 | 45 | |
| 3″ | 80 | 356 | 210 | 168 | 127 | 32 | 8-Φ22 | 235 | 63 | |
| 4″ | 100 | 432 | 273 | 216 | 157 | 38 | 8-Φ25 | 286 | 114 | |
| 6″ | 150 | 559 | 356 | 292 | 216 | 48 | 8-Φ29 | 330 | 207 | |
| 8″ | 200 | 660 | 419 | 349 | 270 | 56 | 12-Φ29 | 381 | 387 | |
| 10″ | 250 | 787 | 508 | 432 | 324 | 64 | 12-Φ32 | 457 | 580 | |
| 12″ | 300 | 838 | 559 | 489 | 381 | 67 | 16-Φ35 | 584 | 778 | |
| 14″ | 350 | 889 | 603 | 527 | 413 | 70 | 20-Φ38 | 635 | 9896 | |
| 16″ | 400 | 991 | 686 | 603 | 470 | 76 | 20-Φ41 | 684 | 1380 |
随着经济高速发展,市场竞争越来越激烈,用户对阀门产品的要求也越来越多,并且对服务的要求也越来越高;我司销售部门为适应市场发展的要求,专业设立了服务培训组,为服务质量添加完善的工作,我司的售前、售中、售后服务工作经由专业的销售员来完成。
一、冠环阀门售前服务:
做到技术与销售的良好结合,让用户的每一次采购都有较好的服务体验。
①进行采购前产品技术沟通和交流,主动给予建议。
②在进行产品型号选择时考虑是否成本合理工矿效率等问题。
③不能达到工矿要求时,根据客户的特殊要求,安排设计师合理改善。
二、冠环阀门售中服务:
尊重每位用户;给用户一份省心,放心的整体价值服务。
①进行性价比:比价格,比质量,比服务,反思是否有不做到位的地方。
②严格按相关标准和技术要求进行阀门的检测和试验。
③在合作过程中,依照合同,保质保量准时交货,随时保持与用户联系。
④定制期间,相关技术人员可来我司进行产品监造和检验,同时,我司会提供该产品的结构图及详细文件资料,来做监造文件。
⑤对特殊工矿或定做的产品,可协商专业技术员亲临现场指导。
⑥我公司在发货前以电话进行产品型号、口径、数量、件数的确认。
三、冠环阀门售后服务:
好的服务铸就好的企业让客户无后顾之忧。
①按合同要求提供产品的合格证、检验报告、安装说明书等。
②顾客在验收产品过程中,如出现与合同要求不符时,我司接到顾客通知后两小时内给予处理。
③我司提供十二个月的产品质保期,时间从验收合格之日起计算。
④在正确安装和使用下,出现产品质量问题,本公司将负责到底。
冠环阀门包修包换承诺:
①在正常的储运、安装、保养、使用条件下,因产品的质量问题不能正常使用时,提供三保四包: 保质、保量、保及时、包修、包换、包退、包损失。
②在接到质量信息反馈时,将在24小时内提出处理意见,并做到100小时内赶到现场做处理。
③可根据用户需求协商提供备品、备件和安装、调试、维修服务。
为了让您采购到满意的阀门,减少阀门订购过程出现的问题,也是提高我们工作人员的工作效率。我们希望您提供详尽的订货需求,以便我们为您提高更周到的服务!
阀门订货说明:
1、①产品名称与型号,②公称直径,③阀体材质,④公称压力,⑤使用介质,⑥使用温度,⑦驱动方式,⑧是否带附件,以便我们的为您正确选型。
2、如有特殊要求时请在订购产品时注明。
3、若已经由设计单位选定的型号,请按型号直接向我司销售部订购。
4、当使用的场合非常重要或环境比较复杂时,请您尽量提供设计图。
欢迎您访问我们的网站,如有任何疑问,您可以致电给我们,我们一定会尽心尽力为您提供高品质的服务,详细咨询:15000098987。

我要咨询














021-67895388
shghfmc@163.com
93862333