对焊蝶阀
产品型号:D363H/W
公称通经:DN80~2000mm、NPS3"~80"
公称压力:PN0.6-6.4MPa,ANSI 150Lb-1500Lb
适用温度:碳钢:-29℃~425℃,不锈钢:-40℃~650℃
适用介质:水、热水、蒸汽、油品
驱动形式:蜗轮传动、电动、气动、液动
焊接标准:GB12224、ANSI B16.25、DIN2559
产品结构特征
对焊式双向密封蝶阀是将正锥角旋转一个角度改为斜锥角,这样阀杆与阀体中心偏心减小,开启力矩也随之减小。广泛用于冶金 、电力、石油化工、以及给排水和市政建设等工业管道上,作调节流量和载断流体使用。
其主要结构特点有
1、蝶板与密封面启闭无摩擦,强制密封;
2、可以任意位置安装;
3、零泄漏结构设计;
4、可选择金属与非金属,金属与金属密封方式;
5、有单向阀门和双向阀门供客户选择;
6、可选择动负载式填料;
7、可选择低泄露填料满足ISO 15848要求;
8、阀杆可加长设计;
9、可以按客户要求设计低温阀门或超低温阀门。

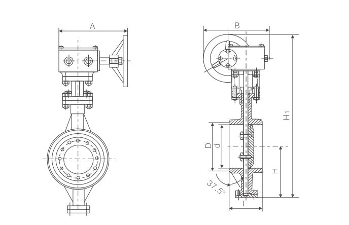
主要外形连接尺寸
| 公称压力 | 通径 | 外形尺寸(参考值) | |||||||
| DN | IN | L | D | d | H | H1 | A | B | |
|
D363H PN0.6MPa |
600 | 24 | 390 | 636 | 602 | 499 | 1280 | 570 | 660 |
| 700 | 28 | 430 | 726 | 692 | 566 | 1480 | 750 | 550 | |
| 800 | 32 | 470 | 826 | 792 | 632 | 1608 | 750 | 550 | |
| 900 | 36 | 510 | 926 | 892 | 693 | 1857 | 750 | 550 | |
| 1000 | 40 | 550 | 1028 | 992 | 757 | 2038 | 900 | 750 | |
| 1200 | 48 | 630 | 1228 | 1192 | 851 | 2237 | 1000 | 925 | |
| 1400 | 56 | 710 | 1428 | 1392 | 876 | 2411 | 1000 | 925 | |
| 1600 | 64 | 790 | 1628 | 1592 | 1095 | 2756 | 1000 | 925 | |
| 1800 | 72 | 870 | 1828 | 1792 | 1214 | 3093 | 1100 | 980 | |
| 2000 | 80 | 950 | 2028 | 1992 | 1332 | 3355 | 1100 | 980 | |
|
D363H PN1.0MPa |
600 | 24 | 390 | 636 | 602 | 499 | 1280 | 570 | 660 |
| 700 | 28 | 430 | 726 | 692 | 566 | 1480 | 750 | 550 | |
| 800 | 32 | 470 | 826 | 792 | 632 | 1608 | 750 | 550 | |
| 900 | 36 | 510 | 926 | 892 | 693 | 1857 | 750 | 550 | |
| 1000 | 40 | 550 | 1028 | 992 | 757 | 2038 | 900 | 750 | |
| 1200 | 48 | 630 | 1228 | 1192 | 851 | 2237 | 1000 | 925 | |
| 1400 | 56 | 710 | 1428 | 1392 | 876 | 2411 | 1000 | 925 | |
| 1600 | 64 | 790 | 1628 | 1592 | 1095 | 2756 | 1000 | 925 | |
| 1800 | 72 | 870 | 1828 | 1792 | 1214 | 3093 | 1100 | 980 | |
| 2000 | 80 | 950 | 2028 | 1992 | 1332 | 3355 | 1100 | 980 | |
|
D363H PN1.6MPa |
80 | 3 | 180 | 90 | 78 | 90 | 356 | 180 | 200 |
| 100 | 4 | 190 | 110 | 96 | 100 | 375 | 180 | 200 | |
| 125 | 5 | 200 | 135 | 121 | 113 | 401 | 180 | 200 | |
| 150 | 6 | 210 | 161 | 146 | 130 | 450 | 270 | 280 | |
| 200 | 8 | 230 | 222 | 202 | 205 | 545 | 400 | 425 | |
| 250 | 10 | 250 | 278 | 254 | 235 | 630 | 400 | 425 | |
| 300 | 12 | 270 | 330 | 303 | 275 | 715 | 450 | 560 | |
| 350 | 14 | 290 | 382 | 351 | 309 | 817 | 450 | 560 | |
| 400 | 15 | 310 | 432 | 398 | 346 | 923 | 535 | 580 | |
| 450 | 18 | 330 | 484 | 450 | 392 | 1059 | 535 | 580 | |
| 500 | 20 | 350 | 535 | 501 | 427 | 1126 | 535 | 580 | |
| 600 | 24 | 390 | 636 | 602 | 509 | 1369 | 570 | 660 | |
| 700 | 28 | 430 | 726 | 692 | 572 | 1492 | 750 | 550 | |
| 800 | 32 | 470 | 826 | 792 | 638 | 1622 | 750 | 550 | |
| 900 | 36 | 510 | 926 | 892 | 700 | 1924 | 750 | 550 | |
| 1000 | 40 | 550 | 1028 | 992 | 765 | 2054 | 900 | 750 | |
| 1200 | 48 | 630 | 1228 | 1190 | 860 | 2259 | 1000 | 925 | |
| 1400 | 56 | 710 | 1428 | 1392 | 986 | 2610 | 1000 | 925 | |
| 1600 | 64 | 790 | 1628 | 1590 | 1106 | 2856 | 1000 | 925 | |
| 1800 | 72 | 870 | 1828 | 1792 | 1226 | 3121 | 1100 | 980 | |
| 2000 | 80 | 950 | 2028 | 1992 | 1345 | 3385 | 1100 | 980 | |
|
D363H PN2.5MPa |
80 | 3 | 180 | 90 | 78 | 90 | 356 | 180 | 200 |
| 100 | 4 | 190 | 110 | 96 | 106 | 387 | 180 | 200 | |
| 125 | 5 | 200 | 135 | 121 | 122 | 413 | 180 | 200 | |
| 150 | 6 | 210 | 161 | 146 | 136 | 459 | 270 | 280 | |
| 200 | 8 | 230 | 222 | 202 | 215 | 585 | 400 | 425 | |
| 250 | 10 | 250 | 278 | 254 | 247 | 649 | 400 | 425 | |
| 300 | 12 | 270 | 330 | 303 | 288 | 771 | 450 | 560 | |
| 350 | 14 | 290 | 382 | 351 | 333 | 929 | 450 | 560 | |
| 400 | 15 | 310 | 432 | 398 | 359 | 993 | 535 | 580 | |
| 450 | 18 | 330 | 484 | 450 | 405 | 1053 | 535 | 580 | |
| 500 | 20 | 350 | 535 | 501 | 444 | 1245 | 535 | 580 | |
| 600 | 24 | 390 | 636 | 602 | 521 | 1750 | 570 | 660 | |
| 700 | 28 | 430 | 726 | 692 | 586 | 1519 | 750 | 550 | |
| 800 | 32 | 470 | 826 | 792 | 659 | 1659 | 750 | 550 | |
| 900 | 36 | 510 | 926 | 892 | 720 | 1829 | 750 | 550 | |
| 1000 | 40 | 550 | 1028 | 992 | 780 | 1949 | 900 | 750 | |
| 1200 | 48 | 630 | 1228 | 1190 | 889 | 2243 | 1000 | 925 | |
| 1400 | 56 | 710 | 1428 | 1392 | 1000 | 2462 | 1000 | 925 | |
|
D363H PN4.0MPa |
80 | 3 | 180 | 90 | 78 | 108 | 430 | 180 | 200 |
| 100 | 4 | 190 | 110 | 96 | 108 | 390 | 180 | 200 | |
| 125 | 5 | 200 | 135 | 120 | 120 | 414 | 180 | 200 | |
| 150 | 6 | 210 | 161 | 145 | 135 | 494 | 270 | 280 | |
| 200 | 8 | 230 | 222 | 200 | 202 | 578 | 400 | 425 | |
| 250 | 10 | 250 | 278 | 252 | 235 | 673 | 400 | 425 | |
| 300 | 12 | 270 | 330 | 301 | 280 | 793 | 450 | 560 | |
| 350 | 14 | 290 | 382 | 351 | 315 | 921 | 450 | 560 | |
| 400 | 15 | 310 | 432 | 398 | 355 | 1021 | 535 | 580 | |
| 450 | 18 | 330 | 484 | 448 | 370 | 1143 | 535 | 580 | |
| 500 | 20 | 350 | 535 | 495 | 420 | 1192 | 535 | 580 | |
| 600 | 24 | 390 | 636 | 595 | 490 | 1327 | 570 | 660 | |
随着经济高速发展,市场竞争越来越激烈,用户对阀门产品的要求也越来越多,并且对服务的要求也越来越高;我司销售部门为适应市场发展的要求,专业设立了服务培训组,为服务质量添加完善的工作,我司的售前、售中、售后服务工作经由专业的销售员来完成。
一、冠环阀门售前服务:
做到技术与销售的良好结合,让用户的每一次采购都有较好的服务体验。
①进行采购前产品技术沟通和交流,主动给予建议。
②在进行产品型号选择时考虑是否成本合理工矿效率等问题。
③不能达到工矿要求时,根据客户的特殊要求,安排设计师合理改善。
二、冠环阀门售中服务:
尊重每位用户;给用户一份省心,放心的整体价值服务。
①进行性价比:比价格,比质量,比服务,反思是否有不做到位的地方。
②严格按相关标准和技术要求进行阀门的检测和试验。
③在合作过程中,依照合同,保质保量准时交货,随时保持与用户联系。
④定制期间,相关技术人员可来我司进行产品监造和检验,同时,我司会提供该产品的结构图及详细文件资料,来做监造文件。
⑤对特殊工矿或定做的产品,可协商专业技术员亲临现场指导。
⑥我公司在发货前以电话进行产品型号、口径、数量、件数的确认。
三、冠环阀门售后服务:
好的服务铸就好的企业让客户无后顾之忧。
①按合同要求提供产品的合格证、检验报告、安装说明书等。
②顾客在验收产品过程中,如出现与合同要求不符时,我司接到顾客通知后两小时内给予处理。
③我司提供十二个月的产品质保期,时间从验收合格之日起计算。
④在正确安装和使用下,出现产品质量问题,本公司将负责到底。
冠环阀门包修包换承诺:
①在正常的储运、安装、保养、使用条件下,因产品的质量问题不能正常使用时,提供三保四包: 保质、保量、保及时、包修、包换、包退、包损失。
②在接到质量信息反馈时,将在24小时内提出处理意见,并做到100小时内赶到现场做处理。
③可根据用户需求协商提供备品、备件和安装、调试、维修服务。
为了让您采购到满意的阀门,减少阀门订购过程出现的问题,也是提高我们工作人员的工作效率。我们希望您提供详尽的订货需求,以便我们为您提高更周到的服务!
阀门订货说明:
1、①产品名称与型号,②公称直径,③阀体材质,④公称压力,⑤使用介质,⑥使用温度,⑦驱动方式,⑧是否带附件,以便我们的为您正确选型。
2、如有特殊要求时请在订购产品时注明。
3、若已经由设计单位选定的型号,请按型号直接向我司销售部订购。
4、当使用的场合非常重要或环境比较复杂时,请您尽量提供设计图。
欢迎您访问我们的网站,如有任何疑问,您可以致电给我们,我们一定会尽心尽力为您提供高品质的服务,详细咨询:15000098987。

我要咨询



















021-67895388
shghfmc@163.com
93862333