法兰中心板式蝶阀(蜗轮)
公称压力: PN1.0~1.6MPa
公称通径: DN50~DN1400
连接方式: 法兰
使用介质: 水、油、气及各种腐蚀性介质
适用温度: -10~150℃
连接标准: GB·ANSI·DIN·API·ISO·BS
阀体材质: 铸铁;球墨铸铁
阀座材质: 橡胶
阀板材料: 不锈钢;球墨铸铁
产品概述
蜗轮法兰式软密封蝶阀适用于温度≤120℃,公称压力≤1.6MPa的食品、医药、化工、石油、电力、轻纺、造纸等给排水、气体管道上作调节流量和截流介质的作用。
技术标准
1、作为管路中调节或截断介质的设备。
2、适用于手柄控制装置(DN50~300),蜗轮蜗杆、电动及气动控制装置。
3、设计与制造标准符合GB/T12238。
4、压力试验符合GB/T13927。
5、结构长度符合GB/T12221。
6、侧法兰标准符合GB/T17241.6。
产品特征
1、可以配用手柄、蜗轮蜗杆传动、电动或气动控制装置。2、减小转动力矩,支撑阀杆,并使其与阀体有效分离,减小阀杆的磨损。
3、经过抛光处理,与阀座精密配合。
4、实现气密性试验零泄漏要求。启闭力矩小,延长阀座使用寿命。
5、阀杆密封不易变形,从而避免了通常的阀杆泄漏现象。
6、精度高,强度大,适用于手柄及其它控制装置的安装。
7、牢固连接阀杆与阀板,具有防振脱特点,且易于更换。
8、精度高,可靠性强,便于控制阀板启闭。
9、整体支撑性好,固定稳定,抗拉、防泄漏。
10、辅助防止轴端泄漏。
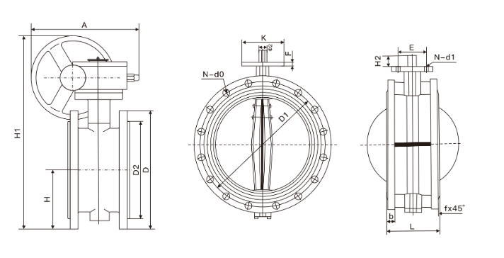
主要外形尺寸及重量(PN1.0/1.6MPa)
| DN | L | D | D1 | D2 | b | f | N-d0 | A | K | E | F | H | H1 | H2 | Φ2 | N-d1 |
| 50 | 108 | 165 | 125 | 102 | 18 | 3 | 4-Φ18 | 180 | 65 | 50 | 13 | 83 | 338 | 28 | 12.6 | 4-Φ7 |
| 65 | 112 | 185 | 145 | 122 | 18 | 3 | 8-Φ18 | 180 | 65 | 50 | 13 | 93 | 358 | 28 | 12.6 | 4-Φ7 |
| 80 | 114 | 200 | 160 | 138 | 20 | 3 | 8-Φ18 | 245 | 65 | 50 | 13 | 100 | 413 | 28 | 12.6 | 4-Φ7 |
| 100 | 127 | 220 | 180 | 158 | 20 | 3 | 8-Φ18 | 240 | 90 | 70 | 13 | 114 | 428 | 28 | 15.77 | 4-Φ10 |
| 125 | 140 | 250 | 210 | 188 | 22 | 3 | 8-Φ18 | 240 | 90 | 70 | 13 | 125 | 444 | 28 | 18.92 | 4-Φ10 |
| 150 | 140 | 285 | 240 | 212 | 22 | 3 | 8-Φ22 | 350 | 90 | 70 | 13 | 143 | 553 | 28 | 18.92 | 4-Φ10 |
| 200 | 152 | 340 | 295 | 268 | 24 | 3 | 12-Φ22 | 350 | 125 | 102 | 13 | 170 | 678 | 38 | 22.1 | 4-Φ12 |
| 250 | 165 | 405 | 355 | 320 | 26 | 3 | 12-Φ26 | 550 | 125 | 102 | 13 | 198 | 742 | 38 | 28.45 | 4-Φ12 |
| 300 | 178 | 460 | 410 | 378 | 28 | 4 | 12-Φ26 | 600 | 125 | 102 | 20 | 223 | 803 | 38 | 31.6 | 4-Φ12 |
| 350 | 190 | 520 | 470 | 438 | 30 | 4 | 16-Φ26 | 600 | 150 | 125 | 20 | 270 | 866 | 45 | 31.6 | 4-Φ14 |
| 400 | 216 | 580 | 525 | 490 | 32 | 4 | 16-Φ30 | 600 | 175 | 140 | 20 | 300 | 940 | 51 | 33.15 | 4-Φ18 |
| 450 | 222 | 640 | 585 | 550 | 40 | 4 | 20-Φ30 | 750 | 175 | 140 | 20 | 340 | 995 | 51 | 37.95 | 4-Φ18 |
| 500 | 229 | 715 | 650 | 610 | 44 | 4 | 20-Φ33 | 750 | 175 | 140 | 22 | 355 | 1058 | 57 | 41.12 | 4-Φ18 |
| 600 | 267 | 840 | 770 | 725 | 54 | 5 | 20-Φ36 | 750 | 210 | 165 | 30 | 410 | 1163 | 70 | 50.63 | 4-Φ22 |
| 700 | 292 | 910 | 840 | 795 | 40 | 5 | 24-Φ36 | 750 | 300 | 254 | 30 | 478 | 1283 | 66 | 63.35 | 8-Φ18 |
| 800 | 318 | 1025 | 950 | 900 | 42 | 5 | 24-Φ39 | 750 | 300 | 254 | 30 | 529 | 1398 | 66 | 63.35 | 8-Φ18 |
| 900 | 330 | 1125 | 1050 | 1000 | 44 | 5 | 28-Φ39 | 1250 | 300 | 254 | 34 | 584 | 1498 | 118 | 75 | 8-Φ18 |
| 1000 | 410 | 1255 | 1170 | 1115 | 46 | 5 | 28-Φ42 | 1500 | 300 | 254 | 34 | 357 | 1608 | 142 | 85 | 8-Φ18 |
| 1200 | 470 | 1485 | 1390 | 1330 | 52 | 5 | 32-Φ48 | 1500 | 350 | 298 | 34 | 799 | 1876 | 150 | 105 | 8-Φ22 |
随着经济高速发展,市场竞争越来越激烈,用户对阀门产品的要求也越来越多,并且对服务的要求也越来越高;我司销售部门为适应市场发展的要求,专业设立了服务培训组,为服务质量添加完善的工作,我司的售前、售中、售后服务工作经由专业的销售员来完成。
一、冠环阀门售前服务:
做到技术与销售的良好结合,让用户的每一次采购都有较好的服务体验。
①进行采购前产品技术沟通和交流,主动给予建议。
②在进行产品型号选择时考虑是否成本合理工矿效率等问题。
③不能达到工矿要求时,根据客户的特殊要求,安排设计师合理改善。
二、冠环阀门售中服务:
尊重每位用户;给用户一份省心,放心的整体价值服务。
①进行性价比:比价格,比质量,比服务,反思是否有不做到位的地方。
②严格按相关标准和技术要求进行阀门的检测和试验。
③在合作过程中,依照合同,保质保量准时交货,随时保持与用户联系。
④定制期间,相关技术人员可来我司进行产品监造和检验,同时,我司会提供该产品的结构图及详细文件资料,来做监造文件。
⑤对特殊工矿或定做的产品,可协商专业技术员亲临现场指导。
⑥我公司在发货前以电话进行产品型号、口径、数量、件数的确认。
三、冠环阀门售后服务:
好的服务铸就好的企业让客户无后顾之忧。
①按合同要求提供产品的合格证、检验报告、安装说明书等。
②顾客在验收产品过程中,如出现与合同要求不符时,我司接到顾客通知后两小时内给予处理。
③我司提供十二个月的产品质保期,时间从验收合格之日起计算。
④在正确安装和使用下,出现产品质量问题,本公司将负责到底。
冠环阀门包修包换承诺:
①在正常的储运、安装、保养、使用条件下,因产品的质量问题不能正常使用时,提供三保四包: 保质、保量、保及时、包修、包换、包退、包损失。
②在接到质量信息反馈时,将在24小时内提出处理意见,并做到100小时内赶到现场做处理。
③可根据用户需求协商提供备品、备件和安装、调试、维修服务。
为了让您采购到满意的阀门,减少阀门订购过程出现的问题,也是提高我们工作人员的工作效率。我们希望您提供详尽的订货需求,以便我们为您提高更周到的服务!
阀门订货说明:
1、①产品名称与型号,②公称直径,③阀体材质,④公称压力,⑤使用介质,⑥使用温度,⑦驱动方式,⑧是否带附件,以便我们的为您正确选型。
2、如有特殊要求时请在订购产品时注明。
3、若已经由设计单位选定的型号,请按型号直接向我司销售部订购。
4、当使用的场合非常重要或环境比较复杂时,请您尽量提供设计图。
欢迎您访问我们的网站,如有任何疑问,您可以致电给我们,我们一定会尽心尽力为您提供高品质的服务,详细咨询:15000098987。

我要咨询



















021-67895388
shghfmc@163.com
93862333